全球最实用的IT互联网信息网站!

AI人工智能P2P分享&下载搜索网页发布信息网站地图

当前位置:诺佳网 > 电子/半导体 > 音视频/家电 >

晶体管低频放大器

时间:2006-04-17 23:50

人气:

作者:admin

标签: 晶体管低  频放大器 

导读:晶体管低频放大器- 晶体管低频...
晶体管低频放大器主要是用来放大低频小信号电压的放大器,频率从几十赫到一百千赫左右
一、晶体管的偏置电路
为了使放大器获得线性的放大作用,晶体管不仅须有一个合适的静态工作点,而且必须使工作点稳定。由于温度对管子参数β、Icbo、Ube的影响,最终都集中反映在Ic的变化上,为了消除这种影响,我们通过晶体管偏置的直流或电压的负反馈作用使静态工作点稳定下来,常见的两种偏置电路及工作点稳定原理如下表
表一、晶体管放大器的偏置电路
 电路工作点稳定原理计算公式
电流负电反馈
设温度T↑,直流负反馈过程
结果使Ic维持不变
U=(1/3-1/5)Ec
Re=(1/3-1/5)Ec/Ic
Rb=Rb1//Rb2
===(2-5)Re
Ub=Rb1Ec/(Rb1+Rb2)
电压负电反馈
设温度T,直流负反馈过程
结果使Ic维持不变
Rb=β(Ec-Ube)/Ic-βRc
Ic=Ec/(Rc+Rb/β)
根据经验,通常取
Rb/Rc=(2-10)
二、放大器的三种电路形式
放大器是一种三端电路,其中必有一个端是输入和输出的共同“地”端,如果这个共“地”端接于发射极的,称为共射电路,接于集电极的,称为共集电路,接于基极的,称为共基电路,这三种有不同的性能,见下表
三种电路形式及其性能比较
 电路电压放大倍数电流放大倍数输入电阻输出电阻
共射电路10-100

10-1000

100Ω-50KΩ

10KΩ-500KΩ

共集电路0.9-0.999

10-1000

因负载不同,可达50MΩ左右
1-100Ω

共基电路100-10000
(实用)
0.9-0.999

10-500Ω左右

500KΩ-5MΩ

三、图解法
所谓图解法,就是利用晶体管输入和输出的特性曲线,通过作图来分析放大器性能的方法,图解法能直观和全面地表明三极管放大的工作过程,并能计算放大器的某些性能指标,现举例子来说明图解法的图解过程,
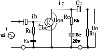
例:已知下图电路中的参数及输入电压Ui=15sinωt(毫伏)要求用图解法确定电路的静态工作点参数Ibq、Icq、Iceq,并计算电压和电流的放大倍数Ku、Kio。

图解法步骤
1、确定基极度回路的静态工作点,从输入特性曲线中选取直线段的中点Q(此点的Ubeq=0.7伏,Ibq=40微安)为基极回路的静态工作点,通过选取合适的Eb或Rb(一般通过调整Rb)来满足工作点的要求,
2、作直流负载线从上图可得负载线方程为Uce=Ec-IcRc,它的轨迹为一根直线,若令Ic=0,得Uce=Ec=20伏,在横轴上标出N点;又令Uce=0,得Ic=Ec/Rc=20伏/6千欧=3.3毫安,在纵轴上标出M点,连结M、N就是直流负载线。它与Ib=40微安的输出特性曲线相交于Q,由Q点找出Icq=1.8毫安,Uceq=9伏,Q点就是集电极回路的静态工作点,今后为简便起见,静态的电流、电压不再加下标Q表示,Ic、Ie即Icq、Ieqo
3、作波形,在输入特性上作出波形Ut=15sinωt(毫伏),并根据Ut的波形,作出ib、ic及Uce的波形
从图解法法得以下几点
(1)从波形正弦性可以判断静态工作点Q的选取是否合适。
(2)从图解得知输入电压Ui与集电极输出电压Uo反相,基极电流ib、集电极度电流Ic与输入电压Ui同相。
(3)上述图解法是在空载情况下进行的若考虑负载电阻RL的作用,交流负载应为RL=RC//RL。由于交流负载线与直流负载线均相交于Q,故通过Q点作出倾斜角a'=(arctg)1/RL的直线M'N',称为交流负载线。

四、等效电路法与h参数
1、简化的h参数等效电路
“微变”是指晶体管的Ib、Ube、Ic、Uce在静态工作点Q
附近只作微量的变化。其中Ib、Ube为晶体管的输入变量,面Ic、Uce为输出变量。若把晶体管看作含受控源的二端口网络,就可以用四个h参数模拟晶体管的物理结构,从而得出晶体管的h参数等效电路如图7-1-4所示h的定义如下:
hie=Ube/Ib -------Uce=0,--hfe=Ic/Ib -----Uce=0
hre=Ube/Uce ------Ib=0, --hoe=Ic/Uce ----Ib=O
几个参数有各自的物理意义:hie是输出端短路时的输入电阻,也就是输入特性曲线斜率的倒数;hfe是输出端短路的电流放大系数,即β(共发射极)或a(共基极);hre是输入端开路的内反馈系数,它表示输出电压对输入电压影响的程度;hoe是输入端开路时的输出电导,即为输出特性曲线的斜率
由于晶体管工作在低频时,hre和hoe两个参数小到可以忽略不计,通常用hie和hre两个参数模拟低频晶体管电路即可,这叫做简化后的h参数等效电路,如图7-1-3所示,图中的rbe、β即上述的hie、hfe.电流放大系数β(或hfe)可以从输出特性曲线中求出或通过仪器测试出来,输入电阻rbe由下式计算:
rbe=rb+(β+1)26(毫伏)/Ie(毫安)
式中:Rb为基区电阻,约为几百欧姆,Ie为静态发射极电流
求晶体管放大器的微变等效电路的方法如下:(1)晶体管以图7-1-3示出的等效模拟型代替;(2)所有直流电源、隔直电容,旁路电容都看作短路;(3)其它元件按原来相对位置画出,
利用等效电路可以求取放大器的放大倍数、输入电阻、输出电阻以及分析放大器的频率特性。

温馨提示:以上内容整理于网络,仅供参考,如果对您有帮助,留下您的阅读感言吧!
相关阅读
本类排行
相关标签
本类推荐

CPU | 内存 | 硬盘 | 显卡 | 显示器 | 主板 | 电源 | 键鼠 | 网站地图

Copyright © 2025-2035 诺佳网 版权所有 备案号:赣ICP备2025066733号
本站资料均来源互联网收集整理,作品版权归作者所有,如果侵犯了您的版权,请跟我们联系。

关注微信