时间:2006-04-17 23:51
人气:
作者:admin
由于CD机已流行多年,不少家庭已拥有一套立体声Hi-Fi组合音响,在此基础上升级为家庭影院相当简单,只要配置解码器就可收到实现Hi-Fi升级与增加AV功能的两全其美的效果。最近八达公司推出一款DV-315AV解码器,正是使Hi-Fi组合音响升级为家庭影院的一种产品。它具备定向逻辑解码功能,带有AC-3(5.1声道)输入口,内置三声道功率放大,带有完美的卡拉OK功能。本文介绍DV-315AV解码器的电路及功能,供读者参考。
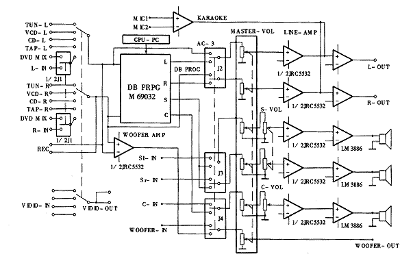
DV-315AV解码器电路的主要组成部分如图1所示,解码器的核心是日本三菱公司的M69032专业定向逻辑解码IC。M69032是目前在AV功放中使用率较高的、性能指标和AV效果又较为理想的逻辑解码IC,它可以将带有杜比环绕信息的双声道解调出L、R主声道、中置声道C、环绕声道S及附加超低音等信号,能随着影片图像的变化产生同步的声音空间移动效果,使人身临其境,享受超凡的AV乐趣。解码器除具有常见的标准(Normal)、幻影(Phantom)、宽广(Wide)三种环绕声模式外,还增加有中置的三声道立体声模式,此模式用于欣赏人声时较为理想,这是因为有了中置声道,声场分布就更均匀,演唱的现场感更为逼真。为了适应AC-3家庭影院的要求,DV-315配备AC-3(5.1)输入口,可以直接带5.1声道输出的DVD机。从所示电路中可知,机内设有三路带前置放大的功率放大器,分别作中置、环绕左右功率放大。前置放大是用运放完成的,适当的增益可以方便地与输出灵敏度不同的音源搭配。功放电路是用美国国家半导体公司生产的LM3886功放芯片。LM3886失真小,频响宽,响应快,输出功率达68W,完全能满足AC-3高标准的要求,在家庭条件下,能还原震撼的AV现场效果。

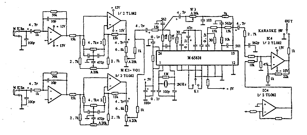
DV-315设有效果出众的数码混响卡拉OK功能,有关电路如图2所示。混响电路的中心是日本三菱公司的M65831专用芯片。M65831可以说是卡拉OK电路的常青树,不少中、高档的器材都有其倩影,效果毋庸置疑。话筒信号由一块TL082集成电路分两路组成反相放大作为输入放大级,紧接着也是由TL082构成的衰减负反馈混合式的话筒高、低音音调控制电路。话筒放大电路及其音量控制电路都是完全独立的,这样可以减少调制失真,演唱者的声音更清晰、自然。W3是ECHO混响深度调节,K1开关可以实现两档延时时间调整。经M65831数码延时处理的信号和话筒直达信号经过IC4混合,再送到音乐通道的前级放大电路与伴奏音乐混合。卡拉OK信号有切断开关(KARAOKESW),欣赏音乐时可以完全关断卡拉OK电路的信号,消除数码混响电路对音乐原声的不良影响。值得一提的是,话筒的高、低音音调控制电路设计得相当出色,控制量也恰当,演唱时可根据使用环境和话筒的特性对音调作适当的调整,以达到既美化人声但又不影响伴奏音乐的目的。

在DV-315AV解码器中,为了保证音乐的保真度,所有的开关均用触点开关或继电器控制,避免因用一些低档模拟开关而造成的对音质的破坏。音量由日本ALPS生产的高品质六联电位器控制,符合AC-3的要求,可实现对5.1声道的同步调整。总音量、中置和环绕音量、音源转换开关均用长轴控制,以减短信号的通道,免除信号的损失和失真。解码主板用双面板布线,元件排布井井有条,工艺非常精致,这在平价的AV器材上是极为少见的。
DV-315AV解码器的外观非常简洁,面板以香槟色为主调,再配上金灿灿的旋钮,而卡拉OK部分的功能旋钮配上黑色的衬底,由于颜色的反差,使面板的构图显得丰富多彩,有强烈的时代感。DV-315的解码控制是用一块CPU单独处理的,繁琐的控制功能经CPU程序处理后变得相当简洁,四个按钮和一排指示灯就可实现人机对话,功能一目了然,极为方便。
上一篇:音响基础知识传播