时间:2006-04-19 16:26
人气:
作者:admin
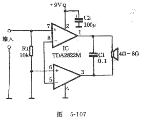
一般的集成功放电路外围元件较多且需要较大的散热器。本文介绍的功放电路简单,自 制方便。电路如图5-107所示。用一块TDA2822M功放集成电路接成BTL方式,外围元件只有一只电阻和两只电容,不用装散热器,放音效果也令人满意的。
集成电路TDA2822M为8脚双列直插式封装,如果买不到可用TDA2822代替,TDA2822的封装与TDA2822M相同,它们区别在于: TDA2822M从3V到15V均可工作,而TDA2822的最高工作电压只有8V。使用TDA2822必须把电压降到8V以下。R1的数值要求不拘,一般选用10k的碳膜电阻。C1可选用0.1uF的涤纶电容,C2为100uF/160V的电解电容。图5-108是其印制电路板图。由于电路简单,印制板可用铲刻法制作用水磨砂纸或牛皮纸沾少量水擦亮,用水洗净擦干,涂上一层松香酒精溶液,干后把元件直接焊在铜箔面即可。焊好后检查无误,然后先不接扬声器,接上电源,则正负输出端之间电压应小于0.1V。接上扬声器,用手触摸输入端,扬声器应发出较大的“嗡”声。这时即可输入信号试音。电路板不用钻孔,




使用时应注意:由于本功放为直接耦合,所以输入信号不能带直流成分。如果输入信号有直流成分则必须在输入端串接一只10uF左右的电容隔开,否则将有很大的直流电流流过扬声器,使之发热烧毁。在实践中,若对图5-107再进行适当的改制则效果更为理想。改进后的电路如图5-109所示。在使用中发现,音量开得最大时TDA2822M发热烫手,于是给TDA2822M制作了散热器,如图5-110所示。散热器用厚lmm,长38mm,宽25mm的铝片制成。并在散热片上开5~6个长10mm,宽lmm的槽,再把做热片沿虚线折成“口”形。装散热器时先在TDA2822M上放点硅脂(硅脂可剖开3AX31或 3AX81管壳中取)。按图5-111(a)用细线绑扎紧即可。应注意的是把TDA2822M的引脚数写在散热片的侧面,以免焊接时出错。加散热器后,音量开至最大散热器只暖一点,散热效果不错。此法也可用于其它小集成电路的散热。我们用两个功放电路做成随身听立体声功率接续器,来推动两个小音箱,效果很好。
其实哪里有你们复杂啊,我直接将管角连上,接上扬声器,音源,加上6~12V直流电一切OK了。不过换成不同的音源和扬声器,我发现2822还行。做起来简单,成本也低,比市场上买的那种便宜的有源音箱强多了。
上一篇:专业音响工程施工技术
下一篇:高级音响常见英文符号详解