全球最实用的IT互联网信息网站!
AI人工智能P2P分享&下载搜索网页发布信息网站地图
时间:2007-06-26 12:43
人气:
作者:admin
标签: 功放
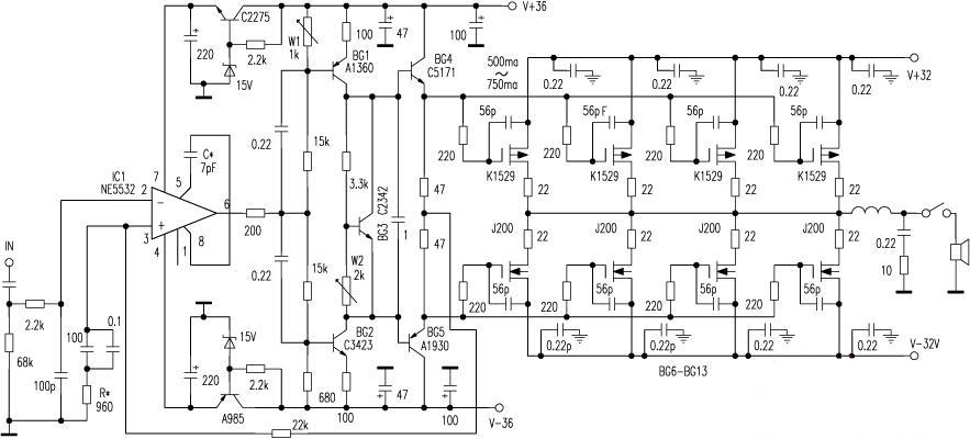
音质醇厚的纯甲类功放电路
上一篇:简单场效应管功放电路图甲类DC功放
下一篇:经典的分立元件功放电路
IEC发布“音视频、信息技术和通信技术设
图像采集卡与千兆卡的区别
低成本、易部署、更高效 | 千视全NDI IP剧
音频电路供电没有负压也能正常输出的原
富信推出新款双P沟道增强型场效应管FS
制冷系统和制冷机一样吗 制冷系统和制冷
CPU | 内存 | 硬盘 | 显卡 | 显示器 | 主板 | 电源 | 键鼠 | 网站地图
Copyright © 2025-2035 诺佳网 版权所有 备案号:赣ICP备2025066733号 本站资料均来源互联网收集整理,作品版权归作者所有,如果侵犯了您的版权,请跟我们联系。