|
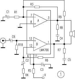
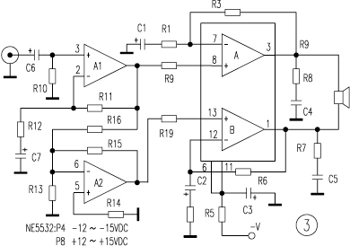
BTL功率放大器由两个放大器组成,负载的两端分别接在两个放大器的输出端。其中一个放大器的输出是另外一个放大器的镜像输出,即负载两端的信号仅在相位上相差180度。负载上将得到原来单端输出的2倍电压。从理论上来讲电路的输出功率将增加4倍。并不是所有的功放块都适用于BTL形式,BTL形式的几种接法也各有优劣。下面对各种接法逐一介绍。 图1是LM4766的第一种BTL接法。输入信号从LM4766放大器B的同相输入端输入,放大器A的反相输入端信号经过R9从放大器B的输出端引入。在负载上得到的输出为此二信号的叠加。但是R9必须严格等于R6,否则这一误差将会被A的放大系数所放大,使A和B的输出信号幅度相差很多。其二由于A的负反馈中C1的存在,A的输出在相位上并不会完全与B的输出相差180度。在实际聆听中也发现,电路的输出在定位与层次感上,的确让人糊涂。但此电路不论是空载还是无输入信号,抑或输入信号的信号源内阻很大,电路皆能正常工作。稳定简单是其优点。 图2是第二种BTL接法。A作为反相放大器,B作为同相放大器。A的增益为-R17/R1,B的增益为(R4+R6)/R4,可取适当的值使二者增益相等。由于A、B放大器的输入信号在相位上是绝对相等的,经过放大后相位即使有延迟,但只要延迟的相位相等,叠加后也不会存在相位混乱的问题。此电路对输入信号源的要求很高。信号源必须在电路上电前加入,而且内阻要足够小。在不接入信号源时,由于A处于开环状态,A基本上会自激。当信号源内阻太大时,A的放大系数会变小。此种接法适用于在电路中加有低输出电阻前级的电路系统中。图3是第三种BTL 法。电路中加有一块NE5532。在A1中使用了C7电容,因此在A1的输出中是不含直流分量的,所以A2可采用直流负反馈,这使得A2的输出与A1的输出正好相差180度,因而不存在图1接法的相位延迟问题。同时由于NE5532的输出内阻是相当小的,它又解决了图2接法中不稳定的问题。 作者对以上三种方法,分别用美国国家半导体的LM1875、LM3886、LM4766和菲利浦的TDA1514做了测试。 LM1875最高电压可达±30V,输出电流可达3A,最大输出功率30W。无过流和温度保护电路。应用于图1接法时,声音有点飘的感觉 。在图2与图3的应用中声音结实有力。在图2中当拔掉音频输入端子时,喇叭中有秃秃的声音,证实它在自激。三种电路输出功率均可达80W左右。 然后以图3方式,对LM3886和TDA1514做了一番比较。 TDA1514最大供应电压是±30V,当负载是8Ω时,推荐用±24V。LM3886的负载是8Ω时推荐用±35V,负载是4Ω时推荐用±28V。 TDA1514应用于BTL方式时容易自激。在每个放大器输出端必须用一个1/4W10Ω电阻与0?047μF电容串连到地。反馈电阻(一般是27kΩ到33kΩ)减小到20kΩ到22kΩ,以减小增益。TDA1514内部有限流保护和最大功率限制电路,在接成BTL电路,发现最大功率达100W左右时,限流电路开始动作。输出端在正弦波的峰顶时被关闭。过了峰顶后又打开,虽然不是很容易听出来,但已严重影响了音质。超过110W时功率限制电路工作,输出端被彻底关掉。 LM3886有独特的SPIKE保护电路,它并不是在输出超额时就简单的关掉电路。SPIKE保护有一个转换区间。LM3886也有固定的温度检测过流保护。最大输出电流比TDA1514稍大,实际最大输出功率60W。在接成BTL时,最大功率可达120W左右。二者音质难分伯仲,只是当LM3886应用于高电压时,其音质在结实方面要胜一筹。 最后对LM4766接成图3方式实验,电路输出功率100W左右,其音质干脆有力,动态范围极佳。 综上所述,在使用BTL电路提高输出功率时,一定要根据系统电路选择合适的电路形式,并且要了解所用集成块的参数,才能设计出合适的应用电路。


|
温馨提示:以上内容整理于网络,仅供参考,如果对您有帮助,留下您的阅读感言吧!
相关阅读
本类排行
相关标签
本类推荐
|