时间:2006-04-17 23:26
人气:
作者:admin
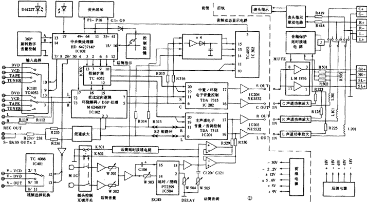
奇声AV-747DB是奇声公司最新推出的家庭影院AV中心,采用前后级分体式结构。其前级以HD6473714P微处理器作控制中心,以超大规模集成电路M62460FP为杜比定向逻辑环绕声解码(PRO.LOGIC)和数字环绕声场效果(DSP)处理的核心,用TDA7315控制主声道(L、R)、中置声道(C)、环绕声道(S)的音量、音调调节。该机除卡拉OK系统以外的所有功能实现了全数字化控制和遥控控制。由于采用了荧光显示屏作操作指示,人机对话功能大大增强,使操作变得非常简单明了。后级对L、R、C、S各声道进行独立的功率放大,输出功率强劲。其输出保护电路具有开机静噪、过流保护、过压保护和输出短路保护等功能。该机的卡拉OK电路采用了PT2399回响集成电路,对人声的表现较为出色,并分别设计了话筒音量、音调和混响深度、延迟时间等控制电路,使用者可以根据自己的喜好进行调节。其前/后级电源电路中几乎每个绕组都安装了保险管,保证了整机安全。该机还附设了超重低音线路输出和两路视频选择切换功能,使用起来十分方便。其原理方框图如图1所示。 |

| 下面介绍AV-747DB功放的信号流程及工作原理。从信号源来的L、R音频信号,由IC101(TC4052)的双路8通道电子选择开关选取后,从③脚、{13}脚出来,分两路走:一路经R112、R119隔离后,作录音输出;另一路从IC102(M62460FP)的{72}脚、{73}脚进入声场处理电路。 M62460FP是一块有80只脚的超大规模集成块,内含PRO·LOGIC解码、DSP声场处理、数字延时处理、杜比降噪、序列噪声测试(TEST)和电子开关控制等多种功能电路,可完成对BY-PASS(信号直通)、PRO·LOGIC、3STEREO(杜比三声道立体声)和DSP等处理方式的选择。在PRO·LOGIC状态下,控制其S、C、R、L的输出状态和信号成分,可以对中置声场进行NORMAL(普通)、WIDE(宽广)、PHANTOM(幻像)等模式的转换,同时能对环绕进行15~30ms的延时时间调整。在DSP状态下,控制内部的电子开关,能选择HALL(大厅)、MUSIC(音乐厅)……等八种声场模式,且能进行15~50ms的延时调整。 L、R音频信号通过M62460FP处理后,产生中置(C)、环绕(S)信号,从⑤脚、⑦脚输出(在直通状态时,C、S声道无输出),这两路信号被送入IC202(TDA7135)进行音量控制,同时经R315、R316送到音频动态显示电路。另外,经过处理的主声道R、L信号从IC102的②脚、③脚输出,然后分三个方向传送:(1)经低通放大后,剩下150Hz以下的超重低音信号(S-BASS)经R235、R236隔离、混和,进行线路输出,供使用者选用。(2)经R313、R314送往音频动态显示电路。(3)经均衡器(EQ)输出、输入接口后,从IC201(TDA7315)的⑥脚、{11}脚进入音量、音调调节电路。 TDA7315是一块专业型音量、音调、平衡电子调节集成块,采用总线控制技术,可以对两路信号的音量、等响度(LOUD)和高、低音音调(TREBLE、BASS)、左右平衡度(BALANCE)进行调节。其内部还包括电子静音开关MUTE,所以能方便地实现各声道的静音功能。该机中置、环绕只使用了音量调节和静音开关,其它均为固定方式。主声道则采用了其全部功能。 R、L和S、C信号经音量、音调调节电路后,分别从IC201、IC202两片集成块的{17}脚、{16}脚输出,再通过NE5532放大,经音频同轴电缆线传输到后级。R、L信号在输出放大前还叠加了来自卡拉OK系统的信号。 音频动态显示电路由信号平滑电路和信号取样电路组成。R、L信号和C、S信号被分别放大、整流、平滑后,变为代表原信号动态幅度的平滑信号,送往取样电路的R、L信号从IC302(TC4051)的{13}脚、{14}脚进入。因为显示屏上把C、S声道合在一段进行动态显示,所以在此把C、S的信号混合成一路,从IC302的{15}脚进入取样电路。IC302受CPU控制,以18ms/次的速率,对{13}、{14}、{15}脚提供的信号进行逐次扫描取样,从③脚取出,送到IC801的{11}脚,再经CPU处理后驱动显示屏显示。 两路话筒(MIC)信号经前置放大后,其信号幅度分别由W501和W502音量电位器来控制。为补偿音量控制电路的信号损耗,两路混合后,又一次进行放大。然后经C106及低通网络进入IC504(PT2399)的{16}脚,经低通放大后,分两路传输:一路从IC504的{15}脚直通输出,另一路经A/D转换、数字延时、D/A转换、低通放大等处理后从{14}脚输出,经电位器W503、C106又回到{16}脚,这样周而复始地循环延时,从而产生回声。W503可以控制回响信号的衰减量,用以调节混响深度(ECHO)。另外,调节IC504②脚外接的W504可以控制延时时间(DELAY),以便调出自己喜爱的效果。处理过的话筒信号经再次放大分两路走:一路经话筒音调调节网络后又分两路进行输出,经射随器隔离后,与主声道的R、L信号叠加;另一路则进入话筒静噪电路。 为避免不插话筒时卡拉OK系统的电噪音进入主声道,影响主声道的音质,以及插入话筒插头时产生“砰”的冲击噪声,该机设计了话筒静噪电路,由话筒延时接通电路和插头控制互锁开关组成,且由话筒插头进行控制:当没有插入话筒插头时,K501、K502常闭接通,其中K502把卡拉OK电路的信号通路直接接地,而K501提供的接地电平,则使延时接通电路的电子开关接通,也把卡拉OK通道接地,同时还使IC801(CPU)的{12}脚为低电平,显示屏中的话筒符号不点亮。当插入话筒插头时,K501、K502在插头的顶碰下断开,IC801的{12}脚被抬升为高电平,显示屏中话筒符号点亮。此时,延时接通电路中的电子开关被时间电容控制,仍继续接通,话筒电路无输出。电容放电一段时间,当其两端电压低于电子开关控制端的门坎电平时,开关断开,卡拉OK电路正常输出。 AV-747DB前级用HD6473714P作中央微处理器,采用总线控制技术,使得各种功能的实现变得非常的容易、简单、可靠,也大大简化了各个控制电路。 和彩电的微处理器电路一样,AV-747DB的人工控制指令主要来自红外遥控器和本机控制按键:红外遥控信号经接收头接收、整形处理后,从IC801的{27}脚进入微处理器。按键控制信号从{15}、{16}脚进入微处理器。 该机采用了360°双向旋转控制机械式脉冲发生器进行音量控制。当顺时/逆时针方向旋转时,{13}、{14}脚不断地与地端接通、断开而获得脉冲信号。如图2所示,由于A、B两定臂与旋转盘的接触点不在同一个半径轴线上,因此在扭动旋转盘时,无论向那个方向,肯定有一个先与地接通/断开,从而使{13}、{14}脚所获得的脉冲在时序上有先有后,微处理器就是根据这两路脉冲的时序先后来确定音量是增大或减小。另外,扭动旋转盘的角度越大,A、B两定臂与地接通/断开的次数就越多,{13}、{14}脚获取的脉冲个数就越多,微处理器就是根据这两路脉冲的多少来确定音量提升/降低的级数的。 ![]() 微处理器IC801将各种指令和状态信息处理后,一边驱动荧光显示屏进行相关信息的显示,一边输出到各个被控制电路实现各种功能。由于IC801的I/O接口不够,又增加了IC802作为接口扩展,以满足各种要求。 |
上一篇:格林牌组合音响的改造升级