时间:2006-04-17 23:28
人气:
作者:admin
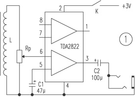
本电路由音频感应线圈L、功放和耳塞三部分组成。功放集成块选用TDA2822,该集成电路灵敏度高、功耗低,电压范围宽(1.8~15V),外围元件少、无噪声(实际运用时,任选一声道即可)。
L可用原耳机上的音频感应线圈,也可自制。自制时可选用∮0.07mm的漆包线在3cm长的磁芯上绕1500匝左右,直流电阻约120欧,线圈匝数少了会降低灵敏度。耳塞采用外接随身听耳塞(本机采用两声道并联)。图中RP为音量电位器,C1为旁路电容,C2为输出耦合电容,电源开关选用微型开关,印制电路自制时可用刀刻。制作好的印制电路如图2所示。印制板可与5号或7号电池夹做得一样大,便于将电池夹固定在铜箔面。音频感应线圈也可贴在印制板的元件面,这样,整机就可以不要外壳。
本电路不需调试,一装即成。整机电流小于5mA,电源电压降至1.8V仍可正常工作。经笔者使用,效果良好,有兴趣者不妨一试。

