全球最实用的IT互联网信息网站!

AI人工智能P2P分享&下载搜索网页发布信息网站地图

当前位置:诺佳网 > 电子/半导体 > 音视频/家电 >

20W单端纯甲类功放

时间:2006-04-17 23:29

人气:

作者:admin

标签: 甲类功放  20W单 

导读:20W单端纯甲类功放- 一幅20W单端纯甲类功放电路图,电路十分简单,所用元件...
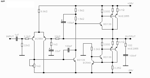
一幅20W单端纯甲类功放电路图,电路十分简单,所用元件很少。符合“简洁至上”的原则,用料普通,易于仿制,看到好多的发烧友对单端纯甲类功放感兴趣,不敢独享,特撰写此文,与广大的音响发烧友交流。原理图如下所示:
 
    电路原理和设计思路,整机电路可以分为四部分:

    输入级:核心电路是由两只BC559组成的差分放大电路,22K对地电阻为三极管的偏置电阻,它的大小同时决定了整个功放的输入电阻。8.2K电阻是差分对管的公共发射极电阻,决定了差分电路的共模抑制比和本级的静态工作电流。经过输入级放大的电流在流经1K可调电阻时产生的电压信号,直接输送到下一级。 1UF电容是整机的输入电容,其容量的大小和制造材料对音质的影响很大。根据理论计算,1UF的电容与输入电阻22K组成了一个高通滤波电路,它的低端转折频率可以用下式计算:f=1000/(2*3.14*22*1)=7.2HZ。(在过去将放大器的低端频响定位在20HZ时,还是可接受以的。现在数码音源大行其道的今天,看来还是高了一些,低端转折频率定在1HZ以下还是可以接受的。)由于该电容的重要性,一定要选择品质优良的进口音频专用耦合电容,在国产的电容中,新德克的品牌还是值得信任的,经过笔者和朋友的试用,效果令人满意,只是体积稍大了些,在设计电路板时要考虑是否能安装得下。 

    8.2K电阻决定了输入级的晶体管静态工作电流,可以由下式进行估算(两管值):VCC/8.2K=20/8.2=2.4MA。由于输入级的晶体管静态工作电流对音质有较大的影响,可以调整该电阻的大小来满足自己的要求。(晶体管静态工作电流小,信噪比高,但是音质发干,低音单薄。如果电流大一些,音质温暖,低音厚实,但是晶体管特有的高频噪声和反映在音频内的电流声也会增加,使信噪比下降。本机取2.4MA还是比较合适的。) 

    电压放大级: 为了简化电路,本机使用一只三极管BD139,采用共射放大电路,还采用了自举电路。 本级的静态电流可以由下式进行估算:VCC/(1.5k+1.5k)=6.8MA。100P的小电容是做频率补偿用的,容量要尽可能的小,如果没有高频自激,可以不用。(当然由于这个小电容的存在对音质有微妙的调节作用,具体怎样处理,看自己的喜好了。) 

    为了保证大信号输出时的幅度特性和线性,同时又不增加太多的元件,本机采用了自举电路,由100UF电容和两个1.5K电阻的分压电路组成。在音响界对于自举电路的批评较多,认为它是一种正反馈,对音质的负面影响较大。由于本电路的出道年代较早,设计前提是“简洁至上”,也许在这里考虑的不是那么全面。

     输出级:在原理图的上部的两只MJE2955和周边的元件组成了单端纯甲类放大电路,下半部分以两只MJE2955为核心组成了大电流恒流源电路。其恒流电流值就是输出级的静态电流。可以根据下式估算:0.65/0.25=2.6A。(其中的0.65V是硅三极管的发射结的PN结正向导通压降)通过改变0.25电阻阻值的大小可以调整输出级的功放管静态工作电流。本电路中,要求在8欧负载上有20W的纯甲类输出,2.6A这个电流显得有点大了,实际上有公式可以估算:P=2*I*I*RL,这样一来有大约为 1.1A就可以满足设计要求,但是我们的扬声器的阻抗并不是象纯电阻一样保持不变的,有时候在特定的频率和极端的情况下,阻抗可能会降得很低。按照电路的设计如果使用4欧的负载,输出40W的纯甲类也是完全能达到!仅仅这种设计的科学态度和严谨的思路是值得我们学习的。 

    扬声器阻抗补偿电路: 因为我们采用的扬声器是感性负载,为了使放大器的负载接近纯电阻,在功放的输出端对地一般都有电阻和电容串联的补偿电路,其电阻的阻值和扬声器的标称阻抗相当,电容的取值为0.1UF-0.22UF,这里不再详述。 

    安装调试注意事项: 电源部分:由于纯甲类单端功放的共模抑制能力很差,又加之本机的静态电流很大,因此对电源的要求很高,最好采用电感滤波电路,但是对于电感的制作和应用后产生的电磁干扰的处理都很让人头痛,采用稳压电路也是很好的选择,只是成本和散热问题也来了,还是忍痛舍弃吧。最终不得已选择了电容滤波电路,变压器的容量要在 1000W以上,次级电压为四线并绕的四组15-18V,电流容量在10A以上,两两串联成两组双电压,分别供给左右声道,整流全桥要选择电流25A以上的,耐压不必太高有200V就足够了。滤波电容的容量每声道正负电源每边不得小于2.2万UF,当然是越大越好了,不过要注意最好用多个小容量的电容并联起来,达到所要求的容量,至于要并联小容量的高频特性好的无极性电容更是必须的。虽然成本增加了,但是效果可是好多了,好在25V的电解电容的价格较低。因为“在好的功放里,电源的成本要占一半!”笔者十分欣赏这个观点。如果采用双单声道设计,从变压器--整流滤波电路--放大电路--输出,各自都是独立的就更好了。 

    制作、调试:正是由于电路简洁,所以音质几乎就是由原器件的特性所决定的。图中标示的晶体管,现在看来已经不太发烧了,读者可以根据现在的流行趋势进行代换。由于电路的发热量较高,要求元件的可靠性一定要高,电阻一律选用1/2W的金属膜电阻,所用电容由于用量较少,一定要选用精品。只要原器件的质量和焊接技术能够保证,整机的调试十分简单,通电前先把1K的可调电阻置于中间位置,在通电以后,调整该电阻使输出端对地电位尽量接近0V 即可,其余都由电路和原器件保证。保持空载半小时以上,观察散热器的温度不太高,其他元件无异常,复测输出端电位不是太大,就可以投入使用了。由于功放的元件还需要老化,可能你要听到靓声,还需要一段很长时间的煲机过程。 

    本文中没有涉及保护电路,为了保护您昂贵的扬声器系统,强烈建议加装安全可靠的喇叭保护电路。

温馨提示:以上内容整理于网络,仅供参考,如果对您有帮助,留下您的阅读感言吧!
相关阅读
本类排行
相关标签
本类推荐

CPU | 内存 | 硬盘 | 显卡 | 显示器 | 主板 | 电源 | 键鼠 | 网站地图

Copyright © 2025-2035 诺佳网 版权所有 备案号:赣ICP备2025066733号
本站资料均来源互联网收集整理,作品版权归作者所有,如果侵犯了您的版权,请跟我们联系。

关注微信