时间:2006-04-15 13:03
人气:
作者:admin
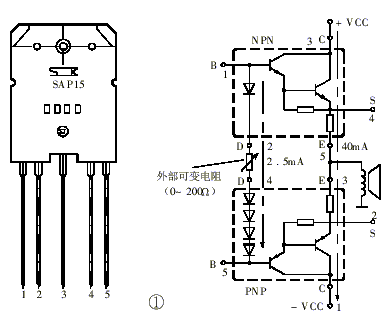
甲类晶体管功率放大器,音色温暖甜美,使人倾心。但甲类功放温升较高,如采用普通的双极性晶体管,则温度稳定性较差,调试困难,使用中也让人担心。本文介绍输出级采用三肯产品SAP15N/P音响对管的甲类功放。SAP15N/P输出电流15A,耐压160V,功率150W,结温150℃。该晶体管内置温度补偿二极管阵列,解决了功放电路中温度补偿延迟的技术难题,它的温度补偿二极管置于晶体管芯片的中心部位,能够快速同步地检测晶体管温度的变化,并对偏置电流进行修正,使之保持恒定。普通双极性晶体管制作的甲类功率放大器,因温度变化,放大器进入稳定的时间较长,往往通电半个小时后才能够稳定下来,而且随着气温的不同,偏置电流也会随着变化。实际使用中,也要煲机半个小时后才能听到真正甲类的音色。而采用SAP15N/P对管,由于它内部温升和补偿的一致,放大器通电几分钟后,就进入稳定状态,其效率高,工作稳定、安全。因此,可以说SAP15N/P对管是甲类功率放大器的最佳拍档。除此之外,SAP15N/P还具有工作线性好、饱和压降小、电源利用率高等诸多优点。SAP15N/P除温度补偿二极管外,内部还自带末前级推动晶体管和射极0.22Ω电阻,具有很高的性价比。图1是SAP15N/P的外形图及内部电气原理图。它有5根引脚。在它的NPN侧内部有一个PN结二极管,PNP侧内部有五个肖特基二极管起温度补偿作用。使用时,在NPN管的二极管和PNP管的肖特基二极管之间加一个可变电阻,以调节空载电流。
图1

图2

工作原理
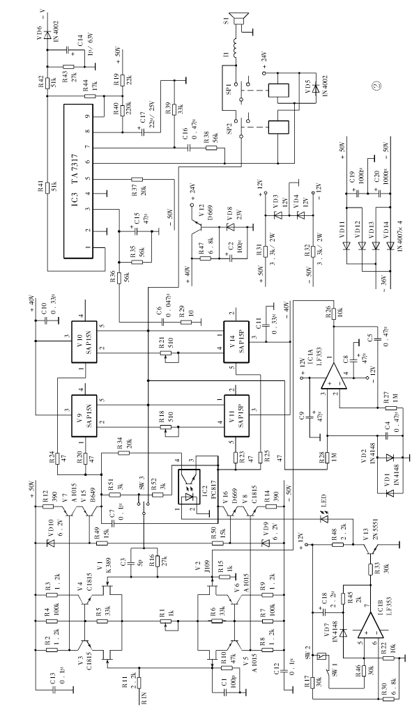
图2示出了采用甲类单声道设计的功放电路。该功放具有温度检测和保护功能,还具有直流中点伺服等特点。其输入级采用了由场效应孪生管V1/V2(K389/J109)和晶体管V3~V6构成的共源-共基电路,该电路高频失真小,动态范围大,信噪比高。在第二级电压放大级中,V15、V16构成双级推挽级联电路,V15/V7和V16/V8分别构成理想的电流源,电流放大分别由V7、V8完成,电压放大由V15/V16完成。扬声器保护电路采用东芝扬声器保护集成电路TA7317(IC3),其中VD6是关机静噪电源检测,接变压器交流端。V12和VD8构成继电器工作电源。场效应集成双运放IC1(LF353)中的IC1A进行直流中点伺服以稳定中点电位;IC1B与V13、温度检测开关SW2以及光电耦合器IC2组成温度检测和保护动作电路。温度开关触点为常闭触点,动作温度90℃,使用时用螺丝固定在散热器上检测温度。正常情况下,温度开关SW3的触点闭合,IC1B的⑤脚电压高于⑥脚,⑦脚输出高电平,V13导通,其集电极呈低电平,光电耦合器IC2无电流通过;当散热器温度到达90℃时,SW3断开,IC1B的⑤脚电压低于⑥脚电压,⑦脚输出低电平,V13截止,其集电极呈高电平,电流流经IC2的①、②端,致使③、④端导通,这时电阻R51对激励信号进行分流,从而减小末级的静态电流,工作状态由甲类改为甲乙类,进而降低晶体管的工作温度,确保其安全。IC1和VD7还组成自保持电路,当温度保护电路动作以后就将IC1B的⑤脚的比较电压钳制在低电平,使功放保持甲乙类工作状态。温度保护动作以后,关机后再开机自动恢复甲类工作状态。SW1是甲类或甲乙类工作方式手动选择开关,可以人为事先设定,SW1闭合是甲类放大,SW1断开是甲乙类放大。发光二极管LED亮时,指示功放工作于甲乙类状态。甲类功率放大器温度较高,有了温度检测和保护,就不会有“天有不测风云”之忧。另外,开关SW3可对末级是否采用大环路负反馈进行选择。功放激励级电源由线路板上的±50V电源提供。为节省体积,便于线路板(250×80mm)贴近散热器一起竖直安装,末级的整流滤波器件不在功放板上,图2中就省去了末级电源的电原理图。
电路调试
为取得较大的动态范围,输入级输出电流取2.5mA,调整电位器R1使R8上的电压降为3V;这时第二级电压
音响广场
甲类晶体管功率放大器,音色温暖甜美,使人倾心。但甲类功放温升较高,如采用普通的双极性晶体管,则温度稳定性较差,调试困难,使用中也让人担心。本文介绍输出级采用三肯产品SAP15N/P音响对管的甲类功放。SAP15N/P输出电流15A,耐压160V,功率150W,结温150℃。该晶体管内置温度补偿二极管阵列,解决了功放电路中温度补偿延迟的技术难题,它的温度补偿二极管置于晶体管芯片的中心部位,能够快速同步地检测晶体管温度的变化,并对偏置电流进行修正,使之保持恒定。普通双极性晶体管制作的甲类功率放大器,因温度变化,放大器进入稳定的时间较长,往往通电半个小时后才能够稳定下来,而且随着气温的不同,偏置电流也会随着变化。实际使用中,也要煲机半个小时后才能听到真正甲类的音色。而采用SAP15N/P对管,由于它内部温升和补偿的一致,放大器通电几分钟后,就进入稳定状态,其效率高,工作稳定、安全。因此,可以说SAP15N/P对管是甲类功率放大器的最佳拍档。除此之外,SAP15N/P还具有工作线性好、饱和压降小、电源利用率高等诸多优点。SAP15N/P除温度补偿二极管外,内部还自带末前级推动晶体管和射极0.22Ω电阻,具有很高的性价比。图1是SAP15N/P的外形图及内部电气原理图。它有5根引脚。在它的NPN侧内部有一个PN结二极管,PNP侧内部有五个肖特基二极管起温度补偿作用。使用时,在NPN管的二极管和PNP管的肖特基二极管之间加一个可变电阻,以调节空载电流。
工作原理
图2示出了采用甲类单声道设计的功放电路。该功放具有温度检测和保护功能,还具有直流中点伺服等特点。其输入级采用了由场效应孪生管V1/V2(K389/J109)和晶体管V3~V6构成的共源-共基电路,该电路高频失真小,动态范围大,信噪比高。在第二级电压放大级中,V15、V16构成双级推挽级联电路,V15/V7和V16/V8分别构成理想的电流源,电流放大分别由V7、V8完成,电压放大由V15/V16完成。扬声器保护电路采用东芝扬声器保护集成电路TA7317(IC3),其中VD6是关机静噪电源检测,接变压器交流端。V12和VD8构成继电器工作电源。场效应集成双运放IC1(LF353)中的IC1A进行直流中点伺服以稳定中点电位;IC1B与V13、温度检测开关SW2以及光电耦合器IC2组成温度检测和保护动作电路。温度开关触点为常闭触点,动作温度90℃,使用时用螺丝固定在散热器上检测温度。正常情况下,温度开关SW3的触点闭合,IC1B的⑤脚电压高于⑥脚,⑦脚输出高电平,V13导通,其集电极呈低电平,光电耦合器IC2无电流通过;当散热器温度到达90℃时,SW3断开,IC1B的⑤脚电压低于⑥脚电压,⑦脚输出低电平,V13截止,其集电极呈高电平,电流流经IC2的①、②端,致使③、④端导通,这时电阻R51对激励信号进行分流,从而减小末级的静态电流,工作状态由甲类改为甲乙类,进而降低晶体管的工作温度,确保其安全。IC1和VD7还组成自保持电路,当温度保护电路动作以后就将IC1B的⑤脚的比较电压钳制在低电平,使功放保持甲乙类工作状态。温度保护动作以后,关机后再开机自动恢复甲类工作状态。SW1是甲类或甲乙类工作方式手动选择开关,可以人为事先设定,SW1闭合是甲类放大,SW1断开是甲乙类放大。发光二极管LED亮时,指示功放工作于甲乙类状态。甲类功率放大器温度较高,有了温度检测和保护,就不会有“天有不测风云”之忧。另外,开关SW3可对末级是否采用大环路负反馈进行选择。功放激励级电源由线路板上的±50V电源提供。为节省体积,便于线路板(250×80mm)贴近散热器一起竖直安装,末级的整流滤波器件不在功放板上,图2中就省去了末级电源的电原理图。
电路调试
为取得较大的动态范围,输入级输出电流取2.5mA,调整电位器R1使R8上的电压降为3V;这时第二级电压
音响广场
放大级输出电流为6mA左右:SAP15N/P要求流过内部二极管的电流为2.5mA,这6mA的电流供两对SAP15N/P使用(R51、R52有几百微安的分流)。因流经两对SAP15N/P对管内部温度补偿二极管电流的分流关系,如单独调整一边,会出现“跷跷板”现象,调整时,应轮流少量地往上或往下调节静态电流,不要一次到位,逐渐使两对功率管的静态电流趋近一致,每对管电流为800mA,即甲类输出50W(50W以上为乙类)所需要的电流,或根据自己的情况和散热器的大小决定静态电流的大小。甲类静态电流调好后,断开SW1,人为设置甲乙类工作方式,这时末级静态电流应下降,调整分流电阻R51的阻值,以获得自己所需的甲乙类偏置电流,比如200mA,由每对管100mA分担。调整完毕,待稳定后,就可实际试听,甲类功放温暖的音色大家都有共识,这里不再渲染,只对不同负反馈的选择上对听音作一比较。末级选择无大环路负反馈,因避免了扬声器反电动势对前级的影响,低音听起来要重一些,很柔,并富有弹性,但中高音细节的清晰度比起有大环路负反馈来,似乎稍逊色一点,不过辨别起来不是很明显。因此实际使用中,可根据个人的爱好和音乐的不同风格来进行选择。以笔者之见,低音较丰富的音乐,大动态的音乐,用末级无大环路负反馈方式比较好;弦乐、古典乐、交响乐和独唱可选用末级大环路负反馈。