全球最实用的IT互联网信息网站!

AI人工智能P2P分享&下载搜索网页发布信息网站地图

当前位置:诺佳网 > 电子/半导体 > 音视频/家电 >

[图文]高保真双声道功放HSH8927

时间:2006-04-15 13:08

人气:

作者:admin

标签: 8927  图文高保 

导读:[图文]高保真双声道功放HSH8927- HSH8927是PHILIPS公司新出的双...


 

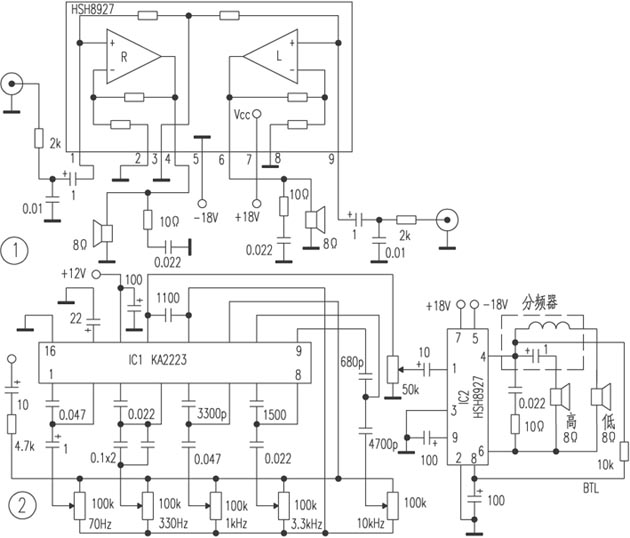
    HSH8927是PHILIPS公司新出的双声道音响电路,其内部设有输入静噪功能,开/关机无电流冲击声,并具有过载短路保护,适于家庭影院Hi-Fi放大器的配套。
    该IC是单列9脚封装,其主要电参数:工作电压典型为±16V,极限为±20V,输出功率在VCC=±18V时,在4Ω负载上每声道为30W,BTL接法可达80W;总失真度为0.15%;立体声道分离度为65dB;静态电流为70mA;闭环电压增益31dB。引脚功能:①R声道同相输入端;②R反相输入端;③内部中点电位;④R声道输出;⑤电源负极;⑥L声道输出;⑦电源正极;⑧L反相输入端;⑨L同相输入端。图1是HSH8927双声道简易功放电路,采用双电源供电,适合驳接台式收录机,若接VCD音频信号,必须加设前置驱动放大电路。如果需要更大的输出功率,可选用图2的BTL电路,输出功率可达80W。IC1是一个集成化5频点均衡器,调节各电位器可在70Hz、330Hz、1kHz、3.3kHz、10kHz的频段进行音频的提升或衰减。
    注意事项:1.通电之前必须给IC装上散热片;2.金属散热片千万不要碰触电源线的正极或负极,否则触之即毁器件;3.要有足够的输出功率,电源变压器功率要大于功放的输出功率,并采用桥式整流滤波。

       


 

温馨提示:以上内容整理于网络,仅供参考,如果对您有帮助,留下您的阅读感言吧!
相关阅读
本类排行
相关标签
本类推荐

CPU | 内存 | 硬盘 | 显卡 | 显示器 | 主板 | 电源 | 键鼠 | 网站地图

Copyright © 2025-2035 诺佳网 版权所有 备案号:赣ICP备2025066733号
本站资料均来源互联网收集整理,作品版权归作者所有,如果侵犯了您的版权,请跟我们联系。

关注微信