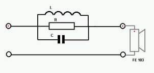
The crossover network
This is one of those things you just have to design by ear. No computer simulations here. I had tried simulating it with the help of software but what measured good and what sounded good were two different worlds. All that is used here is a simple notch filter to lower the midrange output level to match the bass and treble better. Even though the drivers used are rather cheap I would advise to use the best filter components you can get (there are only three per speaker so I won’t cost that much). The inductor must have an air-core for no saturation and low distortion. The lower Rdc the better, it improves bass response. It is amazing how sensitive the capacitor is, using a standard Audyn Cap MKP or similar is a waste! A good price/quality ratio is achieved with a LeClanché or Solen Fast Cap. When a high-end Audyn Cap Plus, Mundorf Supreme Cap or Hovland Musicap is used the amount of extra clarity and detailing is unbelievable. I used a metal oxide resistor, here again personal taste will determine what is needed, standard cemented resistors are out of the question.
Filter components:
L = 0,82 mH air-core inductor 2,00 mm wire, R = 0,15 W (tolerance max 2%)
C = 4,7mF MKP polypropylene foil capacitor - Audyn Cap Plus, Mundorf Supreme Cap or Solen Fast Cap (tolerance max 2%)
R = 10 W 10 watts metal film resistor (tolerance max 2%)






















560)this.width=560" border=0 dypop="按此在新窗口浏览图片">
温馨提示:以上内容整理于网络,仅供参考,如果对您有帮助,留下您的阅读感言吧!
相关阅读
本类排行
相关标签
本类推荐
|