全球最实用的IT互联网信息网站!

AI人工智能P2P分享&下载搜索网页发布信息网站地图

当前位置:诺佳网 > 电子/半导体 > 音视频/家电 >

[组图]直流放大器

时间:2006-04-15 13:20

人气:

作者:admin

标签: 流放大器  组图直流 

导读:[组图]直流放大器- 直流放大器直流放大...
直流放大器
直流放大器能够放大直流信号或变化极其缓慢的交流信号,它广泛应用于自动控制仪表,医疗电子仪器、电子测量仪器等。常用的直流放大电路有单端式直流放大器、差动式直流放大器、调制型直流放大器等。
一、单端式直流放大器

单端式直流放大器需要解决级间直流电平配置问题,如下图(a)的电路是利用电阻Re2拉低BG2的射极电位以满足直流电平配置要求(即令Ube2=Uc1-Ue2).下图(b)的电路是利用D1及D2作电平配置。使BG2、BG3的偏听偏信置电压分别为Ube2=0.3伏、Ube3=0.45伏。D3起保护作用,避免使BG1基极受到过大的反压,如果前级输出电压主和后级输入电压相差较大,可以利用硅稳压管的稳定电压来代替硅二极管的作用。下图C的电路是利用较大的Rc1、Rc2来提高集电极电压,以实现前后级直流电平的配置。下图D的电路是利用PNP(BG1和BG3)与NPN(BG2)的极性相反来进行电平配置于,BG1的输出电流是BG2的输入电流,BG2的输出电流是BG2的输出电流是BG3输入电流,较好地实现了级间耦合,上述四种电路的最大缺点是零点漂移大。

二、差动式直流放大器
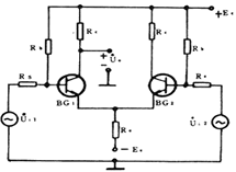
图2(a)是差动式直流放大电路的一种型式。它是由BG1、BG2一对特性相同的晶体管组成,而且电路元件也都是对称的。输入信号人别为Ui1、Ui2;单端输出信号分别是Uc1、Uc2;双端输出为UC1与UC2之差,即UO=UC1-UC2O差动电路具有下列特点:
1、具有抑制零点漂移能力
差动电路由于管特性相同和电路元件对称,所以当温度升高时,两管的集电极电流将得到同样的增量,即△IC1=IC20而双端输出为UO=IC1RC-IC2RC=0,所以输出没有零点漂移。
2、共模输入时,具有抑制放大能力
通常把幅度相等,相位相同的一对输入信号,称为共模信号,由下列电路图A可见,当Ui1=Ui2时,在对称条件下,则双端输出Uo=KUil-KUi2=0,
3、差模输入时,具有放大能力
通常把幅度相等,相位相反的一对输入信号,称为差模信号。当Ui1=-Ui2差模输入时,两面三刀管集电极输出分别为Uc1=-KUi1、Uc2=-KUi2;所以,差模放大倍数Kud: Kud=(Uc1-Uc2)/(Ui1-Ui2)=(-Ui1K-Ui1K)/2Ui1=-K=(-)(hfeRc)/(Rs+hie)
由于差动电路的双端输入电压、双端输出电压均比单管共射放大电路多了一倍,所以差模放大倍数Kud与单管共射电路的放大倍数相同
为提高抑制零漂能力,应使共模放大倍数越小越好,差模放大倍数越大越好,因而利用共模抑制比CMRR*=Kud/Kuc作为评价差动放大电路性能好坏的重要指标。
图2
4、具有稳定静态工作点的能力
图2(a)的射极度电阻Re对共模信号及温漂电平均有很强的负反馈作用。例如在温度升高时,Ic1、Ic2都同时增加,并产生下列负反馈过程:
结果使IC1、IC2的实际变化相对地减小,这里Re起着恒流作用,从而稳定静态工作点,显然Re越大,恒流作用也越大,抑制零漂的能力也就越强,引入辅助电,以抵消Re的压隆。使射极度对地电位能维持正常的数值。值得注意的是,对差模信号,Re不起负反馈作用,因此,它不会降低差模信号的放大倍数。
表一四种形式(图2)的差动放大器的比较
接法双端输入、双端输出(a)单端输入、双端输出(b)双端输入、单端输出(C)单端输入、单端输出(d)
差模放大倍数Kud=-(βRc/Rs+rbe)Kud=-(βRc/Rs+rbe)Kud=-[βRc/2(Rs+rbe)]Kud=-[βRc/2(Rs+rbe)]
共模放大倍数Kuc→0很小很小Kuc→0
共模抑制比很高很高
差模输入阻抗Rid=2(Rs+rbe)Rid=2(Rs+rbe)Rid=2(Rs+rbe)Rid=2(Rs+rbe)
差模输出阻抗Rod=2RcRod=2RcRod=2RcRod=2Rc
用途

常用在多级放大的中间级、输入级、也可作输出级

将单端输入转为双端输出,常用在输入级将双端转为单端输出,常用在中间级和输入级用在输入输出需要一端接地的地方、常用在控制电路稳压电源
温馨提示:以上内容整理于网络,仅供参考,如果对您有帮助,留下您的阅读感言吧!
相关阅读
本类排行
相关标签
本类推荐

CPU | 内存 | 硬盘 | 显卡 | 显示器 | 主板 | 电源 | 键鼠 | 网站地图

Copyright © 2025-2035 诺佳网 版权所有 备案号:赣ICP备2025066733号
本站资料均来源互联网收集整理,作品版权归作者所有,如果侵犯了您的版权,请跟我们联系。

关注微信