阅读全文2019-09-23
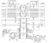
HDMI 1.3a协议采用iCoupler隔离技术实现电气隔离
阅读全文2019-09-23
阅读全文2019-09-23
阅读全文2019-09-23
阅读全文2019-09-23
阅读全文2019-09-21
阅读全文2019-09-21
阅读全文2019-09-21
阅读全文2019-09-21
阅读全文2019-09-20