时间:2022-07-28 15:38
人气:
作者:admin
可穿戴健康和健身监测器使用各种技术来收集广泛的运动、总体健康和睡眠信息。对于设计者来说,问题在于如何满足最终用户针对这些可穿戴监测器提出的多功能需求,具体包括脉搏血氧仪 (SpO2)、光密度计 (PPG)、心电图 (ECG)、血压和呼吸频率测量仪。每一个额外功能都会增加设计者已经面临的集成、电源管理、性能、重量、开发时间和成本方面的挑战。
例如,SpO2 解决方案通常需要复杂的电子器件,包括多个集成电路 (IC),用来通过发光二极管 (LED)、光敏器、跨阻放大器 (TIA)、模数转换器 (ADC) 和相关算法创建一条穿过人体的光路。ECG 需要一个具有前端仪表放大器和 ADC 的高灵敏度、低噪音模拟电路。这些分立系统还使用额外的硬件来减少环境光的影响,抑制电磁干扰 (EMI)。虽然这些解决方案切实可行,但它们需要大量的 PC 板空间和定制固件,从而增加了成本并延长了开发时间。现在需要的是一个能够解决许多类似设计问题的、更完整、集成度更高的集成解决方案。
本文介绍可穿戴设备和一个由 LED 驱动器、TIA、带通滤波器、积分器和 ADC 组成的多参数检测器。本文将介绍如何使用多参数监测器(Analog Devices 的 ADPD4101)和相关开发板来简化、加速设计。
模拟前端概述
生命体征监测超越了医疗实践界限,延伸到人们的日常生活中。最初,健康生命体征监测是在医院和诊所的严格医疗监督下进行的。微电子工艺和设计的进步降低了可穿戴检测器的成本,从而使得远程医疗、运动和健身监测成为可能。随着向可穿戴设备阵容的扩展壮大,与健康有关的质量标准会继续满足用户更高水平的期望。
生命体征监测包括测量一系列可以显示个人健康状况的生理参数。例如,SpO2 测量可以用来检测血液含氧量的百分比和心率。用于 SpO2 可穿戴设备的合适传感器是 LED 和光电二极管。
心电图和生物阻抗测量能够确定心率、呼吸、血压、皮肤电导率和身体组成。这些检测生命体征的解决方案必须紧凑、节能和可靠。监测这些关键体征需要进行光学、生物电势和阻抗测量。
光学生命体征信号路径
SpO2 测量血液中的氧饱和度百分比和其他生命体征。血液含氧量的测量采用 SpO2 技术,该技术可评估 LED 在不同光学频率下透过身体的光线。SpO2 测试可以识别氧合不良,表示有影响呼吸系统的疾病或紊乱的发生。测量SpO2的数据也可以估计出真正的动脉血氧饱和度,以及血氧浓度(SaO2)。
在进行 SpO2 测量时,光学系统需要一个由各种 LED 和光电探测器组成的工具盒。光学测量的典型信号链含有可以产生几种波长的 LED,用于全面识别相对血氧水平。测量时,一系列硅光电二极管将接收到的 LED 光信号转化为光电流。光电二极管电流经过放大和 ADC 转换会产生所需的分辨率和精度(图 1)。

图 1:SpO2 测试的信号链从穿过病人身体的 LED 光信号开始。一个光电二极管用于捕捉穿过身体的信号,将 LED 光转换为皮安培 (pA) 电流信号。一个 TIA 将该电流转换为电压并将其发送至 ADC。(图片来源:Analog Devices,由 Bonnie Baker 修改)
SpO2 测试时使用 940 nm 波长红外 (IR) LED 和 660 nm 红色波长 LED。通过 940 nm 的红外波长,含氧血红蛋白吸收更多的红外光。脱氧血红蛋白会吸收更多的 660 nm 红色波长的光。光电二极管独立地接收来自两个 LED 的非吸收光。然而,这些 LED 并不同时发射光线。有一个 LED 脉冲序列,以确保交叉误差可以忽略不计(图 2)。

图 2:SpO2 设备的 660 nm 红光 LED (PulseRED) 和红外 LED (PulseIR) 的计时会确保了没有一个 LED 光信号会发生泄露。(图片来源:Bonnie Baker)
来自 LED 的感知信号会产生交流和直流分量。交流分量代表动脉血的脉动性。直流分量是一个常数,表示由于组织、静脉血和非搏动动脉血决定的光吸收量。该分量是动脉的非时变部分,发生在心脏的静止阶段。等式 1 给出了 SpO2 百分比的计算方法:

等式 1
分立式 SpO2 测量电路包括六个关键系统:LED 驱动放大器、TIA、模拟增益级、ADC、控制 LED 驱动放大器的数模转换器 (DAC),以及用于 ADC 和 DAC 的模拟电压基准。
LED 驱动放大器需要在两个通道之间循环,以确保红光和红外光不会相互渗入。TIA 接收光电二极管的电流并将其转换为电压输出。增益放大器增大了信号的幅值,为 TIA 电压输出端的 ADC 输入范围做准备。在增益放大器之后,通过一个 ADC 将信号数字化并将其发送到微控制器或 DSP。最后,整个信号链需要一个模拟电压基准。
生物电势和生物阻抗测量
生物电位是一种由于身体的电化学活动而产生的电信号。例如,ECG(心电图)就是生物电势的测量结果。一个特别低的心跳信号振幅是 0.5 mV 到 4 mV,频率为 0.05 Hz 到 40 Hz。
在医院或医生的办公室,医生通过在固定在病人皮肤上的电极来监测病人的心脏活动。湿电极可确保良好的身体接触,通常是银/氯化银 (Ag/AgCl) 贴片。使用可穿戴设备的人发现,这些电极非常不舒服,很容易变干或刺激皮肤。
可穿戴心电图电路就成为一种替代方案,这种电路会在检测电容上积累电荷。利用由无源电阻电容 (RC) 网络计算出的优化时间常数,充电过程消除了皮肤电极接触阻抗的变化。在图 3 中,心电图信号耦合到一个 RC 网络和 TIA1。这种心电图电路本身丝毫不会受到皮肤电极接触阻抗变化的影响。

图 3:ECG+ 和 ECG- 贴片与病人之间是干式连接。这些贴片将表皮电荷的变化传递给 RC 网络。BIO-Z1 和 BIO-Z2 是通过身体贴片阻 (RBIO-Z) 连接的,并使用 TIA2 测量与 RBIO-Z 并联的皮肤电阻的变化。(图片来源:Analog Devices,由 Bonnie Baker 修改)
生物阻抗是另一种提供有用物理信息的测量参数。阻抗测量值提供了有关身体组成和水化水平的皮肤电活动信息。图 3 中的第二个传感电路通过使用一个与皮肤电阻并联的贴片电阻 RBIO-Z 来测量皮肤电阻。这个测试不需要 LED 信号。除非病人在贴片下面产生湿气或汗液,否则皮肤电阻大约为无穷大。人体汗液的产生减小了并联皮肤电阻,增加了进入 TIA2 反相输入电流。
可穿戴式健康、健身监测器为我们带来了独特的组合式生理检测挑战。每一个额外的要求都会增加电路复杂性和 PC 板空间。随着健康和健身监测器选项的增加,对高度集成、复杂和紧凑的集成电路的需求也不断增加。
多模态集成传感器
ADPD4100 和 ADPD4101 IC 是完整的多模态传感器前端,可激励 8 个LED,并通过多达 8 个独立的电流输入来测量返回信号。有 12 个时隙可供选择,使得每个采样期都能进行 12 次独立测量。模拟输入可以是单端驱动,也可以是差分对形式。八个模拟输入复用为一个通道或两个独立的通道,允许对两个传感器同时进行采样。这两种产品的唯一区别是,ADPD4100 有一个 SPI 接口,ADPD4101 有一个I2C 接口(图 4)。

图 4:ADPD4100 和 ADPD4101 的功能框图给出了 LED 的驱动输出通道和模拟输入通道。输入通道接收光电二极管或电容电流信号,以便通过 ADC 进行转换。(图片来源:Analog Devices)
在图 4 中,数字处理定时控制具有 12 个时隙,实现了在每个采样周期内都可进行 12 次独立测量。结合外部 LED 和光电二极管,ADPD4100/ADPD4101 的灵活架构有助于设计者通过收集生物电位和生物阻抗数据来满足他们的可穿戴测量需求。ADPD4100 含有一个带有数字 SPI 接口的完整模拟模块。ADPD4101 的数字接口是 I2C。
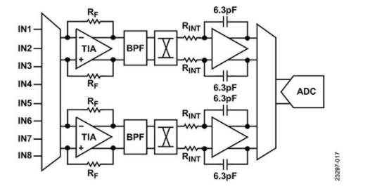
ADPD4100/ADPD4101 模拟信号路径包括 8 个电流输入,可配置为单端或者进入两个独立通道之一的差分对(图 5)。

图 5:模拟信号路径框图中有八个模拟输入端子和两个 TIA。带通滤波器 (BPF) 在积分器之前,有助于提高 ADC 的分辨率。(图片来源:Analog Devices)
在图 5 中,通过两个 TIA 通道可以选择同时对两个传感器进行采样。每个通道可以接入一个具有可编程增益 (RF) 的 TIA,一个带通滤波器 (BPF)(其高通角频率 100 kHz,低通截止频率为 390kHz),以及一个能够对每个采样值进行 ±7.5 微微库伦 (pC) 积分的积分器。每个通道都被时分复用到一个 14 位 ADC 中。在图 5 中,RINT 是积分器输入的串联电阻。
ADPD4100/ADPD4101 解决了设计者在从事可穿戴设备工作时面临的诸多挑战。生物医学前端以其高性能、双通道传感器输入级、激励通道、数字处理引擎和定时控制能力而满足了所有的要求。这一代多模态传感器的信噪比规格提高到了 100 分贝 (dB),整个系统的功耗降低至(30 微瓦 (µW))。
ADPD4101 评估板
EVAL-ADPD4100Z-PPG 评估板(图 6)非常适合考虑使用 ADPD4100/ADPD4101 光度计前端的设计人员。该板为生命体征监测应用提供了一个简单的分立式光学设计,特别是基于手腕的 PPG。

图 6:EVAL-ADPD4100Z-PPG 评估板有助于评估 ADPD4100/ADPD4101,该器件适合基于手腕的 PPG 设计。光学元件(右)包括三个绿色、一个红外和一个红色 LED 以及一个光电二极管。(图片来源:Analog Devices)
EVAL-ADPD4100Z-PPG 有三个绿色、一个红外和一个红色 LED,这些 LED 均采取单独驱动。还有一个单独的板载光电二极管,使得该评估板可以立即投入使用。
ADPD4101 参考设计
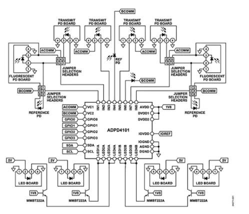
EVAL-CN0503-ARDZ 参考设计是用于将传感器连接 ADPD4101 的一种有用工具。该参考设计并非专门针对可穿戴式监测器,但非常有助于了解 CN0503 用户指南是如何说明 EVAL-CN0503-ARDZ 使用 ADPD4101 检测浊度、pH 值、化学成分和其他物理特性的。EVAL-CN0503-ARDZ 参考设计是一个可重新配置的多参数光学液体平台,可用于比色和荧光测量(图 7)。

图 7:Devices EVAL-CN0503-ARDZ 光学液体测量平台的简化图。(图片来源:Analog Devices)
EVAL-CN0503-ARDZ 与 EVAL-ADICUP3029 开发板相结合,可提供四个可配置光路(图 8)。两条外部光路还包括垂直光电二极管和滤光片托架,用于荧光和散射测量。每个光路都有一个激励 LED、聚光镜、分光器、参考光电二极管和发射光电二极管。

图 8:完全组装好的位于顶部的 EVAL-CN503-ARDZ,EVAL-AIDCUP3029 位于底部。(图片来源:Analog Devices)
这种光学设置与 CN0503 设备驱动器和 Wavetool 评估软件相结合,提供了一条通往综合性液体光学分析的途径。
结语
设计师们一直被要求为可穿戴检测器增加更多功能。这样会使设计过程更加杂化、更慢并增加元件的成本、功耗。这就需要一种更全面的健康监测方法。
如图所示,Analog Devices 的 ADPD4101 实现了一个 LED、光电探测器、ADC 信号路径和 12 个定时信号路径的组合,为可穿戴医疗和娱乐设备创造了一个坚固耐用的高精度检测系统。凭借 ADPD4101 的多个 LED、模拟通道以及出色的计时算法,该器件为可穿戴 SpO2、心脏 ECG 和皮肤电阻测量提供了一种理想的解决方案。
下一篇:耳机的主动降噪技术应用
1TOPS算力+6nm工艺,功耗再降30%!BES6000即将