时间:2024-01-30 15:02
人气:
作者:admin
本应用笔记介绍了彩色 LCD 模块与 EP72xx 和 EP73xx 的连接。它介绍了 EP72xx LCD 控制器说明、颜色支持、LCD 模块接口端口以及彩色 LCD 模块接口示例。
本应用笔记介绍了彩色 LCD 模块与 EP72xx 和 EP73xx 的接口。它介绍了 EP72xx LCD 控制器说明、颜色支持、LCD 模块接口端口以及彩色 LCD 模块接口示例。本文档还简要介绍了提供 LCD 模块的产品的灰度工作原理。
EP72xx LCD 控制器说明
LCD 控制器提供所有必要的控制信号,以直接连接到单面板、多路复用 LCD 模块。EP72xx 使用通用内存架构 (UMA) 来存储视频帧,大小可编程至 128 kB。面板尺寸是可编程的,基本上可以支持任何可用的面板尺寸,包括对完整 VGA 尺寸的支持。可以对从 32 到 1024(以 16 像素为增量)的任何宽度(线长)进行编程。支持的总行数仅由编程的总帧黄油大小除以编程的面板宽度和颜色深度决定。
灰度工作原理
当产品具有提供不同灰度级的 LCD 模块时,它实际上并没有使用可以编程以不同强度级别驱动每个像素的显示器。显示器实际上只能完全“打开”到“关闭”,反之亦然。典型的响应时间为数百毫秒。用于灰度缩放的技术利用了这个弱点。用于驱动每个像素的调制技术。该技术在固定时间段内驱动每个像素一定百分比的时间。
颜色支持
当与所谓的单色 LCD 模块一起使用时,它可支持多达 15 种不同的灰度级。
注意:正确的数字是 15,而不是 16。这是因为中间两个灰度级的对比度相同,因此只能提供一个级别而不是两个级别。
彩色显示器的每个像素具有三个子像素。每个像素由三个子颜色像素(红色、绿色和蓝色)组成。与上述灰度缩放技术相同的技术也适用于彩色显示器。因此,可以调制每个子颜色像素以提供支持其颜色的 15 种不同色调的感知效果。因此,一个像素可以用十五种可能的红色、绿色和蓝色色调之一来驱动。
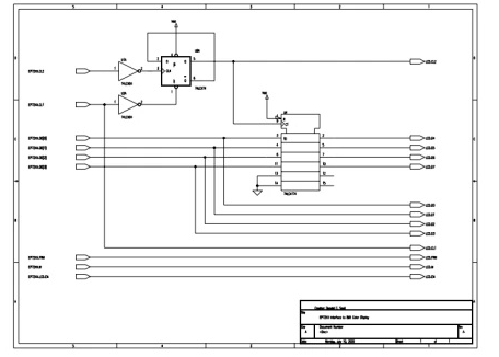
彩色液晶模块接口示例
EP72xx 8 位彩色显示器接口

图 1 的原理图描述了将 EP72xx LCD 控制器连接到 Sharp LM057QCTT03 1/4 VGA 彩色 LCD 模块的示例解决方案。该显示器有一个 8 位数据接口。该逻辑的目的是将 4 位接口转换为 8 位接口。它用两个 4 位半字节创建一个 8 位接口。该逻辑对 LCD 控制器寄存器的编程没有影响。LCD 控制器将提供相同的刷新率和像素颜色深度。
上一篇:显示控制器块的显着特征
下一篇:LED照明控制器IC的应用