全球最实用的IT互联网信息网站!
AI人工智能P2P分享&下载搜索网页发布信息网站地图
电脑电视 (PCTV) 技术
阅读全文2010-09-25
EL显示器的发展历史
高效LED驱动器LTC3219的应用
阅读全文2010-09-23
城市路灯远程控制系统解决方案
阅读全文2010-09-17
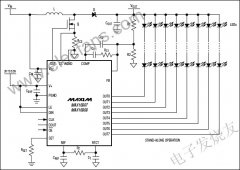
8通道LED驱动器MAX16807
阅读全文2010-09-15
LED灯的散热管理的低功耗设计
阅读全文2010-09-13
友达光电首度入选2010道琼世界永续指数成份股
STN-LCD彩屏模块结构设计
阅读全文2010-09-12
LED灯光节能性的产生原理
阅读全文2010-09-09
安森美先进LED驱动器解决方案分析
阅读全文2010-09-06
TÜV莱茵为京东方液晶显示面板颁发碳足迹
三星显示与杜比携手推进车载OLED显示技术
浅谈显示屏的接口类型
苹果Vision Pro头显设备12月17日在中国台湾
CPU | 内存 | 硬盘 | 显卡 | 显示器 | 主板 | 电源 | 键鼠 | 网站地图
Copyright © 2025-2035 诺佳网 版权所有 备案号:赣ICP备2025066733号 本站资料均来源互联网收集整理,作品版权归作者所有,如果侵犯了您的版权,请跟我们联系。