时间:2018-06-12 14:10
人气:
作者:admin
持续监测心脏活动可以测量心率变异性(HRV),该参数可以了解到心脏健康状况和其他疾病。
本设计实例是一款全新的脉搏血氧计设计,使用起来非常简单,并且功能强。借助优异的性能,它甚至可以作为单独设备使用,以监测心率及血氧饱和度。
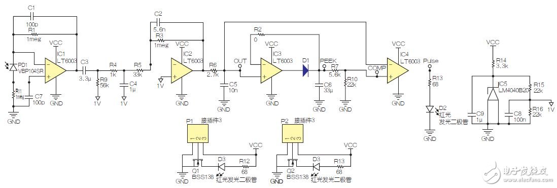
该系统的核心部件包括超亮红光LED (KA - 3528SURC)、红外线LED(VSMB3940X01-GS08)、对两种光的波长同样敏感的光电二极管(VBP104SR)。
运算放大器LT6003为整个系统的基本构件,在电路的几个放大级均有使用。在图1中,IC1充当跨阻抗放大器使用,将光电二极管产生的电流转换为电压。这一级提供高增益,从而使几乎人体的每个部位都能使用传感器。运算放大器IC2充当30倍增益的反相放大器。

图1:脉搏血氧计。
比较器IC4负极输入使用峰值检测器电路连接至修正信号。IC3 、D1 、C6 等元器件用于检测并保持输入信号的最大电压。R7和R10用来对C6电容器放电。该电路用作基准电压,即使是传感器在人体上位置的突然变化,其所产生的微弱脉搏也都被检测到。
该电路配备了一个高通滤波器和两个低通滤波器,用于滤除外部光线变化或交流闪光灯闪烁产生的不期望的干扰信号。高通滤波器和第一个低通滤波器的频率设置为0.86Hz和159Hz。高通滤波器和低通滤波器的其他端子并未接地,而是接到1V基准电压,以增加对检测信号的偏置,以便后续处理。基准电压由LM4040和分压器(R15、R16)产生。经过IC2后,频率设为5.9Hz的第二个低通滤波器对信号进行处理,进一步滤除其他不期望的干扰信号(见图2、图3)。
图2:COMP节点(CH1)和脉搏节点(CH2)随时间变化的电压输出。
图3:输出节点上的信号。
本文并未对脉搏读取过程展开论述,其可以通过带ADC的MCU来完成。MCU用于控制LED,检测信号,并将信号转换为血样饱和度。即使采用窄带带通滤波器也可以对血氧饱和度进行计算。当红光LED点亮后,ADC即开始检测信号。在两个或三个脉搏之后,红外线LED可以与红光LED同时点亮。MCU利用S=VR/VIR公式进行计算,其中电压为峰峰值读数,而S则代表组织血氧饱和度(StO2)校准表格中的数值。