全球最实用的IT互联网信息网站!

AI人工智能P2P分享&下载搜索网页发布信息网站地图

当前位置:诺佳网 > 电子/半导体 > 医疗电子 >

LIS3DH:用于Pebble智能手表MEMS运动传感器

时间:2014-01-22 16:53

人气:

作者:admin

标签: 运动传感  LIS3DH 

导读:LIS3DH:用于Pebble智能手表MEMS运动传感器-横跨多重电子应用领域、全球领先的半导体供应商意法半导体(STMicroelectronics,简称ST;纽约证券交易所代码:STM) 宣布其STM32微控制器被Pebble智能...

  横跨多重电子应用领域、全球领先的半导体供应商意法半导体(STMicroelectronics,简称ST;纽约证券交易所代码:STM) 宣布其STM32微控制器被Pebble智能手表所采用,用于控制这款创新的兼容iPhone手机和安卓智能手机的穿戴式产品

  

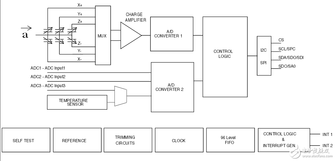
  除STM32微控制器外,Pebble还采用了意法半导体的LIS3DH MEMS数字输出运动传感器。LIS3DH可检测三个轴向的加速度,超低功耗工作模式增强了手表的实用性,可实现先进的省电模式模式和嵌入式智能功能。

LIS3DH线路图表 内部引脚
温馨提示:以上内容整理于网络,仅供参考,如果对您有帮助,留下您的阅读感言吧!
相关阅读
本类排行
相关标签
本类推荐

CPU | 内存 | 硬盘 | 显卡 | 显示器 | 主板 | 电源 | 键鼠 | 网站地图

Copyright © 2025-2035 诺佳网 版权所有 备案号:赣ICP备2025066733号
本站资料均来源互联网收集整理,作品版权归作者所有,如果侵犯了您的版权,请跟我们联系。

关注微信