时间:2009-12-24 10:51
人气:
作者:admin
小巧实用的针灸笔工作原理
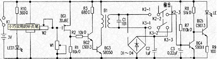
本人对其进行剖析(电路如附图所示)。工作原理如下IC1为音乐集成电路,K1闭合后,IC1输出的音频电流经BG1-BG3放大后,由变压器B1进行升压,次级输出200V左右的高压。后分为交流、直流两挡。交流挡高压交流电直接输出到针头触点,适当调节w2,当触点接触人体皮肤时,可产生较强的刺激,因交流电有集肤效应,治疗只能作用于皮肤表面。直流挡高压由交流电经D1~D4、C2组成的整流、滤波电路后产生,输出到触点及输出插座,使用针灸贴片,根据贴片间距调节w2使LED2正好点亮,可以达到深层治疗的目的。
针灸笔外观设计颇似一只小老鼠,十分新颖,欣然购回。经使用,治疗效果良好。
上一篇:骨质增生治疗仪工作原理
下一篇:电子催眠器的设计原理