时间:2009-12-20 09:39
人气:
作者:admin
FM自动选台调谐收音机电路
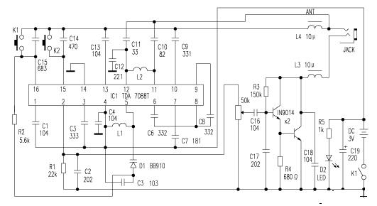
本文介绍的袖珍FM电脑选台收音机采用飞利浦公司开发生产的TDA7088T集成块,采用16脚双列扁平封装,工作电压为3V,该电路除包含FM收音机从天线接收到鉴频输出音频信号的全部功能外,还设有搜索调谐电路、信号检测电路、静噪电路以及压缩中频频偏的频率锁定环FLL电路。TDA7088T电路的中频频率设计为70kHz,外围电路不用中频变压器,其中频选择由电路内部RC中频滤波器来完成。该机像数字调谐收音机那样采用电调谐按钮(RUN),另一只是复位按钮(RESET)。电路接通电源后,按一下搜索按钮,电路自动地由频率低端向高端搜索电台,一旦搜索到电台信号,调谐自动停止。如果接着按一下搜索按钮,电路继续往高频端搜索电台。当调谐到FM接收频率最高端时,只需按一下复位按钮,本振频率即回到最低端,搜索调谐又重新开始。下面介绍该机的制作和调试方法。
该机采用耳机线作为天线,由耳机线感应到的FM信号从TDA7088T集成块{11}脚进入混频电路,与本振混频后产生70kHz中频信号。电台信号送入集成块{11}和{12}脚,电感L2、电容C10、C11、C12构成输入回路,电路的频率由L1、C5及变容二极管D1决定。由图可见C1为静噪电容,C6为中频反馈电容,C7为低通电容,{15}脚为搜索调谐输入端,C14为滤波电容,{16}脚为电调谐、AFC输出端。在组装时按照线路图,把元件焊到线路板上。这里需要特别注意的是两只空心线圈,圈数少的那只是振荡线圈,安装在集成块的4和5脚之间,另一个圈数多的是输入调谐回路线圈,安装在 {11}与{12}脚之间,由于中频频率选得很低,本振信号很容易从天线输入端窜到电路里造成干扰,所以这两只线圈的位置要放置成相互垂直。焊接时要注意 TDA7088T的管脚排列方向,不要弄错,焊接用的电烙铁外壳要接地,不要在线路板通电的情况下焊接线路板上的元件。安装完毕之后,要认真检查,避免有错焊、虚焊和短路等现象,确认无误后进行下一步调试工作。
一般工厂大批量生产是用扫频仪来调试收音机,业余爱好者没有这些仪器,可以用高频信号发生器来调试,也可用本地的FM广播电台来进行调试。先用一个直流电源接到{16}脚上调收音机的频率覆盖,将直流电源调到Vcc-0.1V的电压值上(如收音机所用的电源Vcc=3V则调到3-0.1=2.9V),拨动振荡线圈的间距即调节其电感量使收音机收到87 5MHz的信号,然后把直流电源调到Vcc-1.6V的电压值附近,只要能收到108MHz的信号就可以了。频率覆盖调好后,去掉直流电源,即组装调试完毕。该机接收频率在88~108MHz范围(由于SC1088集成块与TDA7088T集成块性能及引脚一样,可相互直接代用)。电路见上图所示。特殊规格可将本机接收频率调为76~106MHz,该机体积仅为78mm×44mm×14mm。