全球最实用的IT互联网信息网站!

AI人工智能P2P分享&下载搜索网页发布信息网站地图

当前位置:诺佳网 > 电子/半导体 > 制造与封装 >

三相三线制的缺相保护电路图

时间:2009-07-30 09:29

人气:

作者:admin

标签: 电路图 

导读:三相三线制的缺相保护电路图-三相三线制的缺相保护电路。。这是一种用于三相三线制电源缺相保护电路,A、B、C缺任何一相,光耦器输出电平低于比较器的反相输入端的基准电压,比...

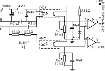
三相三线制的缺相保护电路

。。这是一种用于三相三线制电源缺相保护电路,A、B、C缺任何一相,光耦器输出电平低于比较器的反相输入端的基准电压,比较器输出低电平,封锁PWM驱动信号,关闭电源。比较器输入极性稍加变动,亦可用高电平封锁PWM信号。这种缺相保护电路采用光耦隔离强电,安全可靠,RP1、RP2用于调节缺相保护动作阈值。

温馨提示:以上内容整理于网络,仅供参考,如果对您有帮助,留下您的阅读感言吧!
相关阅读
本类排行
相关标签
本类推荐

CPU | 内存 | 硬盘 | 显卡 | 显示器 | 主板 | 电源 | 键鼠 | 网站地图

Copyright © 2025-2035 诺佳网 版权所有 备案号:赣ICP备2025066733号
本站资料均来源互联网收集整理,作品版权归作者所有,如果侵犯了您的版权,请跟我们联系。

关注微信