时间:2009-10-30 12:02
人气:
作者:admin
20kV小电流可控硅固体开关的设计与制作
固体开关构成的固体继电器(Solid State Re-lav,SSR)是利用现代微电子技术与电力电子技术相结合发展起来的一种新型无触点电子开关器件。与传统的电磁继电器相比,它具有高稳定、高可靠、无触点、长寿命等优点。
由于固体开关在加速器、雷达发射机、高功率微波、污染控制、医用等军民用领域具有较明显的潜在优势,美、英、日等国均对固体开关技术进行了大量研究。根据应用要求的不同,固体开关中单元功率器件也不尽相同。若要求固体开关具有很快的开关速度和高重复频率,单元器件一般采用功率场效应管(Power M0SFET)或绝缘栅双极型晶体管(IGBT)。对单个脉冲放电或低频充放电时所用的开关,用可控硅串联即可实现。
可控硅是以“小控制大”的功率开关器件,用一个小的控制电流控制门极完成电路中电流控制作用,具有体积小、重量轻、低功耗、长寿命等优点。为了降低串联的可控硅数量,应尽可能地选取耐压较高的可控硅,同时综合考虑价格因素。我们选取了意法半导体(ST)的可控硅TYNl225,单管耐压可达l 200V,且价格便宜。
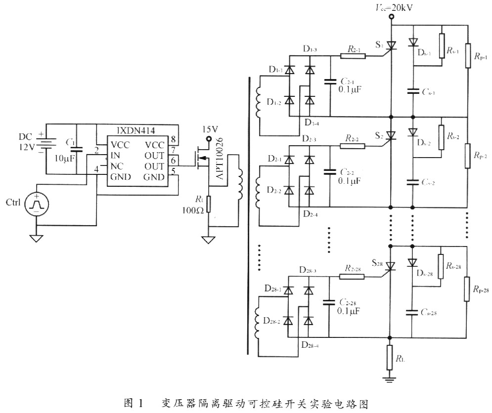
本文通过脉冲变压器隔离控制28个串联可控硅(TYNl225),得到了 20 kV小电流开关,对固体开关的串联技术进行了试验研究,并讨论了串联电路所涉及到的触发信号的高压隔离技术、驱动信号同步技术以及功率器件的动态静态均压技术。实验电路如图1所示。

1 串联开关的驱动(控制)电路
为保证同步触发,系统中所有开关的触发信号必须来自同一个信号源。 手册给出使TYNl225导通的门极阈值电压Vgt低于1.5V,阈值电流Igt低于40mA。它可直接用变压器触发,不需额外的驱动电路。当撤掉晶闸管门极触发信号后,要使它保持导通,流经它的电流必须大于某个值,这个值就是它的维持电流。在本实验中晶闸管导通时,电流最高仅为1mA,低于TYN1225的维持电流(几十个mA),因此采取的方式是触发信号到来之后始终加一直流电压在它的门极来驱动保持其导通。
本实验的控制信号由信号发生器提供,信号发生器输出50 kHz的方波,经过功率MOSFET/IGBT驱动芯片IXDN414得到同频率的驱动信号来驱动MOSFET APT10026,随着APTl0026的通断,变压器的初级上产生近似方波的信号,由于变压器各个次级绕组完全一致,所以,在次级得到一致的多个信号来控制串联的可控硅同步导通。
IXDN414是lXYS公司出品的高速MOSFET/IGBT门极驱动器,它的输入兼容TTL与CMOS信号。本设计中通过凋节信号发生器的输出方波的幅度来控制IXDN414的输出。当信号发生器输出的方波幅值存IXDN414输入端的低电平范围内时,IXDN414的输出始终为低电平;调节信号发生器,使输出幅值进入IXDN414输入端的高电平范围,IXDN414便输出50 kHz的方波信号,此信号驱动APT10026,变压器的初级上便有了图2所示的驱动信号。

2 变压器设计
在脉冲变压器隔离控制的可控硅固体开关中,变压器的设计非常重要,要求次级信号严格一致。当变压器初级有了图2所示的方波信号时,由于变压器的漏感漏电容的存在,次级绕组的电压波形如图3所示,它与图2有稍许差异。当它经桥堆整流时,在每个桥臂上均会产生一定压降,经过晶闸管门极限流电阻后,可控硅门极的电压不到1 V(对阴极),实验证明这个电压能很好地促使可控硅保持导通。

为了保证驱动信号的一致性,应尽量减少各种分布参数的影响。选取合适的磁芯,减少变压器绕组匝数是一种方法。选取μr较大的磁芯,这样单匝线圈的电感量比较大,就可以减少绕组匝数。我们设汁的变压器处、次级匝数比为4:1,初级有4匝,因而次级只用了l匝。实验证明这样非常好地保证了次级绕组的一致性,同时由于线圈的减少也有效地控制了变压器的体积。变压器的初级电感量必须足够大,如果感抗太小,远低于负载等效阻抗,可以看作近似短路,将会烧毁前面的APT10026。实际制作的变压器初级电感Lp在50kHz时大约为600μH。不考虑漏感等影响因素,感抗ωLp=2π50k600μH=60πΩ。
当可控硅导通不一致时,会出现一种情况:高压源直接加于变压器的两组次级绕组上。这就要求变压器初级和次级间、各次级相互之间均能够承受足够高的电压。本文将变压器任意两个次级绕组间耐压设汁为21 kV,可以承受电源最大电压,这就保证了变压器不会被击穿。
3 可控硅的串联与实验结果
实验原理如图4所示,串联的可控硅用两个开关SW1和SW2表示,首先,控制器控制SW0闭合,SW1和SW2断开,高压直流电压源HV对电容C1充电;然后控制器断开SW0,闭合SW1和SW2,电容C1对负载Rl与R1放电。这样在控制器的控制下,就可以周期地对C1充放电。R1远小于Rl,起分压作用,便于测量波形。SW1和SW2导通时,R1上的电压波形特征即反映了开关导通特性。

要得到耐压20kV的开关,其电流约l mA。TYNl225的通态平均电流可达16A,完全满足开关对电流的要求,我们要做的是将多个TYNl225串联起来提高耐压。考虑到降额使用,每个管子的工作电压取其标称值的60~70%,再加上串联系统中的冗余设计,串联管子的数量应适当增加。
实验时,没有没置原理图中的SW0、R0和C1等组件,用高压直流电源直接加于串联的可控硅及负载电阻的两端,略去了R1,直接用高压探头测量RL上电压波形。测量了串联开关单次导通时负载电阻RL上的电压波形。
图1中Rp为静态均压电阻,Ds、Rs、Cs构成动态均压网络。由于阻断状态下各可控硅的阻断电阻存在较大差异,Rp的作用就是在正向阻断状态下,完成各可控硅的直流均压,要求其阻值远小于开关管的泄漏电阻,同时兼顾其功耗。实际使用中,也并非所有管子的Rp都完全同样大小,必要时应该在实验中根据每只管子的性能差异进行合理地调整。同时,又因为可控硅工作在开关状态,增加了出现电压不均现象的可能性,特别是开通和关断的时间不一致,最后开通或关断的管子将独自承受高压。动态均压网络可以用来解决电压不均问题,实质上就是利用电容Cs两端电压不能突变的特性使得每只管子所承受的瞬态电压分配均匀。因此要求Cs的值比可控硅阳极和阴极间的结电容大得多。
如图1所示,变压器次级接全桥整流电路,每个桥臂均采用超快恢复二极管UF4007,整流桥后接电容C2-1到C2-28滤波。电容C2-1到C2-28需要取一个合适的值。当取值太小时,在可控硅的门极得不到足够大的驱动电压使其导通;取值太大时,由于电容本身固有的误差较大,很难保证其值大小完全相同,会导致可控硅门极电压上升时间不一致,也就使可控硅不能一致导通。
实验中,先在低压电源下测试串联可控硅的导通一致性。首先运用少量可控硅串联进行实验,以获取导通时的负载波形。8个管子串联,滤波电容C2取10μF,触发信号到来之后,图5(a)为负载电阻上的电压波形,可以明显地看出可控硅的导通严重不一致,从开始导通到完全导通用时超过了7μs;电容取O.1μF后,管子能很好地一致导通,如图5(b)所示。

将28个可控硅串联起来,逐步抬高电源电压值进行测试。串联的可控硅均能很好地导通,随着电源电压的抬高,其上升时间也会逐渐降低。当HV=20kV时,触发信号使能后,负载电阻RL上的电压波形如图6所示,示波器记录上升时间Tr=164.8 ns,低压375V系未导通时电源电压HV在负载RL的分压,静态时的漏电流很小,I漏=375/20MΩ=18.75μA。

4 结语
本文成功地进行了多个可控硅串联作20 kV开关的实验。实验结果表明,用多个普通可控硅串联起来作低成本、低频率的高压开关是可以实现的。今后将在开关的可靠性方面做更大的努力,并研究通过光隔离控制多个串联的功率开关,设计出更高电压的大功率同体开关,并用单片机或PC机取代实验中所用的信号发生器来实现程控开关功能。
下一篇:电厂发变组大修质量保证规定