时间:2009-07-29 14:32
人气:
作者:admin
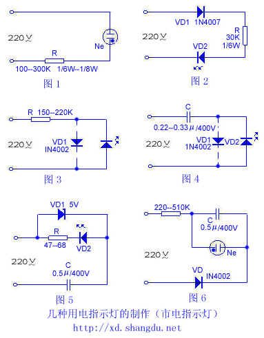
本文介绍的几种市电指示灯,具有简单易做、用电安全、耗电甚微等特点。
图1所示电路中只有两个元件,R选用1/6W~1/8W碳膜电阻或金属膜电阻,阻值在100~300K之间。Ne为氖泡,也选用普通日光灯启辉器中的氖泡,若想选用体积小且在60V左右即能启辉的氖泡,其型号为NNH-616型,电阻R选用270K的1/6W金属膜电阻。
图2所示的电源指示灯为单向导通的发光二极管。R可选用30K、1/6W金属膜电阻,单向导通二极管VD1为1N4004或1N4007。二极管VD1主要用作单向工作,R用作降压限流。
图3.图4.图5所示的电源指示灯选用发光二极管作指示灯。图3用电阻降压限流。图4、图5用电容降压限流。图3和图4中虚线部分的二极管中VD,可选用IN4002,它的作用是保证发光二极管不被过市的反向电压击穿。如一时没有IN4002,也可省去。图4中的IC可选用日光灯启辉器中的金属化纸介电容器。也可选用0.22-0.33UF/400V涤纶电容器。图5电路中VD1为稳压二极管,其稳压值在5V左右,R为限流电阻,C为降压电容。图3.图4、图5的发光二极管两端可互调头连接照样能工作,但二极管和稳压二极管随之改接。
