时间:2009-07-29 14:56
人气:
作者:admin
当负载电流大于三端可调集成稳压器标称电流值时,可用扩流的办法来解决。


如图1所示的电路是用一只PNP大功率管来扩流,一只3AD53大功率管可将电流扩至6A,一只尚不够时,可用二只、多只大功率管并联,如用三只可扩至18A。

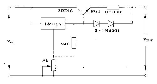
图2所示的电路,是用NPN型大功率管来扩流的实例。这时一只3DD15可提供负载5A电流、LM317可提供1.5A电流,输出端约可提供6.5A电流。这时,两只二极管起隔离作用,两只或多只大功率管并联也可将电流扩至更大。
当LM稳压器标称电流为0.1A,而负载电流又需很大时,这时扩流的办法是:可由LM317首先驱动一只功率较小的功率管,再由较小功率的大功率管驱动一只或数只更大功率的管子。

如图3所示的电路即由LM317首先驱动BGl—3DDl5,再由GBl驱动BG2、BG3——两只3DDl70管子,这时,稳压器可输出20A的电流。

上一篇:过压过流保护器电路图
下一篇:镍镉电池自动充电、放电器电路图