时间:2009-07-29 15:23
人气:
作者:admin
内带E2PROM的数字电位器
数字控制电位器(DCP)是一种可由外部微处理器等来自由设定阻值的可变电阻器。与机械式电位器不同,它没有可动部分,因而具有优良的耐环境特性。另外.它可以对电阻值实现自动调整.从而节省了电位器的调整时间。X9315W是美国Xicor公司推出的数字电位器,其总阻值为10kΩ,触点抽头数32个。X9315W内含E2PROM,即使在电源切断之后.仍然能够记忆所设定的电阻值。
特点与工作原理图
此主题相关图片如下:

X9315W具有以下特点:
(1)低噪声。
(2)内含E2PROM,可以记忆活动触点的位置;
(3)分辨率为3%.触点抽头数为32个;
(4)活动触点位置数据保持时间为100年;
(5)低功耗。
"X9315W的引脚排列如图1所示,表1为其引脚功能。图2为X9315W的内部框图。"
图2中开关的转换采用了所谓“断开前接通”的方法。也就是说,模拟活动触点移动、两个开关连续切换时,即将断开的CMOS开关还没有断开.另一个CMOS仍开关已经接通。因此,在控制结束、活动触点位置确定之前,RH/VH端与RL/VL端之间的阻值在瞬间会出现下降。
此主题相关图片如下:

从存储器中读出,井自动地进行设定。表3为X9315W的主要电气特性。
此主题相关图片如下:

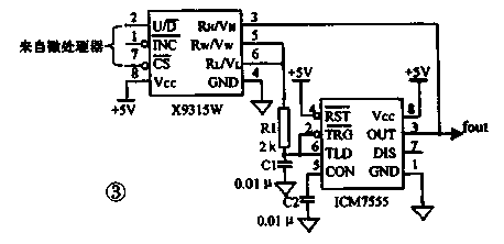
应用实例
图3是使用模拟定时器IC(ICM7555)构成的非稳态多谐振荡器电路,定时时间可以由微处理器通过数字电位器X9315W来进行设定。
此主题相关图片如下:

上一篇:不用电池的双音门铃电路图
下一篇:红外线自动水龙头电路图