时间:2009-07-29 16:11
人气:
作者:admin
该电子秤可用于工厂生产中配料和测力等场合,具有测量准确,分辨率高,不易损坏和价格便宜等优点。
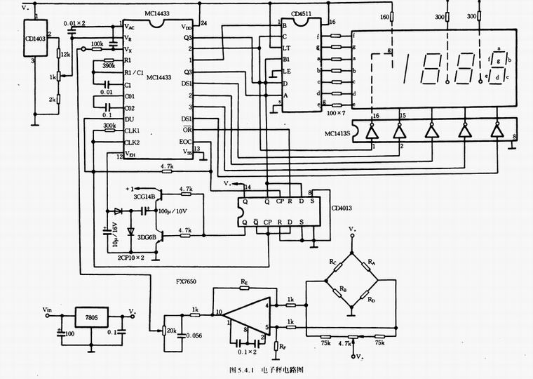
该电子秤电路如图所示。主集成城MC14433为A/D转换集成块,4511为LED显示驱动集成块1413为位选片子,1403提供主集成电路一稳定比较电压,7650为斩波稳零单片集成运算放大器,放大传感器输出的电压信号。传感器用BLR型拉压式传感器,图中RA、RB、RC、RD为传感器中应变电阻。稳压电路7805向整个电路提供5V电压,7805的输人电压在 8-15V时正常工作。也可用交流220 V降压、整流、滤波后,提供给仪器使用。
由于仪器用于精度较高场合,因此14433、1403、7650外围的阻容元件,应选用低温度系数、热稳定性好的,电阻应选用RJ金属膜电阻。7650两支1k的电阻差值和RE、RF两电阻的差值应小于 l%,否则秤装完后有可能调零时调不到零点。RE、RF阻值的取值范围为几十k到几百k之间,视所选用的传感器大小而定。传感器量程小,如200kg,阻值就选小一些,量程大,如 2000kg,阻值就选大一些。如要用小数点表示,小数点电阻接V+,用小于200kg量程的传感器时,接右边数第一位前小数点,传感器量程在200ks至2000kg之间时,小数点全不亮,最小分辨率为1kg。

下一篇:精密秒脉冲发生器电路图