【摘 要】 阐述了一种利用
INTEL8098
单片机和旋转式
光电编码器构成的数字实时转速
检测系统,介绍了系统的
硬件实现途径和软件设计方法,对系统的性能作了分析和评估。
关键词:单片机,电动机,转速测量
在
工业过程实时控制中,转速的检测与控制常占很大比重,它对系统的稳态误差及动态响应性能都有着至关重要的影响。对于此类应用来讲,一个在较大速度范围内具有高分辨率的快捷而准确的测速系统是必不可少的。传统的
模拟式测速仪,由于受非线性、温度变化和元件老化等因素的影响,使其在转速检测过程中很难满足快速性和准确性要求。为此,一种具有高性能的数字式测速器件——旋转式光电编码器便应运而生,它可与计算机直接
接口。
在以光电编码器构成的测速系统中,常用的测速方法有三种,分别为T法、M/T法和M法。T法是通过编码器两个相邻脉冲的时间间隔来确定转速的,很显然,该方法适合速度比较低的场合,当转速较高时,其准确性较差。M法是利用一段固定的时间间隔内的编码脉冲数来确定转速,其性能特点正好与T法相反,比较适于高速场合。而M/T法则是前两种方法的结合,从而使得在整个速度范围内都有较好的准确性。
总的看来,利用M/T法可获得较高的检测精度,但是对于低速,该方法需要较长的检测时间才能保证结果的准确性,这样就无法满足一个转速检测系统的快速动态响应指标。本文提出一种基于
微机控制的实时速度检测系统以便在整个范围内都能满足响应的精度及动态响应要求。
1 设计基本思想
对于一个转速检测系统来说,其关键在于能够使其测速结果在整个转速范围内的准确性和分辨率为最佳并满足快速的动态响应要求。为了达到这个目的,将速度范围分为两部分并分别采用两种方式进行检测。第一种方式(方式1)采用T法,对应于高速段,其原理如图1所示。
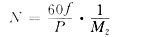
设时钟频率为f,编码器每转脉冲数为P,则对应的实际转速为:

图1中,Ts为采样周期;Tn为编码器输出脉冲的周期;M2为Tn期间所计时钟脉冲数。
第二种方式(方式2)对应于低速段,采用M/T法,相应原理如图2所示。
图2中,M1为编码脉冲数;M2为Td期间时钟脉冲总数。实际转速可用下式表示:

2 硬件实现
计算机调速系统中大都采用光电编码器来测量转速,由于它的输出为数字(脉冲)量,可以与计算机的接口直接相连。但是,光电编码器在低速时输出脉冲数很少,采用一般的计数方法很难保证准确性。为此,除了采用前述的基本思路外,同时利用8098单片机的高速输入口进行计数,以提高测速结果的精度。
2.1 8098单片机高速输入口
8098单片机的高速输入单元HIS有4个引脚,每个引脚都有事件触发功能,可以检测出事件的变化,而某一引脚上事件发生的间隔可由8098内部的定时器1来捕获。在具体的应用中,这些特定的功能都可以通过8098相应的控制寄存器来编程和控制,以事先设定好高速输入单元HIS的事件形式。在本系统中利用定时器1来记录两个脉冲之间的时间间隔。
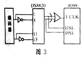
2.2 硬件组成
光电编码器与电动机主轴直接联接,从而使编码器转速与电机完全一致。为了提高测量精度和分辨率,本系统将编码器的输出脉冲进行了四倍频。具体做法是:首先,利用一个外部逻辑接口电路将其二倍频,然后作为8098内部定时器2的输入时钟。由于8098的定时器2是一个上升沿和下降沿都触发

的计数器,这样,二倍频的信号经定时器2后就变为四倍频,从而简化了硬件电路的设计。光电编码器具有两路输出且相位互差90°,这使得二倍频的实现尤为容易,只需异或。同时,在正转和反转时编码器两路信号的超前和滞后关系也不相同,因此将它们接到8098的高速输入口,以进行正、反转的判断。相应的硬件电路如图3所示。
3 软件设计
程序设计的关键在于:能够在定时条件下及时进行两种检测方式的转换,以减少对速度采样的影响。对于此类问题,通常采用设置标志的方法来实现。其程序流程如图4所示。
4 性能分析
对于转速检测系统,其性能的好坏主要取决于准确性和分辨率。而准确性直接受到光电编码器性能的影响,这是因为编码器在制造过程中所形成的

分割误差总是存在的。选用不同的方法应尽可能减少因这种误差所带来的影响。在本系统中,对应于方式2(M/T法)的准确性可用下式表示:
A=Ap/〔int(PNTt/60)+1〕
其中,Ap为分割误差。由于转速检测是在编码器相邻两个脉冲的基础上进行计算,与方式1(T法)相比,其分割误差稍大一些,因此应选用具有
高精度的光电编码器。
检测的分辨率是指当时钟计数器值M2每变化1时所对应的转速变化量。本系统可采用下式表示:

结果表明,M/T法可在整个低速范围内获得高分辨率,M法在高速段分辨率较低,T法在低速段分辨率较低。而本系统采用M/T法和T法相结合,故可在全速范围内获得高分辨率。
5 结束语
通过使用本文所述两种检测方法及相应电路,可在不损失精度和分辨率的前提下获得快速响应。实验表明,在使用1024脉冲/转的光电测速器时,可获得±0.03%的检测精度,用于标准的电机驱动系统和自动调速系统,以获得较好的控制精度。
参考文献
1 Habibullah B,Singh H,Soo K L,Ong L C.A NewDigitalSpeedTran
sducer.IEEETransac
tions onIndustrial Electron
ics Contr.Instrum.,Vol.25:339~342