时间:2009-05-16 01:26
人气:
作者:admin
CD4040制作的电子电位器
使用二进制集成电路CD4040可制作电子电位器。电位可有4096挡次,如电压在4.096V,每伏有1000个1mV变化进位挡,每进1位上升1mV,电路二进制位0~11位以高位电阻最小。如第11位50kΩ、第10位100kΩ、第9位200kΩ、第8位400kΩ、第7位800kΩ、第6位1.6MΩ、第5位3.2MΩ、第4位6.4MΩ、第3位12.8MΩ、第2位25.6MΩ、第1位51.2MΩ、第0位102.4MΩ,向下按每退1位、阻值加1倍顺序排列。如排错,或电阻不是倍数,电位的上升值会不均匀,进到某数值便突然跳变。


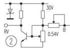
图2为电视VH电调谐音量电位器,只需6位二进制倍数电阻,就可达到64级音量调节。
上一篇:π/4-QPSK调制方式及其与GSMK调制方式的比较
下一篇:自制电子灭鼠器