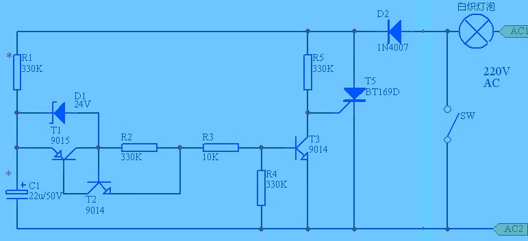
原理简述: 当SW闭合时, LAMP正常点亮, C1上的电放得光光的. SW断开, 开始进入熄灯延时过程. 电流被D2整成半波, LAMP亮度立即下降, 作为延时指示. R1对C1充电, C1电压缓慢上升, 但还没有使D1击穿, 因此T3是裁止的, T5通过R5触发, 灯不熄灭.R5不能太小, 以能触发T5为度, 否则T5触发太早C1上将充不到足够电压. C1充电到24V以上时,D1击穿, T1/T2雪崩导通, C1向T3提供基流, T3饱和, T5不再触发. 灯熄灭. R1*C1决定延时长短, 可实验测定.

温馨提示:以上内容整理于网络,仅供参考,如果对您有帮助,留下您的阅读感言吧!
相关阅读
本类排行
相关标签
本类推荐
|