网站首页 全球最实用的IT互联网站!

人工智能P2P分享Wind搜索发布信息网站地图标签大全

当前位置:诺佳网 > 电子/半导体 > 制造与封装 >

[组图]脉冲波群发生器

时间:2006-04-15 23:03

人气:

作者:admin

标签: 组图脉冲  群发生器 

导读:[组图]脉冲波群发生器- 脉冲波群发生器又称“Bust波发生器”,多用于...

 

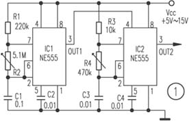
    脉冲波群发生器又称“Bust波发生器”,多用于遥控、测量、报警等场合的信号源。如果对波群持续期内的脉冲个数要求不严,一般采用二块555(或一块556)集成电路。如图1所示。
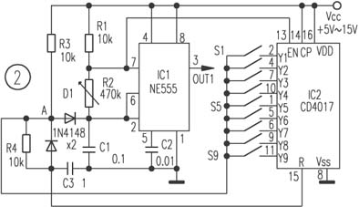
    将两块555集成电路分别连成振荡器,用较低频率的振荡器(IC1)输出控制较高频率的振荡器(IC2)。IC1输出(OUT1)为低电平时,IC2停振,此时IC2输出(OUT2)低电平;IC1输出(OUT1)为高电平时,IC2振荡,IC2输出(OUT2)脉冲振荡信号。通过调节二个振荡器的频率,可以调节输出波群的间隔和输出波群持续期内的脉冲个数,但调节较难,精度不高。另有一种对波群持续期内脉冲个数可控、精度较高、调节容易的脉冲波群发生器,如图2所示。
    电路由可控脉冲振荡器(IC1)、十进制计数器/脉冲分配器(IC2)及脉冲间隔时间控制电路三部分组成。IC1及其外围元件(R1~R3、C1~C2、D1)构成可控脉冲振荡器,波群信号由IC1的第③脚输出。该振荡器能否振荡取决于受控端A点的电位。A点为高电平时,振荡器停振;A点为低电平时,振荡器振荡。CD4017(IC2)接成下降沿触发的计数器,触发电平取自IC1的⑦脚,IC2的输出端Y1~Y9由预置键S1~S9选择,加至受控振荡器的受控端及间隔时间控制电路(R4、C3、D2)的输入端(A点)。间隔时间控制电路的输出端(B端)加至计数器的复位端。工作过程如下。
    假设按下预置键S5,计数器输出端Y5输出为低电平,此时B点为低电平,计数器处于计数状态,A点为低电平,振荡器振荡。IC1的⑦脚输出的方波下降沿触发IC2计数进位。当第5个脉冲下降沿到来时,IC2的Y5输出端变为高电平。通过其按键S5使受控端A点也变为高电平,迫使IC1停振,这样波群持续期内的脉冲个数正好为5个。在IC1停振后,IC2输出端Y5的高电平,通过电阻R4给电容C3充电。当B点的电位大于计数器复位电位时,计数器复位。此时Y5为低电平,IC1又重新起振。电容C3通过二极管D2放电,确保在IC1振荡器⑦脚输出的第一个脉冲波下降沿到来前,计数器恢复计数状态。这样周而复始,就产生了波群脉冲。该电路通过控制预置键S1~S9,可以在波群持续时间内得到所需个数的脉冲;调节IC1的振荡频率,可以改变波群持续期内的脉冲频率;调节R1和C1的值,可以调节波群的间隔时间。如果要求波群持续期内的脉冲个数大于9,可将计数器进行相应的扩展。





  

温馨提示:以上内容整理于网络,仅供参考,如果对您有帮助,留下您的阅读感言吧!
相关阅读
本类排行
相关标签
本类推荐

CPU | 内存 | 硬盘 | 显卡 | 显示器 | 主板 | 电源 | 键鼠 | 网站地图

Copyright © 2025-2035 诺佳网 版权所有 备案号:赣ICP备2025066733号
本站资料均来源互联网收集整理,作品版权归作者所有,如果侵犯了您的版权,请跟我们联系。

关注微信