网站首页 全球最实用的IT互联网站!

人工智能P2P分享Wind搜索发布信息网站地图标签大全

当前位置:诺佳网 > 电子/半导体 > 制造与封装 >

[图文]温度、频率转换器

时间:2006-04-15 23:03

人气:

作者:admin

标签: 率转换器  图文温度 

导读:[图文]温度、频率转换器- 在一些远程通讯网络中,往往需要把温度转化成频率信号,然后经编码输出。下面便是实现这一功能...
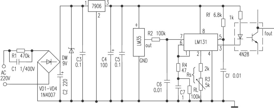
在一些远程通讯网络中,往往需要把温度转化成频率信号,然后经编码输出。下面便是实现这一功能的电路。
    电路见附图。温度传感器LM35将其接收到的温度信号转换成电压信号输出。然后通过一个LM131,将其接收到的从LM35输出的电压信号转换成频率信号后输出,其输出频率可通过下面的公式进行计算:
    fout = Vin/2.09V ? Rs/Rl ? 1/RfCf
    该电路中的电位器Rs是用来调节LM131的输出,即本电路可通过调节Rs来调整其温度与频率的转换系数。如将Rs调节到大约14.2kΩ时,其输出将达到10Hz/℃。
    该电路具有以下特点:1.工作温度范围-55℃~+150℃;2.低发热,在静止空气中,自身发热(LM35)只有0.08℃;3.适用于远程应用;4.非线性误差极小。

                                    



温馨提示:以上内容整理于网络,仅供参考,如果对您有帮助,留下您的阅读感言吧!
相关阅读
本类排行
相关标签
本类推荐

CPU | 内存 | 硬盘 | 显卡 | 显示器 | 主板 | 电源 | 键鼠 | 网站地图

Copyright © 2025-2035 诺佳网 版权所有 备案号:赣ICP备2025066733号
本站资料均来源互联网收集整理,作品版权归作者所有,如果侵犯了您的版权,请跟我们联系。

关注微信