网站首页 全球最实用的IT互联网站!
人工智能P2P分享Wind搜索发布信息网站地图标签大全
时间:2006-04-16 17:59
人气:
作者:admin
标签: 74
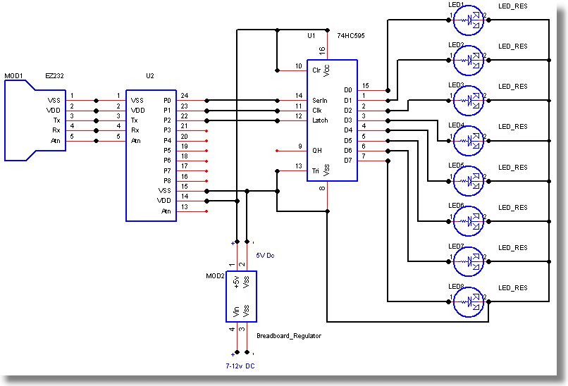
74HC595驱动8个LED电路图
上一篇:[图文]简单实用的3键互锁电子开关
下一篇:[图文]非常酷的正弦波发生电路
台积电如何为 HPC 与 AI 时代的 2.5D/3D 先进
晶圆代工迎集体调价:五大厂拟涨价10%,
晶圆代工产能爆满!国际大厂4月起调升报
半导体“倒装芯片(Flip - Chip)”焊界面
安森美T2PAK封装功率器件贴装方法
今日看点丨美国要求高端GPU严禁出口;马
CPU | 内存 | 硬盘 | 显卡 | 显示器 | 主板 | 电源 | 键鼠 | 网站地图
Copyright © 2025-2035 诺佳网 版权所有 备案号:赣ICP备2025066733号 本站资料均来源互联网收集整理,作品版权归作者所有,如果侵犯了您的版权,请跟我们联系。