全球最实用的IT互联网信息网站!
AI人工智能P2P分享&下载搜索网页发布信息网站地图
JDSU获千兆以太网测试设备领域2009全球发展战略奖
阅读全文2009-12-29
中国无线数据服务市场到2013年将增长近一倍
阅读全文2009-12-28
中国多晶硅产业出现“产能虚拟过剩”
2009芯片厂商各显风骚争风吃醋
CSIP发布09中国集成电路设计业发展报告
印制板腐蚀机的制作
阅读全文2009-12-27
用三个芯片的相位计的制作
发射功率测试笔的制作
串行存储器拷贝器的工作原理及制作
阅读全文2009-12-26
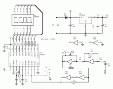
数字显示频率计,转速表的制作
比科奇推出5G小基站开放式RAN射频单元的
今日看点丨传英特尔将推Gaudi2降规版抢攻
浩亭庆祝越南工厂正式投产
贸泽现已开售运行速度远超前代产品的树
CPU | 内存 | 硬盘 | 显卡 | 显示器 | 主板 | 电源 | 键鼠 | 网站地图
Copyright © 2025-2035 诺佳网 版权所有 备案号:赣ICP备2025066733号 本站资料均来源互联网收集整理,作品版权归作者所有,如果侵犯了您的版权,请跟我们联系。