LP8754 旨在满足 移动电话和类似便携式应用中的最新应用处理器。设备 包含 6 个降压 DC/DC 转换器内核,它们是 捆绑在一个 6 相 Buck 转换器中。该设备完全由 动态 电压缩放 (DVS) 接口或 I^2^C 兼容串行 接口。
自动 PWM/PFM作以及自动相位添加/切出 在较宽的输出电流范围内实现效率最大化。LP8754 支持远程差分电压感应 以补偿 IR 之间的 IR 压降 稳压器输出和负载点,从而提高输出的精度 电压。
*附件:lp8754.pdf
保护功能包括短路保护、电流限制、输入 OVP、 UVLO、温度警告和关机功能。为 status 提供了几个错误标志 IC 的信息。此外,我^2^C 回读 包括总负载电流和每个降压内核的负载电流:LP8754 能够感应 电流被输送到负载,无需添加电流检测电阻器。在 启动时,该器件控制输出电压转换速率,以最大限度地减少过冲和浪涌 当前。
特性
- 6 个高效降压 DC/DC 转换器内核:
- 最大输出电流 10 A
- 捆绑到 6 相转换器的磁芯
- 负载电流报告
- 可编程过流保护 (OCP)
- 自动 PWM/PFM 和强制 PWM作以及
自动低功耗模式设置 - 自动相加/相脱落
- 远程差分反馈电压感应
- 输出电压斜坡控制
- V
外范围 = 0.6 V 至 1.67 V
- 我^2^C 兼容接口,支持标准 (100 kHz)、快速 (400 kHz) 和高速(3.4 MHz) 模式
- 四个可选 I^2^C 地址
- 具有可编程掩码的中断功能
- 输出短路和输入过压
保护 (OVP) - 用于降低 EMI
的扩频和相位控制 - 过热保护 (OTP)
- 欠压锁定 (UVLO)
参数

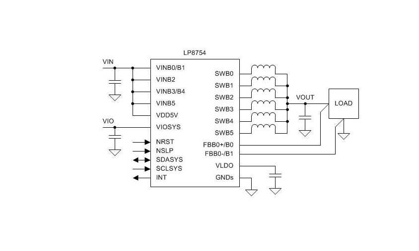
方框图

1. 概述
LP8754 是一款高效、高性能的多相六核降压转换器,专为满足移动手机等便携式设备中最新应用处理器的电源管理需求而设计。该设备包含六个降压 DC/DC 转换器核心,可捆绑成一个六相转换器,提供从单个锂离子或三节镍氢/镍镉电池到便携式设备的 0.6V 至 1.67V 可调电压轨。
2. 主要特点
- 六相降压转换器:最大输出电流 10A。
- 自动 PWM/PFM 和强制 PWM 操作:根据负载电流自动切换工作模式以提高效率。
- 动态电压调节(DVS)接口:支持通过 I²C 接口进行动态电压调节。
- 可编程过流保护:保护设备免受过载损坏。
- 远程差分电压感测:补偿 IR 下降,提高输出电压准确性。
- 热警告和热关断:防止设备过热。
3. 功能描述
- 多相操作:六个降压转换器核心可以捆绑在一起工作,以降低输入和输出电流的纹波,提高瞬态响应速度。
- 自动相位添加/脱落:根据负载电流自动调整活动相数以优化效率。
- 低功率 PFM 模式:在轻负载条件下自动切换到低功率模式以延长电池寿命。
- 软启动:限制启动时的浪涌电流。
- 电源良好标志:监测输出电压,确保系统稳定。
4. 引脚配置与功能
LP8754 采用 49 引脚 DSBGA 封装,主要引脚包括:
- VINBXX:降压转换器的电源输入引脚。
- SWBXX:降压转换器的开关节点引脚。
- FBBXX:远程差分电压感测引脚。
- VIOSYS:系统 I/O 电源引脚。
- VDDA5V:模拟块电源引脚。
- NSLP:低功率模式控制引脚。
- NRST:复位引脚。
- INT:中断输出引脚。
5. 应用场景
- 智能手机
- 电子书和平板电脑
- GSM、GPRS、EDGE、LTE、CDMA 和 WCDMA 手持设备
- 游戏设备
6. 典型应用电路
数据手册中提供了 LP8754 的典型应用电路,包括推荐的元件值、布局指南和布线建议。
7. 性能指标
- 效率:高达 90% 以上,具体取决于负载电流和输入电压。
- 输出电压范围:0.6V 至 1.67V,可编程。
- 开关频率:2.5MHz 至 3.4MHz,可配置。
- 热关断温度:约 150°C。
8. 保护特性
- 过压保护(OVP) :当输入电压超过阈值时关断设备。
- 欠压锁定(UVLO) :当输入电压低于阈值时关断设备。
- 短路保护(SCP) :检测并保护输出短路。
- 热警告和热关断:防止设备过热损坏。
9. I²C 接口
LP8754 通过 I²C 接口进行配置和控制,支持标准模式(100kHz)、快速模式(400kHz)和高速模式(3.4MHz)。
10. 封装与订购信息
LP8754 提供 DSBGA 49 引脚封装选项,具有 RoHS 环保认证。数据手册中提供了详细的封装尺寸、引脚分配和订购信息。
11. 布局指南
数据手册中包含了优化 PCB 布局的详细指南,以确保 LP8754 的最佳性能和稳定性。
这份数据手册为设计和实现基于 LP8754 的多相降压转换器系统提供了全面的指导和技术支持。