时间:2024-10-13 08:07
人气:
作者:admin
院校简介

荆州学院是经教育部批准设立的全日制普通本科高校,学校前身是创建于2004年的长江大学工程技术学院。2021年5月,经教育部批准转设更名为荆州学院。
学校地处国家历史文化名城——湖北省荆州市。荆州古称“江陵”,是春秋时期楚国的都城,楚文化的发祥地和三国文化的中心;位于长江中游两岸,江汉平原腹地,是国务院公布的首批24座中国历史文化名城之一。
信息工程学院现有计算机科学与技术、电子信息工程、通信工程、物联网工程、自动化、软件工程6个本科专业及计算机应用技术、计算机网络技术2个专科专业。
2►
培训情况
创龙教仪联合荆州学院-信息工程学院共同建设为基于接口相关教学实验室。
为了适应技术、社会发展的需求,高校在不断更新教学内容和方式,同时也注重培养学生的创新能力和实践能力。
创龙教仪与教学老师、设备老师以及各级领导一起深入探讨如何将教学需求与社会人才需求进行融合,确保产品满足学校的教学需求,助力高校培养社会型人才。

TL6748-PlusTEB教学验箱,丰富了教学手段,使传统教学模式向更加互动、灵活的方向转变。这种转变有助于激发学生的学习兴趣,提高教学效果。
同时能够直观、生动地展示教学内容,帮助学生更好地理解和掌握知识。

老师们对产品案例操作演示表达出十足的热情,并对创龙教仪专业的技术能力与认真的工作态度表示了肯定。
想了解具体案例详情的请联系我们,部分案例名称如下表:
TL6748-PlusTEB相关实验(部分) | |
DSP实验环境搭建与CCS开发基础 | 安装CCS与串口调试工具 CCS开发入门 |
DSP基础外设实验 | LED控制实验 直流电机控制实验 数码管显示实验 4x4键盘输入控制实验 LCD触摸屏显示实验 |
语音类实验 | 音频采集与播放实验 MP3音频解码实验 G711A音频编码实验 |
DSP算法实验 | 有限冲激响应滤波器(FIR)算法 快速傅立叶变换(FFT)算法 多路信号混频实验 |
图像类实验 | 图像旋转 图像缩放 边缘检测 RGB24图像灰度转换 |
视频类实验 | 基于CMOS数字摄像头采集LCD显示实验 基于模拟数字摄像头采集LCD显示实验 |
图像类实验 | 基于CMOS数字摄像头的灰度转换实验 网络摄像头的采集与显示 |
面对技术快速发展的今天,创龙教仪也在不断学习与探索:如何将产品、教学、就业相互融合,在保障产品高质量、专业性的同时,增加产品趣味性与可操作性,调动学生的学习热情,同时依托创龙科技的企业端用户方案,让产品具备毕业生就业技术知识,使他们能在一众求职者中领先一小步。

3►
特色案例
一、实验名称:
基于CMOS数字摄像头采集LCD显示实验
二、实验目的:
(1)掌握OV2640摄像头的工作原理。
(2)掌握VPIF总线的工作原理。
(3)实现VPIF总线控制OV2640摄像头采集图像,并显示在LCD上。
三、实验原理:
OV2640简介
OV2640 是世界上第一个 1/4 英寸 2 百万像素视频传感器,同时是 OmniVision 最新的2.2 微米 OmniPixel2架构的视频传感器,可支持 200 万像素,分辨率可高达 1600x1200,帧率可达 30 帧/秒,最高帧率可达 60 帧/秒。

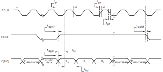
图像数据在HREF为高的时候输出,当HREF变高后,每一个PCLK时钟,输出一个字节数据。比如我们采用UXGA时序,RGB565格式输出,每2个字节组成一个像素的颜色(低字节在前,高字节在后),这样每行输出总共有1600*2个PCLK周期,输出1600*2个字节。

图像数据在HREF为高的时候输出,当HREF变高后,每一个PCLK时钟,输出一个字节数据。比如我们采用UXGA时序,RGB565格式输出,每2个字节组成一个像素的颜色(低字节在前,高字节在后),这样每行输出总共有1600*2个PCLK周期,输出1600*2个字节,然后,看帧输出时序:

当HREF输出高电平时开始读取一行像素点,当低电平时不操作,重复操作即可读取一帧图像。OV2640支持:RGB565或JPEG输出。RGB565输出时,时序如图所示。JPEG输出时,PCLK大大减少,且HREF不连续,数据流以0XFF,0XD8开头,以0XFF,0XD9结束,将此间数据保存为.jpg,可在电脑打开查看。
TL2640摄像头模块和实验板的连接引脚对应表如表所示。DSP通过I2C总线配置摄像头的相关寄存器,摄像头采集的数据通过VPIF总线传输回DSP进行处理

VPIF是一种视频接口。VPIF的通道0和通道1只能用于接收数据,通道2和通道3只能用于发送数据。更多的接口说明可以自行查看相关手册。

程序流程:
首先要进行外设使能配置,接着进行DSP中断初始化和LCD的初始化,然后初始化配置I2C和OV2640摄像头,初始化VPIF总线。最后摄像头采集接收数据并将数据显示在LCD上。

实验设备:
本实验使用的硬件接口为LCD和VPIF 接口,所需硬件为实验箱、仿真器、TL2640I 摄像头模块、LCD和电源。





实验操作:
1、将TL2640I摄像头模块连接到实验板的VPIF接口。连接完成后如下图所示:

2、使用USB线将仿真器的USB接口端连接至电脑的USB口,另一端连接至JTAG口,注意接口的正反,不要接反。
3、将拨码开关编号1~5对应拨到DEBUG模式01111。
4、连接电源,拨动实验箱的电源开关,上电。
5、右击计算机图标,点击“设备管理器->通用串行总线控制器”或者“设备->端口(COM和LPT)”,查看是否有对应的仿真器的选项出现,如有说明仿真器驱动已经正常安装,否则请先正确安装CCS。

实验结果:
点击运行程序后,LCD上会实时显示采集到的图像,并显示帧率fps=31.0,如下图所示:


4►
设备概述
//

产品型号:TL6748-PlusTEB
处理器类型:TI TMS320C6748
应用领域:图像处理、音频处理、信号处理、通信、测控、自动化
NVIDIA RTX PRO 4500 Blackwell GPU测试分析