时间:2023-09-21 17:26
人气:
作者:admin
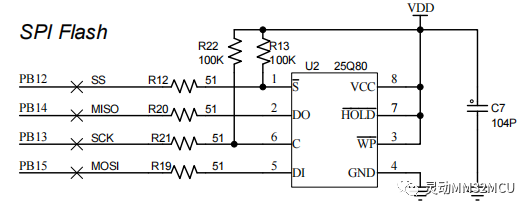
前提
查看MM32F0140的MiniBoard原理图,SPI挂载了W25Q80。

一、SPI介绍
串行外设接口,Serial Peripheral Interface。一种高速的、全双工、同步的串行通信总线。主要应用于EEPROM、FLASH、AD转换器,还有数字信号处理器和数字信号解码器之间。
SPI 支持同时发送和接收数据,采用主从工作方式。SPI 通过 4 个引脚与外部器件相连,分别是:
MOSI:主设备输出、从设备输入引脚。传输方向为主设备发送到从设备。
MISO:主设备输入、从设备输出引脚。传输方向为从设备发送到主设备。
SCK:串行时钟信号,由主设备产生并提供给从设备。
NSS:片选信号,从设备选择。
下图示意主、从设备之间一对一通信时的连接情况:

主设备负责发起通信请求,从设备负责响应,从设备通过 SCK 引脚得到主设备提供的时钟信号,从而使得主、从设备均使用同一个时钟进行同步的全双工通信。对于从设备而言,MOSI 引脚输入来自主设备的发送数据,MISO 引脚输出响应数据传给主设备。
SPI 需要根据从机特性,选配时钟极性(CPOL)和时钟相位(CPHA),比如从机时钟空闲时为低电平,且在时钟信号的第一个跳变沿采样,此时时序见下图:

二、W25Q80介绍
W25Q80是一种串行闪存存储器,主要特点包括:
容量:8 Mbit(1 MB)的存储容量,可以存储大量数据。
SPI接口:采用SPI接口进行数据通信,具备高速的数据传输能力。
快速读取:支持快速的连续读取操作,可提供高效的读取性能。
块擦除:支持块擦除功能,可以批量擦除数据,提高擦除效率。
低功耗:采用低功耗设计,适用于对功耗要求较高的应用场景。
W25Q80可以划分为 4096 个扇区,每个扇区包含 256 个页,每个页的大小为 256 字节。
下图为W25Q80的指令:

三、例程
1.介绍
本例程实现SPI与W25Q80通信,SPI查询W25Q80的设备号,并全片擦除后写入数据,再读取出来,看写入的数据与读取的数据是否一致。
2.编码详情
1)初始化配置SPI,速度为PCLK1(36MHz)的32分频,约为1.125MHz;
SPI_InitStructure.SPI_Mode=SPI_Mode_Master; SPI_InitStructure.SPI_DataSize=SPI_DataSize_8b; SPI_InitStructure.SPI_DataWidth=8; SPI_InitStructure.SPI_CPOL=SPI_CPOL_Low; SPI_InitStructure.SPI_CPHA=SPI_CPHA_1Edge; SPI_InitStructure.SPI_NSS=SPI_NSS_Soft; SPI_InitStructure.SPI_BaudRatePrescaler=SPI_BaudRatePrescaler_32; SPI_InitStructure.SPI_FirstBit=SPI_FirstBit_MSB; SPI_Init(SPI2,&SPI_InitStructure); exSPI_DataEdgeAdjust(SPI2,SPI_DataEdgeAdjust_FAST); SPI_BiDirectionalLineConfig(SPI2,SPI_Direction_Tx); SPI_BiDirectionalLineConfig(SPI2,SPI_Direction_Rx); SPI_Cmd(SPI2,ENABLE);
2)编写SPI发送和读取数据的函数
uint32_twriteAndReadData(uint8_tdata)
{
SPI_SendData(SPI2,data);
while(1){
if(SPI_GetFlagStatus(SPI2,SPI_FLAG_TXEPT)){
break;
}
}
while(1){
if(SPI_GetFlagStatus(SPI2,SPI_FLAG_RXAVL)){
returnSPI_ReceiveData(SPI2);
}
}
}
3)获取W25Q80的设备ID
SPI_CSInternalSelected(SPI2,ENABLE);//片选
writeAndReadData(0x9F);//读ID指令
ID|=writeAndReadData(0x00)<< 16;
ID |= writeAndReadData(0x00) << 8;
ID |= writeAndReadData(0x00);
SPI_CSInternalSelected(SPI2, DISABLE); // 取消片选
printf("
read device id: %X", ID);
4)全片擦除W25Q80,并检查状态等待擦除完成
SPI_CSInternalSelected(SPI2,ENABLE);
writeAndReadData(0x06);//写使能
SPI_CSInternalSelected(SPI2,DISABLE);
SPI_CSInternalSelected(SPI2,ENABLE);
writeAndReadData(0xC7);//全片擦除指令
SPI_CSInternalSelected(SPI2,DISABLE);
SPI_CSInternalSelected(SPI2,ENABLE);
writeAndReadData(0x05);//读状态寄存器
while(1){
temp=writeAndReadData(0x00);
if((temp&0x01)==0x0)//擦除完成
break;
}
SPI_CSInternalSelected(SPI2,DISABLE);
printf("
erasecomplete");
5)写数据,并检查状态等待写完
for(i=0;i< 256; i++) txData[i] = i;
SPI_CSInternalSelected(SPI2, ENABLE);
writeAndReadData(0x06);// 写使能
SPI_CSInternalSelected(SPI2, DISABLE);
SPI_CSInternalSelected(SPI2, ENABLE);
writeAndReadData(0x02); // 页编程
writeAndReadData(0x00); // 页地址
writeAndReadData(0x00);
writeAndReadData(0x00);
for (i = 0; i < 256; i++)
{
writeAndReadData(txData[i]);
}
SPI_CSInternalSelected(SPI2, DISABLE);
SPI_CSInternalSelected(SPI2, ENABLE);
writeAndReadData(0x05); // 读状态寄存器
while(1) {
temp = writeAndReadData(0x00);
if((temp & 0x01) == 0x0) // 页编程完成
break;
}
SPI_CSInternalSelected(SPI2, DISABLE);
printf("
page programm complete");
6)读数据,并打印出来
SPI_CSInternalSelected(SPI2,ENABLE);
writeAndReadData(0x03);//读数据
writeAndReadData(0x00);//页地址
writeAndReadData(0x00);
writeAndReadData(0x00);
for(i=0;i< 10; i++)
{
rxData[i] = writeAndReadData(0x00);
}
SPI_CSInternalSelected(SPI2, DISABLE);
printf("
read data completely
");
for (i = 0; i < 10; i++)
printf("
rxDate[%d] = %d", i, rxData[i]);
3.串口输出结果
下图为串口输出数据,基本符合程序流程和结果。

4.逻辑分析仪
下图为逻辑分析仪截取的发送接收图片,可以清楚的看到当前SCK速度接近1.125MHz,以及发送数据也符合预期。

审核编辑:刘清
NVIDIA RTX PRO 4500 Blackwell GPU测试分析