时间:2023-09-11 10:28
人气:
作者:admin
茂睿芯推出的最新具有待机模式的收发器MCAN1042,能有效降低整车系统待机功耗。MCAN1042在实现CAN FD通信的同时,还提供总线±70V耐压的能力,并且该款新品兼容3.3V和5V MCU,能为客户提供更多故障保护解决方案,为汽车制造商在整车系统性能、产品质量和可靠性赋能。
一、MCAN1042产品特征
5V电源供电,兼容3.3V/5V微处理器,支持12V和24V车载系统
符合ISO11898-2:2016和ISO11898-5:2007物理层标准
所有器件支持经典CAN和5Mbps CAN FD
±30V接收器共模输入电压
典型循环延迟:110ns
结温范围:-40℃~150℃
未上电时的理想无源特性
— 总线和逻辑引脚呈高阻态(无负载)
— 上电和掉电时总线和RXD输出无毛刺脉冲
保护特性
— 总线故障保护:±70 V
— VCC和VIO(仅限MCAN1042V系列)电源引脚上具有欠压保护
— 驱动器显性超时(TXD DTO)
— 数据速率低至9.2kbps
— 热关断保护(TSD)
— 过流保护(OCP)
— ±6kV HBM
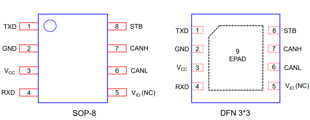
提供SOP8/DFN3*3-8封装,提供绿色环保无铅封装
AEC-Q100认证
二、MCAN1042 CAN FD收发器封装及引脚功能
1、MCAN1042引脚封装图

2、MCAN1042引脚功能定义

三、MCAN1042 应用框图
1、典型系统应用框图

2、5V MCU应用框图

3、3.3V MCU应用框图

四、MCAN1042收发波形
(测试条件:5Mbps)

五、MCAN1042产品优势
1、良好的共模特性输出
针对车载领域复杂的电磁环境,茂睿芯对MCAN1042驱动器进行了特殊优化,保证其最优的共模输出性能。图为VCC=5.5V,TXD=2Mbps,Csplit=4.7nF时的共模输出特性图。

2、±70V总线故障保护
由于在实际应用环境中经常出现线路磨损、人为短接等原因,CAN总线容易与系统电源发生短接,这就需要CAN收发器具备一定的总线耐压能力,以提高整个系统的可靠性。而MCAN1042的总线故障保护能力最高可达±70V,足以满足乘用车系统或商用车系统对CAN收发器总线耐压的要求。
3、±30V的共模信号接收
在具体使用场景中,通信双方一般是采用双绞线形式进行差分信号的传输,有时由于双方所处地的电压不同,接收方接收信号时共模电压会产生较大偏移。针对这个问题,MCAN1042将共模电压输入提升至±30V,大大减少了因为共模电压过大时接收方发生解析数据异常的情况。
4、支持CAN FD协议
MCAN1042符合ISO11898-2:2016标准,可支持5Mbps的灵活数据速率(Flexible Data-Rate)。
六、典型应用
七、MCAN1042选型表

MCAN1042的推出能有效应对如今汽车内部越发复杂的CAN数据通信,在有限的车辆空间中保证CAN收发器的可靠性,助力汽车控制智能化!
审核编辑:刘清
NVIDIA RTX PRO 4500 Blackwell GPU测试分析