时间:2023-08-11 15:41
人气:
作者:admin
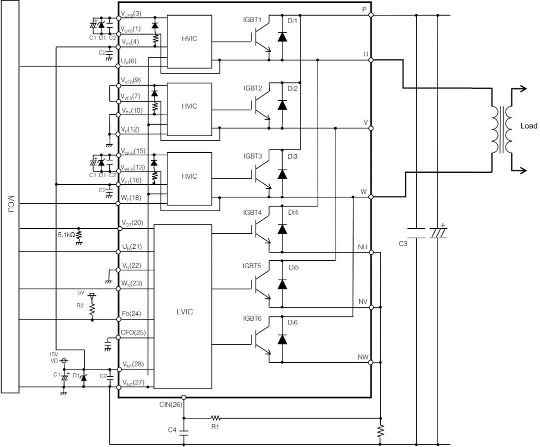
3.8DIPIPM的特殊应用
3.8.1DIPIPM在H桥应用中的注意要点
应该很多用户都注意到了,目前的DIPIPM都是3相桥电路。如果我只需要两个桥臂做一个H桥的电源,应该怎么弄呢?今天我们就来聊聊这个问题。
3.8.1.1 功率部分
问
既然是H桥那就是有一个桥臂不需要使用。我们应该放弃哪一个桥臂呢?
答
从发热的角度来说,我们建议放弃V相。这样U相和W相的发热距离更远,相互之间的热干扰也更少。如图1所示。

图1 小型DIPIPM在H桥应用中的发热示意图
既然有一个桥臂不用了,那么仿真软件还能用么?
仿真软件还能继续用,只是部分数值需要调整。
图2所示为DIPIPM在H桥应用中的结温计算模型。我们以PSS50S73F6为例演示一下其在H桥应用中的功耗仿真。

图2 DIPIPM在H桥应用中的结温计算模型
仿真条件:SVPWM, Vcc=300V, Io=50Apeak, PF=0.8, M=1, fc=5kHz, fo=60Hz, Ts=100℃
图3是该工况下功耗仿真软件的仿真界面。

图3 PSS50S73F6仿真结果
如表1所示,由于少了V相桥臂的发热,整体损耗下降了1/3,对应的△T(c-s)也相应下降。U相和W相的结温也有所下降。当然V相由于没有工作,Tj=Tc,并没有额外的温升。
表1 三相桥和H桥仿真计算对比

3.8.1.2 控制部分
功率部分明白了,那么对应的控制部分要怎么处理呢?
主要分两部分。一是短接自举电源,不给上桥臂供电。二是控制信号直接拉低,防止V相误动作。具体可以参见图4。

图4 DIPIPM H桥运行推荐电路
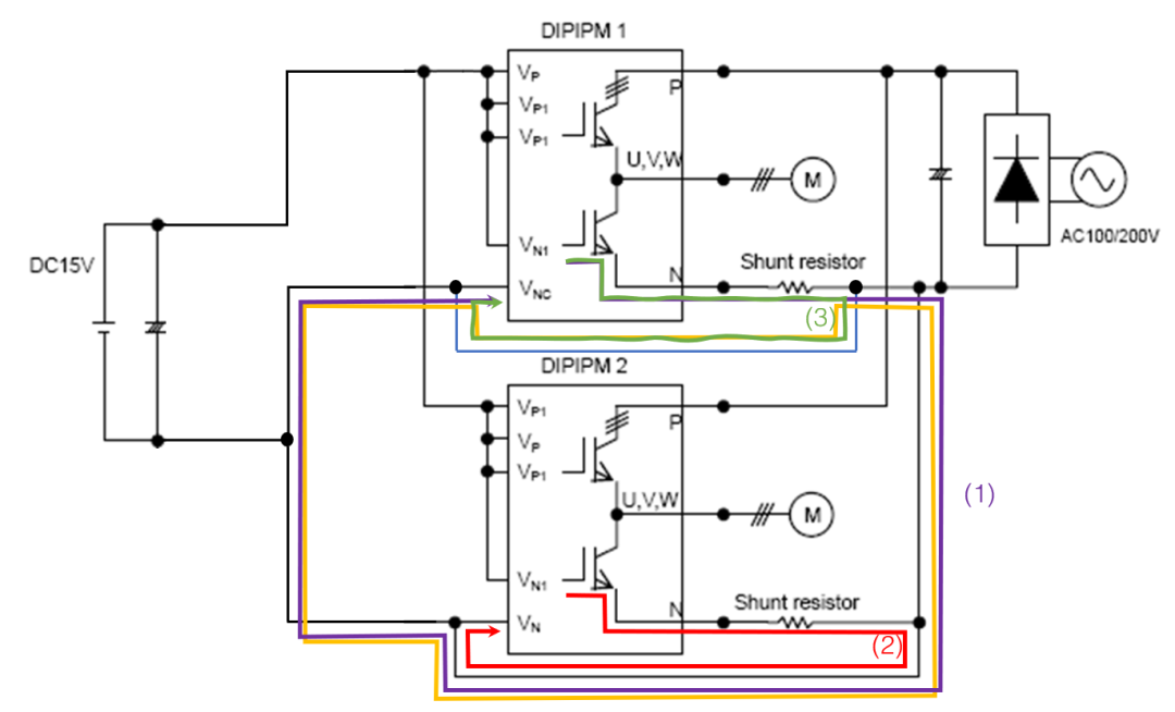
3.8.2多DIPIPM共地应用中的注意要点
第3.4讲《DIPIPM的PCB布板应用要点》中我们提到过,DIPIPM的布线核心是单点接地。这个结论的前提是系统中只有一个功率半导体。而实际系统中,常常会有多个功率半导体。比如变频空调的控制板涉及4个功率器件,开关电源的MOSFET,PFC的IGBT,驱动压缩机的DIPIPM和驱动风机的DIPIPM。再比如多轴伺服里常遇到的4-6轴驱动器。
每个功率半导体都有自身的控制回路和功率回路。多个功率半导体共用控制回路自然会导致多点接地,进而形成地线环路。那么我们应该怎么做呢?
3.8.2.1 应用手册中的描述

图5 应用手册中关于DIPIPM并联的描述
在三菱电机的应用手册中,实际上并不推荐两片DIPIPM共用一组15V电源。如上图所示,电流路径1会经过较长的PCB走线,从而导致更多的噪音和误动作。
3.8.2.2 地线改善思路
虽然三菱电机并不推荐这样的应用,但是面对老板的要求,我们还是要努力一下的。

图6 多DIPIPM应用中的电流路径
针对DIPIPM1,首先需要增加一条控制地到功率地的短接线,希望DIPIPM1的下桥臂充电电流沿着电流路径3 (绿色)前进。
由于电流路径1仍然是没有阻抗的。所以电流路径1和电流路径3将同时存在。另外,黄圈部分会形成一个新的地线环路。我们需要通过增加阻抗让电流选择电流路径3。
黄圈的右边沿走线实际是功率地的走线,不适合增加电阻。
黄圈的下边沿同时也是电流2的回路,在此处增加阻抗,会影响DIPIPM2的开关速度。
在黄圈的上边沿增加阻抗,将使电流偏向电流路径1。这并不符合我们的期望。
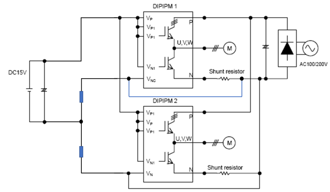
黄圈的左边沿更适合增加阻抗,使电流偏向路径3,见下图7。

图7 多DIPIPM应用中的接地方案
3.8.2.3 一些说明
a)实践经验表明,该电阻应该小于0.5Ω。过大的电阻可能会引起地线波动,进而引起误动作。
b)也有一些用户使用了磁珠/电感之类的器件代替电阻。大家可以自行测试。
c)该方案比较直观的现象是控制电源+15V/5V上的噪声等级会有所下降。
d)多轴伺服用户可以自行拓展至4轴和6轴,已经有小白鼠吃过螃蟹了(看起来胃口不错)。
e)最后祝调试顺利。
3.8.3DIPIPM在整流应用中的注意要点
讲了这么多DIPIPM在逆变电路中的应用,今天我们来讲讲DIPIPM在整流中的应用。
图8是一个典型的背靠背电机驱动器的拓扑图。这个拓扑比较常见的应用场景包括风力发电,电梯变频器,油田磕头机等。其主要目的是利用能量的双向流动实现节能乃至发电。
对于DIPIPM来说,由于规格比较小,类似的应用场景并不多,比较典型的是商用空调。其中DIPIPM1作为PWM整流器使用,而DIPIPM2作为逆变器驱动空调压缩机。

图8 背靠背拓扑图
从驱动器规格的角度来看,两个DIPIPM对应的整流器规格和逆变器规格应该是一致的。比如我需要10kW的电驱动压缩机,那对应的PWM整流器也应该能提供10kW的电。所以两个DIPIPM的规格应该是一致。
大体上这个思路是对的。但是会有1个隐蔽的细节可能会影响具体选型。这就是功率因数(PF)。我们知道功率因数(PF)来自电压电流的相位角(cosθ)。θ的变化又带来了有功功率和无功功率。根据有功功率和无功功率的正负,又分成了图9里的4个象限。

图9 4象限运行
当然,对于商用空调驱动器来说情况没有那么复杂。因为能量的方向只有一个,如图10所示。对于DIPIPM2和压缩机而言,DIPIPM2是电源,压缩机是负载,能量从DIPIPM2流向压缩机。而对于DIPIPM1和电感而言,能量的流向是反着的,是从电感流向电源。所以电感是发出功率,DIPIPM1是吸收功率,对应的cosθ/PF也都是负数。

图10 商用空调驱动器中的能量流动
那么PF为负值对DIPIPM的仿真会带来什么影响呢?我们来看一组仿真结果,区别只有PF的正负。
表2 PF对功耗仿真的影响

从表2中我们可以看出,在PF为正时,IGBT的温升远高于二极管。当PF为负时,二极管的温升则反超了IGBT。
所以在PWM整流器的选型中,功率因数是要用负值,并且二极管的温升是重点的关注对象。在某些应用中有可能因为二极管温升过高,导致必须提升一档的情况。
另外,DIPIPM用在PWM整流器时的PCB设计可以参考上一讲的《多DIPIPM共地应用中的注意要点》。相信我,你的老板不会允许用2路隔离电源的。
审核编辑:刘清
NVIDIA RTX PRO 4500 Blackwell GPU测试分析