时间:2023-07-31 23:59
人气:
作者:admin
1►
院校简介
贺州学院(Hezhou University)是由广西壮族自治区人民政府举办的一所公办全日制普通本科高校,坐落于桂、湘、粤三省(区)交界的区域性交通枢纽,中国首个长寿地级市、世界长寿市——贺州市。
贺州学院前身是创建于1943年的广西省立平乐师范学校,2006年经教育部批准建立贺州学院。2013年、2019年分别通过教育部本科教学工作合格评估、审核评估。
人工智能学院(现代产业学院)由原机械与电气工程学院、数学与计算机学院和信息与通信工程学院整合组建而成,包括机械类、电子信息类、计算机类和自动化4大学科专业门类11个本科专业和1个专科专业。学院下设智能工程系、信息与通信工程系和大数据技术系。
2►
培训情况
创龙教仪技术服务工程师前往贺州学院 - 人工智能学院 (现代产业学院)-DSP实验室,针对DSP相关专业课程,进行创龙教仪DSP教学实验箱:TL6748-PlusTEB,的相关操作培训。

TL6748-PlusTEB相关实验 | |
DSP实验环境搭建与CCS开发基础 | 安装CCS与串口调试工具 CCS开发入门 |
DSP基础外设实验 | LED控制实验 直流电机控制实验 数码管显示实验 4x4键盘输入控制实验 LCD触摸屏显示实验 |
语音类实验 | 音频采集与播放实验 MP3音频解码实验 G711A音频编码实验 |
DSP算法实验 | 有限冲激响应滤波器(FIR)算法 快速傅立叶变换(FFT)算法 多路信号混频实验 |
图像类实验 | 图像旋转 图像缩放 边缘检测 RGB24图像灰度转换 |
视频类实验 | 基于CMOS数字摄像头采集LCD显示实验 基于模拟数字摄像头采集LCD显示实验 |
图像类实验 | 基于CMOS数字摄像头的灰度转换实验 网络摄像头的采集与显示 |

老师们对创龙教仪专业的技术能力与认真的工作态度表示了肯定。
3►
特色案例
TL6748-PlusTEB 经典实验案例
实验名称:
基于CMOS数字摄像头采集LCD显示实验
实验目的:
(1)掌握OV2640摄像头的工作原理。
(2)掌握VPIF总线的工作原理。
(3)实现VPIF总线控制OV2640摄像头采集图像,并显示在LCD上。
实验原理:
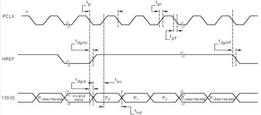
OV2640可支持200万像素,分辨率可高达1600x1200,帧率可达30帧/秒,最高帧率可达60帧/秒。OV2640是采取先读一行像素,再跳到下一行重新开始读取新一行像素。首先,我们看行输出时序:

图像数据在HREF为高的时候输出,当HREF变高后,每一个PCLK时钟,输出一个字节数据。比如我们采用UXGA时序,RGB565格式输出,每2个字节组成一个像素的颜色(低字节在前,高字节在后),这样每行输出总共有1600*2个PCLK周期,输出1600*2个字节,然后,看帧输出时序:

当HREF输出高电平时开始读取一行像素点,当低电平时不操作,重复操作即可读取一帧图像。OV2640支持:RGB565或JPEG输出。RGB565输出时,时序如图所示。JPEG输出时,PCLK大大减少,且HREF不连续,数据流以0XFF,0XD8开头,以0XFF,0XD9结束,将此间数据保存为.jpg,可在电脑打开查看。
程序流程:

实验操作:
1、将TL2640I摄像头模块连接到实验板的VPIF接口。连接完成后如下图所示:

2、使用USB线将仿真器的USB接口端连接至电脑的USB口,另一端连接至JTAG口,注意接口的正反,不要接反。
3、将拨码开关编号1~5对应拨到DEBUG模式01111。
4、连接电源,拨动实验箱的电源开关,上电。
5、右击计算机图标,点击“设备管理器->通用串行总线控制器”或者“设备->端口(COM和LPT)”,查看是否有对应的仿真器的选项出现,如有说明仿真器驱动已经正常安装,否则请先正确安装CCS。

实验结果:
点击运行程序后,LCD上会实时显示采集到的图像,并显示帧率fps=31.0,如下图所示:

4►
设备概述
//

产品型号:TL6748-PlusTEB
处理器类型:TI TMS320C6748
应用领域:图像处理、音频处理、信号处理、通信、测控、自动化
NVIDIA RTX PRO 4500 Blackwell GPU测试分析