时间:2023-08-07 16:04
人气:
作者:admin
应用背景
机械键盘在最近几年发展迅猛,功能也逐渐丰富,在开源环境中也存在几个发展迅猛的开源项目,比如QMK。这些项目对STM32之类的芯片虽然有所支持,但是相关资料也会少很多,所以项目之初我是希望可以将QMK作为一个软件包接入RT-Thread,但是由于对其了解不够深入,最后项目变成了完成键盘为主(主要PCB已经画回来了)。
本次作品,是希望借实现一个小键盘接触QMK之类的开源项目,并将其接入RT-Thread,这样对于机械键盘这个行业而言,主控芯片的选择会丰富很多。
实现功能
本项目主要为一个通过USB HID协议对电脑进行通信的机械键盘(30左右键+3个编码器),添加WS2812的灯珠,添加1.14寸OLED显示屏,均完成基础功能编写测试(存在部分不稳定的bug)。通过RT-Thread为每一个设备建立线程,实现了互相通讯,实现了部分互动特效。
开发板和RT-Thread使用情况概述
本次设计对键盘部分设计了PCB以及顶部定位板的PCB,使用40P的FPC排线将所有所需引脚引出,通过杜邦线连接到主控板,使用的主控板为国民技术提供的N32G457开发板,将所有IO引出,考虑之下,作为前期项目,采取了杜邦线的形式。
在设计PCB的时候,考虑到整体键盘一体性,有做额外设计,将主控部分放置于顶层定位板处,床层PCB通过FPC排线进行连接。当然由于时间与资源关系并没有完成该部分,定位板只做定位板使用,是便于调试的选择。
在软件层面该程序使用RT-Thread 4.1.0为主控系统,部分内容通过对软件包的修改完成。
硬件框架
如图:

实装了OLED,WS2812b,和键盘本体,通过FPC排线接到转接板,通过杜邦线连接到开发板。
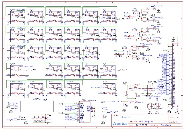
对于机械键盘部分,原理图如下。

软件框架说明

针对每一个外设都有做线程,USB接收的信息有CapsLock和NumsLock,这类事件通过Event公告。
keyboard线程是10ms扫描一次,先扫描矩阵键盘,再扫描旋转编码器。
当发现有按键需要发送出去,在线程内先打包好,然后通过消息队列发送出去。
软件模块说明
由于N32G45X的BSP并不支持USB设备,在移植尝试进行了一些时间后,由于本身并未研究过USB设备,在仍然希望最终结果相对完整的前提下,选择了另一种方法。根据国民技术提供的N32G457的库函数,内部包含了部分使用USB向电脑发送数据的例程,本次项目将该部分例程魔改,并未初始化USB的device,但对USB设备分配了一个线程,使用RT-Thread的方法进行桥接,发送所需数据到例程中设备向USB主机发送设备的位置,最终实现了成功枚举HID设备并正常进行打字输入。
现阶段软件在打字部分已经比较完善,ws2812b部分存在bug,会出现颜色偏差。
对SPI部分驱动后续有进行小修复,验证通过,后续会提交PR。
NVIDIA RTX PRO 4500 Blackwell GPU测试分析