时间:2023-08-17 17:22
人气:
作者:admin
智能汽车座舱中通常都配备多种可增强驾驶体验的功能。例如,全液晶中控屏和高清显示屏可以让用户体验更流畅、更简单;驾驶员通过语音识别功能可以拨打电话,还能实现智能导航;高品质的音响和氛围灯,就可以拥有观影和听音乐的沉浸式体验。此外,无线下载 (OTA) 技术能够将驾驶员的手机与车载系统无缝连接;智能座舱甚至可以监控驾驶员状态,提供紧急路况预警,驾驶也更加安全了。
汽车智能座舱不仅是功能强大的出行助手,也是连接用户与数字智能的桥梁。消费者与车辆之间频繁、密切的接触均通过座舱体现;通过座舱系统,消费者能够具体地看到汽车越来越智能、越来越创新。
根据 iCVTank 的数据,2020 年全球智能座舱市场价值 231 亿美元,预计到 2026 年将达到 440 亿美元。其中以车载信息娱乐市场规模最大,占比达到 64.3%;其次是占 27.05% 的座舱显示系统和占 4.62% 的抬头显示系统。在影响用户购买决策的关键因素(如功率、空间和价格)当中,座舱的可配置性已成为重要的考量因素。
本文将通过介绍 MPS 与芯驰科技联手合作的参考板,探讨汽车智能座舱解决方案的硬件支持系统,另外还将讨论三个关键的电源方案,包括一级电源、二级电源以及背光驱动方案。
汽车智能座舱的计算能力
2021 汽车智能座舱白皮书 指出,主 SoC 的计算能力是决定座舱功能与性能的关键。而中央处理器 (CPU) 的计算能力主要通过每秒百万条指令(Dhrystone DMIPS)来衡量,DMIPS 是指每秒处理多少百万机器语言指令。为了满足不断延展的应用覆盖范围,CPU 的计算能力要求也日益增长。截至目前,超过 20kDMIPS 的 SoC 足以满足智能座舱处理器的要求,并且需求还在不断提高。
汽车智能座舱可以提供多种功能,包括抬头显示系统、视觉感知系统和语音交互系统等。图 1 对智能座舱系统的典型功能给出了概览。

图 1: 智能座舱的典型功能
我们将通过高性能的芯驰 X9 芯片来探索智能座舱解决方案的硬件架构(见图 2)。

图 2:芯驰 X9 系列座舱芯片(图片来源:芯驰科技)
MPSafe™ 解决方案
了解 MPS 严格遵从 ISO26262 标准的功能安全产品开发流程
文章 
汽车信息娱乐系统的电源设计(上)
了解一级电源和二级电源的特性
参考设计 
Versal AI Edge(汽车级)全电源管理参考设计
从冷车启动到负载突降
汽车瞬变入门
X9 系列处理器是芯驰科技面向新一代汽车电子座舱的车规级芯片。该系列新型智能座舱技术集成了高性能 CPU、图形处理单元 (GPU)、AI 加速器、视频编解码处理器以及其他加速单元。单个 X9 处理器可同时驱动多达 10 台高清显示器(如仪表盘、中控台、后视镜和后排娱乐系统),并支持多屏共享与交互,以满足未来汽车智能座舱的功能需求(见图 3)。X9 处理器还集成了丰富的接口和总线协议,如 PCIe、USB、CAN-FD(弹性数据速率控制器局域网)和以太网。因此,该系列处理器能够以低成本无缝衔接各类车载系统。
X9 系列包括 X9E、X9M、X9H、X9HP 和 X9U。这些处理器配备了不同数量的 CPU 和 CPU 内核,最大算力达到 100k DMIPS,覆盖液晶显示屏(LCD)仪表、中控导航、高端智能座舱等多种座舱应用场景。此外,X9 全系列均兼容多种软硬件,可以帮助客户降低开发成本,缩短开发周期,而且一次设计就可适用于不同模型的应用。
MPS 与芯驰科技联手开发 X9H 参考板
X9H 是 X9 系列中的高性能型座舱芯片,采用 6 核 A55 外加数个 R5 核,CPU 算力高达 36K DMIPS,GPU 算力高达 140 GFLOPS。MPS 与芯驰联手合作开发的 X9H 参考板,可以实现多达 4 屏联动的智能座舱解决方案。该参考板的输入端直接由 12V 电池供电。由于 SoC 的供电轨通常多为低于 1V 的电压等级,因此建议采用两级电源方案以提高系统转换效率,同时应对冷启动和抛负载情况下的电池电压波动。
一级电源方案
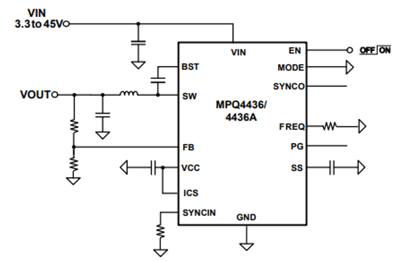
一级电路采用 MP4436-AEC1 将 12V 电源转换为 5V。MP4436-AEC1 是一款频率可调的汽车级同步降压开关稳压器,其最大输入电压 (VIN) 为 45V,最大输出电流 (IOUT) 为 6A, 同时支持并联配置(参见图 4)。

图 4:MPS 一级电源方案:MP4436-AEC1
MP4436-AEC1 的功能特性描述如下:
4mm x 4mm 超小封装尺寸减小了布板面积;
超高转换效率支持舱内复杂环境的散热;
动态性能为后级电路提供了稳定的输出;
支持多颗并联的可拓展性增加了客户设计的灵活性和平台的传承性;
丰富的内部保护功能确保了系统可靠性,如带打嗝模式的过流保护(OCP)和输入欠压保护(UVP)。
还有具有展频功能(FSS)版本的 MPQ4436A-AEC1,展频功能可降低系统的 EMI 干扰,降低客户整板的 EMI 设计难度,客户可以根据需求灵活选择。
二级电源方案
MPQ217x 汽车级开关稳压器系列可实现与 X9E、X9M 和 X9H 之间灵活的引脚对引脚兼容。该系列稳压器包括 MP21777-AEC1(1A I)OUT)、MP2178-AEC1(2A I)OUT) 和 MPQ2179-AEC1(3A一)OUT),这些器件均支持不同平台中的统一硬件布局。
以 X9H 为例,根据不同 SoC 电源轨的电流要求,其二级电路由多个 MPQ2179-AEC1 和 MP2167A-AEC1(6A I)OUT)组成。
图 5 显示了二级电源解决方案的系统架构。

图 5:二级电源解决方案系统架构
采用 MPQ2179-AEC1 和 MP2167A-AEC1 实现的二级电路具备如下优势:
MPQ2179 和 MPQ2167A 是专门针对 5V 应用如信息娱乐系统、ADAS、摄像头和智能座舱等设计的,这些应用均要求快速瞬态响应、超低噪声、高精度输出以及良好的散热性能。
采用 MPS 最新的 Bipolar-CMOS-DMOS (BCD) 低电阻工艺,再结合先进的倒装芯片封装工艺,可实现较高的系统效率。
MPQ2179-AEC1 的 2.4MHz 高开关频率 (fSW) 减小了电感尺寸,避开了 AM 无线电频段,而且降低了对汽车无线电频段的干扰。
MP2167A-AEC1 采用小尺寸 (3mmx3mm) 封装,其工作频率可通过外部电阻设置,最高可达 2.2MHz。该器件还集成了丰富的保护功能,包括逐周期过流保护(OCP)、输出短路保护(SCP)、输入欠压保护(UVP)和输出过压保护(OVP)。
背光驱动方案
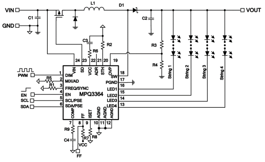
X9H 最多可支持四路全高清显示,其屏幕点亮和调光均需要背光驱动芯片。以 MP3364-AEC1 为例,该器件为一款升压 WLED 驱动器,最大工作频率为 2.2MHz,每通道最大驱动电流为 150mA,可支持高达 50V 的最大输出电压 (VOUT)(参见图 6)。

图 6:MP3364-AEC1 典型应用功能框图
MP3364-AEC1 的功能特性描述如下:
支持 I2C 接口,且芯片本身支持 3 个 I2C 地址,同一条 I2C 总线可以支持挂 3 颗芯片,方便使用时对多颗芯片进行配置;
提供三种可用调光模式:脉宽调制(PWM)调光、模拟调光和混合调光(PWM 和模拟调光),可通过外部引脚进行选择。PWM 调光比和模拟调光比分别达 15000:1 和 200:1 ,精细的调光比可实现屏幕亮度的微调。
支持逐周期电流保护、LED 开路保护和短路保护(SCP)、电感短路保护(SCP0)、输出过压保护(OVP)和过温保护(OTP)。丰富的内部保护功能确保了背光驱动系统安全可靠的运行。
图 7 展示了 X9H 参考板的多屏交互解决方案,其中面板由 MP3364-AEC1 驱动。

图 7:X9H 参考板的多屏交互解决方案(资料来源:芯驰科技)
结语
汽车智能座舱中 SoC 的技术进步对计算能力、主频和动态响应速度提出了更高的要求。与此同时,它还要求单 Phase 或多 Phase 的输出电流等级更高。这些因素的综合将对电源芯片的选择与设计带来新的挑战。
为应对这些挑战,MPS 与芯驰科技联手开发 X9H 参考板,共同打造出一款智能座舱解决方案。本文介绍的两级供电方案不仅可以提高系统的转换效率,还能支持电池电压的波动,同时还提供了背光驱动方案。随着汽车电源行业的持续发展,MPS 不断创新并推出极具竞争性的产品组合,引领了智能座舱的变革。
审核编辑:彭菁
下一篇:MPS电源模块加速未来到来
NVIDIA RTX PRO 4500 Blackwell GPU测试分析