时间:2023-07-14 15:27
人气:
作者:admin
简 述 :****
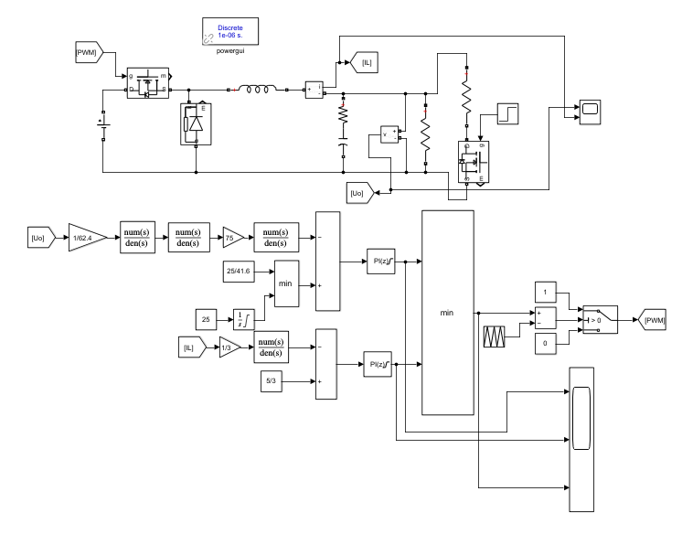
采用电压控制模式的降压式变换器的电路框架如图所示。其中输出电压经过一个增益模块与低通滤波器后与参考输出电压进行比较,将误差量经过一个误差放大器后获得开关管的控制电压。开关管的控制电压与定频的周期三角波进行比较获得开关管的PWM控制信号从而使得输入电压与输出负载发生变化的时候输出电压能够维持不变。

小信号模型:
采用PWM控制的降压式转换器可以利用状态平均法来推导其小信号模型,作为其电压回路误差放大器的设计依据。
在CCM下,降压式转换器的开关管以及二极管的状态平均电路如图所示。

将输入电流与输出电压利用状态平均方程可知:




在工作点处增加一个小信号扰动可以求得此稳态工作点的小信号模型为:


根据上式,忽略其中两个小信号量相乘的项,可以得到该电路的小信号方程式如下:


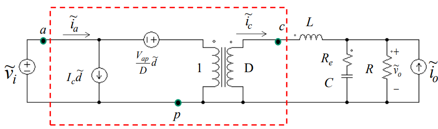
根据上两式可以得到开关管及二极管的小信号模型等效电路图:

在小信号等效电路图中增加一个LC滤波器可得:

降压式变换器在CCM工作模式下的小信号模型输出电压受到输入电压、负载电流以及开关管占空比的小信号扰动。为了获得占空比到输出电压的传递函数可以令另外两个影响量等于0,,因此电路图可以简化为如下所示:

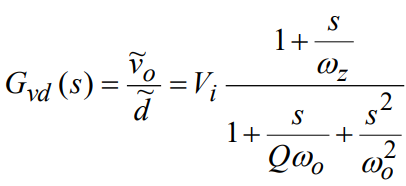
根据上图可以得到传递函数为:

其中,

同理,也可以获得输出阻抗的传递函数如下:


其等效电路图如下:

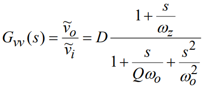
输入输出传递函数如下:


其等效电路图如下:

回路增益误差放大器设计:

根据小信号模型可知,电压控制模式的控制回路流程图如下:


由上图可知,电路闭环的增益为:

传统的误差放大器是根据上式进行设计的,其中T的bode图如下:

基于小信号扰动建模的实际电路的电压控制模式具体流程图如下:

其中两个滤波器的作用分别是用于代表电压感测电路和电压感测元件本身的频宽。本次采用matlab进行设计。





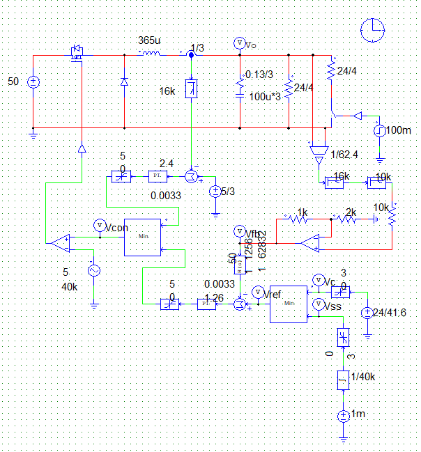
仿真结果如下:


根据以上仿真结果与电路参数整理可得:


控制器参数:

实验验证:



总 结:
除了电压环控制外,仿真电路还增加了定电流模式,当负载电流超过5A的时候电源将会进入CC模式限制负载电流最高工作在5A,由于此时负载电阻为3Ω,则输出电压为15V。
仿真效果图:



下一篇:构建MBD仿真模型和状态机
NVIDIA RTX PRO 4500 Blackwell GPU测试分析