时间:2023-07-12 10:58
人气:
作者:admin
逆变,即直流-交流变换电路,能够将直流电能转换为交流电能,今天要仿真的是三相桥式PWM逆变电路。
一、名词解释:
1.PWM(Pluse Widthmodulation)控制
脉冲宽度调制技术,即对逆变电路开关器件的通断进行控制,使输出端得到一系列幅值相等的脉冲,用这些脉冲来代替正弦波或所需要的波形。
2.面积等效原理
在采样控制理论中有一个重要结论,即将形状不同但面积相等的窄脉冲加之于线性惯性环节时,得到的输出效果基本相同。

如上图(a)(b)(c)(d)所示的四个窄脉冲,分别是矩形波、三角波、正弦半波形窄脉冲以及理想单位脉冲函数,如果分别以它们为波形的电压源u(t)在零时刻突加到电阻、电感串联负载上,如下图所示,且负载时间常数远大于激励脉冲持续时间,那么得到的响应i(t)如下图所示:

可见,该环节对面积相等的各窄脉冲响应在下降段形状基本一致,只是在上升段不同,这是因为持续时间较长的下降时段体现了响应的低频成分,持续时间短的上升段体现了反应的高频分量。
3.SPWM(Sinusoidal pulse width modulation)
正弦脉冲宽度调制,即脉冲的宽度按正弦规律变化而和正弦波等效的PWM波形,如下图是用等面积窄脉冲序列等效正弦半波的图示。

4.PWM波形控制技术
(1)计算法:如果给出了逆变电路的正弦波输出频率、幅值和半个周期内的脉冲数,PWM波形中各脉冲的宽度和间隔就可以准确计算出来。按照计算结果控制逆变电路各开关器件的通断,就可以得到所需要的PWM波形。这种方法称为计算法。(计算法太复杂,而且当需要输出的正弦波的频率、幅值或相位变化时,结果都要变化)
(2)调制法:即把希望输出的波形作为调制信号,把接受调制的信号作为载波,通过信号波的调制得到所期望的PWM波形。通常采用等腰三角形或锯齿波作为载波,其中等腰三角形应用最多,因为等腰三角形任一点的水平宽度和高度成线性关系且左右对称,当它与任何一个平缓变化的调制信号波相交时,如果在交点时刻对电路中开关器件的通断进行控制,就可以得到宽度正比于信号幅值的脉冲,这正好符合PWM控制的要求。在调制信号波为正弦波时,所得到的的就是SPWM波。
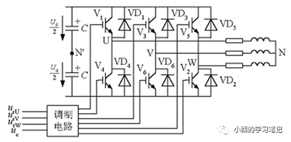
三相桥式PWM逆变电路的建模与仿真
** 一、电路拓扑及电压电流波形**


二、电路仿真模型

PWM调制采用双极性控制方式,U、V和W三相的PWM控制通常公用一个三角波载波uc ,三相的调制 信号urU 、urV和urW依次相差120°。
三、各个模块参数设置:
1.正弦波发生器: 采用三个正弦波发生器来产生A、B、C三相的正弦波调制波形。



2.调制波输入“PluseGenerator(2-Level)”模块产生开关脉冲信号。

我们点开此模块的help,可以查看帮助手册:



可以看到,里面介绍了自然采样、规则采样以及模块参数设置等等
本次仿真采用外部输入调制波的方式,调制度为,0.8调制波频率50Hz,开关频率5000Hz。具体设置如下:

3.在scope1的多路测量仪测量负载R的电压和电流

4.使用Neutral公共连接点标记两个相同的节点。 设置节点编号,相同编号的节点表示为同一节点,本次仿真通过node1和node2测量逆变器A相输出和负载公共连接点N点之间的电压。

5.电感L和电阻R参数设置
三相滤波电感L为1mH,三相负载电阻R为0.5Ω

四、仿真结果
设置仿真时间为0.1s


放大后的波形

上一篇:CPU缓存一致性协议解析
NVIDIA RTX PRO 4500 Blackwell GPU测试分析