时间:2023-06-14 11:16
人气:
作者:admin
本期应用方案指南,我们将为大家详细讲解拓尔微在按摩椅上的BOM解决方案及5款特色产品的应用要点,知识点多多,大家做好笔记哦~
按摩椅的核心部件包括:主板、马达、机械手等,这些部件需要搭载不同功能的芯片以实现按摩椅的功能。所以想要产品实力好——高功率、低噪声、高可靠,芯片解决方案必须得选好!拓尔微按摩椅方案全而优:标准控制板让按摩更到位,语音控制板让控制更智能,电源控制板让充电更高效!
集成化优势,替代继电器、分立器件—TMI8360SP
提高集成度是消费电子领域永恒的追求,按摩椅作为一种新生活的必需品当然也不例外。拓尔微顺应集成化趋势,为按摩椅应用量身定制了中压大电流驱动IC TMI8360SP,用以替代PCB面积大且元器件复杂的继电器方案和分立方案。
与继电器方案相比,TMI8360SP集成方案在外围、PWM调速、声音、保护功能、抗干扰和使用寿命等方面都有明显优势。

TMI8360SP替代继电器方案
TMI8360SP在替代P+N或者N+N的分立方案时,可极大提升集成度和可靠性。

TMI8360SP替代P+N或者N+N分立方案
拓尔微TMI8360SP 具有良好的抗干扰性,并集成过热、过流、欠压等多种保护功能,真正地提高按摩椅电机系统的安全性,让用户使用更安心。同时,其最大电流达8A且支持PWM调速,让按摩力道控制更精准,有效提升按摩效果。
40V3.5A直流马达驱动IC—TMI8130
拓尔微TMI8130是一颗高耐压,高集成度的直流有刷马达驱动,持续电流为3.5A,峰值电流可达8A,具备恒定电流功能,过流和过温保护功能,集成nFAULT错误恢复与指示功能,可靠性更高。
TMI8130应用原理图TMI8130具备Fixed Off-Time时间可调、Blank Time时间可调、电流衰减方式可调等功能,使得产品应用更加灵活,适用于智能家居中按摩椅、拖地机、扫地机等大功率应用场景。
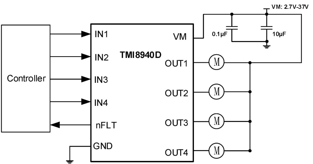
小封装,高可靠性的低边驱动IC —TMI8940D
TMI8940D是一颗单芯片集成4路,最高耐压高达37V,外围简单,具备内置过流、过温保护等多种保护功能,防止芯片烧毁和有效保护产品安全应用。
TMI8940D应用原理图TMI8940D具备可输入输出并联增强电流能力,主要应用于驱动电磁阀和低功率有刷电机等,适用于按摩椅上小按摩部位,如枕头,腰靠、披肩等应用场景。
高压60V1A 异步降压转换器—TMI36010
TMI36010是一颗60V高耐压的异步降压转换器,工作频率支持600kHz,轻载高效,内置多种保护功能,可靠性更高!
TMI36010应用原理图TMI36010集成300mΩ高侧MOSFET,在宽输入电压范围6-60V内实现高效率,适用范围更广,除按摩椅外还适用于电钻、吸尘器等应用场景。
3W单通道D类音频功放—TMS8010/8020
如下图,TMS8010/TMS8020均集成有DRC(防饱和)功能,可以控制音频信号的大小,降低由于供电电压不稳定等原因造成的信号失真,提高音质,同时限制最大输出功率。
TMS8010/20 DRC特性TMS8010/TMS8020的工作模式可灵活切换D类/AB类,补足单纯D类功放无法满足的应用场景,让音频产品的功放选择更简单,设计更灵活,满足用户边按摩边听音乐的需求,提升产品用户体验指数。
得益于以上多种优势,TMS8010/TMS8020可覆盖广泛的市场应用,包括按摩椅、POS机、智能穿戴、安防监控、蓝牙音箱等。
NVIDIA RTX PRO 4500 Blackwell GPU测试分析