时间:2023-03-30 11:35
人气:
作者:admin
本应用笔记介绍了一个可免费下载的PC程序,用于评估MAX7300和MAX7301 GPIO(端口扩展器)。
MAX7300和MAX7301为通用28端口、通用输入/输出(GPIO)处理器外设。通过高速 SPI 进行控制™(MAX7301) 或 I2C (MAX7300) 串行接口。本应用笔记描述了一个实用程序,允许MAX7301或MAX7300驱动器由PC控制。该实用程序可以作为独立使用,以帮助工程师熟悉驱动程序的寄存器和功能。此外,它还可用于在设备软件完成之前直接控制MAX7301或MAX7300寄存器来“验证”应用板原型。
要求
运行 Windows 95、98、98SE、ME、NT、2000 或 XP 的电脑,其并行打印机端口配置为 LPT1 或 LPT2。
描述
该实用程序是一个名为MAX5的Visual Basic 7300程序.EXE它需要标准的Visual Basic运行时库MSVBVM50.DLL才能运行。该程序使用 DriverLINX™免费软件并行端口驱动程序 DLPortIO.DLL它提供 Win32 DLL 硬件 I/O 功能,这些功能在 Visual Basic 中不可用。Windows NT 和 2000 用户还需要 DLPortIO.SYS 内核模式驱动程序。这两个驱动程序都是科学软件工具公司的版权。DriverLINX 是 Scientific Software Tools, Inc. 的注册商标。
安装
要安装到Windows 95、98、98SE、ME平台,请下载MAX7300-01.EXE文件(812kB)。这是一个 WinZIP 自解压存档,包含自述.txt、自述.txt、MAX7301.EXE、DLPortIO.DLL 和 MSVBVM50.DLL。默认下载目录为 C:MAX7300。如果已在计算机上注册库,则可能会删除 MSVBVM50.DLL。
要安装到Windows NT、2000或XP平台,请下载MAX7300-NT.EXE文件(2.3MB)。这是一个 WinZIP 自解压存档,包含自述.txt、自述.txt、MAX7300.EXE、PORT95NT.EXE 和 MSVBVM50.DLL。默认下载目录为 C:MAX7300。PORT95NT.EXE 是 DriverLINX 驱动程序的安装程序,用于安装和注册 DLPortIO.DLL 库和 DLPortIO.SYS 驱动程序。端口95NT.EXE可以在安装后删除。Windows 95,98,98SE,ME用户也可以根据需要使用此安装程序。
将MAX7300或MAX7301连接至并行端口
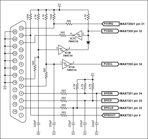
此实用程序使用 3 条并行端口打印机输出线中的 8 条来模拟 SPI 串行接动,另外 2 条输出线来模拟 I2C 串行接动。并行端口控制输入线用于回读SPI数据,I2C 数据和中断状态。多个(最多16个,菊花链)MAX7301和/或多个(最多16个,配置不同的I)2C 地址)MAX7300可以同时工作。可以从软件中选择 LPT1 或 LPT2 端口。端口可以是标准、ECP 或 EPP 类型。端口连接如图 1 所示。

图1.MAX7300和MAX7301连接到并行端口。
该程序在启动时显示3个窗口。这些是主控件、I/O 控件和端口控制窗口。启动时的寄存器设置反映了MAX7300和MAX7301的寄存器上电条件。
主控件如下面的图 2 所示。“驱动器类型”单选按钮选择软件是传输到MAX7301(使用SPI连接)还是MAX7300(使用I)。2C 连接)。

图2.启动时显示程序。
在SPI模式下,软件控制多达16个MAX7301驱动器。假定驱动器是级联的(即,第一个MAX7301的DOUT引脚连接到第二个MAX7301的DIN引脚,其DOUT引脚连接到第三个MAX7301的DIN引脚,依此类推)。MAX7301器件的总数由“驱动器数量”滑块设置。当此值设置为 1 以上时,“启用全局驱动程序写入”和“启用自动增量”复选框可用。当“启用全局驱动器写入”清除时,当选择写入命令时,只有“当前驱动器”滑块选择的MAX7301驱动器被写入 - 其他驱动器接收无操作指令。当选中“启用全局驱动器写入”时,所有MAX7301驱动器都使用相同的数据写入。选中“启用自动增量”时,当前驱动程序编号会在每次写入操作后自动递增。这允许用户快速发送一系列MAX7301驱动器的相同数据。
SPI接口与并行端口的连接可以使用“测试流”工具进行测试,该工具可在“端口连接和帮助...”下找到。当程序运行时。“测试流”功能将无操作指令连续发送到MAX7301(由“驱动器数量”滑块设置),允许在不影响寄存器内容的情况下验证接口连接。
在我2C模式,软件控制多达16个MAX7300驱动器。假定第一个驱动程序的地址设置为 1000000x,最后一个设备的后续设备的地址增加到 1001111x。例如,要访问地址为7300x的单个MAX1001111驱动器,只需将“驱动器数量”滑块设置为16,然后将“当前驱动器”滑块设置为16,地址为1001111x。I 中的主要形式2C 模式如图 3 所示。

图3.我2C 程序显示。
到并行端口的I2C接口连接可以使用“测试流”功能进行测试,该功能可以在“端口连接和帮助…”下找到当程序正在运行时。“测试流”功能将无操作指令连续传输到所有MAX7300(由“驱动程序数量”滑块设置),从而在不影响寄存器内容的情况下验证接口连接。
“快速串行接口”复选框设置 SPI 和 I 的串行接口速度2C 接口类型。选中后,串行接口以取决于机器的全速运行,最高可达 1 Mb/秒;如果未选中,速度限制为最大 500 位/秒。通过很长的电缆连接时,速度慢可能很有用。
该程序通常仅在按下“写入”或“读取”按钮时与目标驱动程序(或多个驱动程序)通信。然而,程序试图监视假定连接到并行端口引脚13的中断输出引脚。这将显示在主窗口中,并将状态显示为高或低。
选中“自动更新控制”按钮后,程序会持续轮询所有 28 个端口输入寄存器和中断寄存器位。读取速率取决于“快速串行接口”复选框的设置,并且是每秒多次(快速)或每隔许多秒(慢速)。注意:慢模式很慢!“读取驱动程序x”滑块允许用户将自动读取的设备设置为通过“当前驱动程序”控件访问的驱动程序。
主窗口是退出程序的路由。退出按钮或按主窗口上的 Esc 键将关闭所有 3 个窗口。在其他 2 个窗口之一中按 Esc 键会将用户带到主窗口;因此,按两次 Esc 键将快速关闭程序。在关闭之前,程序将器件配置的最后设置存储在名为MAX7300.ini的文件中,该文件位于执行程序的同一目录中。没有任何东西写入Windows注册表。设置包括 3 个窗口的位置和主窗口上的界面设置。如果MAX7300.ini不存在,则创建它;否则将被覆盖。要恢复程序默认设置,或者如果MAX7300.ini损坏,只需删除MAX7300.ini文件即可。
图 4 和图 5 显示了其他两个窗口的快照。

图4.I/O 配置窗口。

图5.端口寄存器窗口。
审核编辑:郭婷
上一篇:深入剖析CPU的调度原理
NVIDIA RTX PRO 4500 Blackwell GPU测试分析