时间:2021-07-15 15:52
人气:
作者:admin
随着人类社会的发展,能源的消耗量正在不断增加,世界上的化石能源总有一天将达到极限。同时,由于大量燃烧矿物能源,全球的生态环境日益恶化,对人类的生存和发展构成了很大的威胁。在这样的背景下,太阳能作为一种巨量的可再生能源,引起了人们的重视,各国政府正在逐步推动太阳能光伏发电产业的发展。而在我国,光伏系统的应用还刚刚起步,市场状况尚不明朗。相信作为当今发展最迅速的高新技术之一,太阳能光伏发电技术,特别是光伏并网发电技术将为今后的电力工业以及能源结构带来新的变化。
太阳能作为一种新型的绿色可再生能源,与其他新能源相比是最理想的可再生能源。特别是近几十年来,随着科学技术的不断进步,太阳能及其相关产业成为世界发展最快的行业之一。因为它具有以下的特点:储量丰富、清洁性和经济性、分布范围广泛。
这些技术尤其在我国的北方和西部应用较广并且成效显著。以光伏电池技术为核心的光伏利用成为太阳能开发利用中最重要的应用领域,利用光伏发电,具有明显的优点:
(1)结构简单,体积小且轻;
(2)容易安装运输,建设周期短;
(3)维护简单,使用方便;
(4)清洁、安全、无噪声;
(5)可靠性高、寿命长,并且应用范围广。
太阳能光伏发电系统
光伏发电系统的分类
太阳能光伏发电系统按供电方式大致可以分为独立发电系统、并网发电系统和混合发电系统三大类。
5kw微网逆变器系统设计
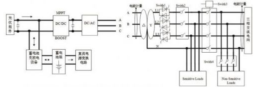
微网逆变器系统将可再生能源(如太阳能,风能,水能,地热能,生物质能等)转变为与电网同频、同相的交流电,优先输送给当地负荷供电,剩余的电能馈入电网。微网逆变器系统主要包括:光伏组件、蓄电池组、蓄电池充放电设备、DC/DC变换器、微网逆变器、静态开关等。
5kw微网逆变器设计
5kw微网逆变器系统结构如图1所示。
微网逆变器是微网逆变器系统中的关键部分。微网逆变器输出为三相交流电,具有并网和独立运行两种工作模式。微网逆变器主电路采用智能功率模块进行逆变,产生三相交流电通过三相变压器(Δ-γ)进行隔离升压,并变成三相四线输出。
静态开关和电能计量设计
静态开关是微网逆变器系统中的重要组成部分。静态开关由三组双向可控硅、两个空气开关以及一个断路器组成,其闭合和断开的驱动信号由DSP产生。
正常工作时,开关Switch1、Switch2、Switch3、Switch4同时闭合,为当地负荷提供电能;当出现电网缺相、电压严重跌落等非正常状况时,由DSP检测出异常情况,做出判断决策,并控制开关的开通与0关断。这时,开通Switch1和Switch2,关断Switch3,保证重要负荷的供电。当逆变器发生故障时,立即断开Switch1,逆变器退出,同时断开Switch4,由电网对重要负荷供电。当逆变器故障消失时,在与电网同步后,开通Switch1,再闭合Switch4,恢复对当地负荷的供电。当需要检修逆变器时,先断开开关Switch2,检修完成后,重新闭合Switch2。
DC/DC变换器方案设计
DC/DC变换器采用Boost拓扑,实现直流电压的升压功能和蓄电池的最大功率点跟踪(MPPT)。PWM驱动信号由DSP产生,通过采集太阳能电池板的输出电压和电流,计算瞬时输出功率,不断与前一时刻的输出功率相比较,来跟踪太阳能电池板的最大输出功率。
蓄电池充放电设备设计
蓄电池充放电设备的硬件电路采用Buck-Boost拓扑,驱动信号由PIC单片机产生。充电时根据当前蓄电池状态,启用均充模式或者浮充模式,实现对蓄电池的智能化充电。当系统需要蓄电池放电时,由PIC单片机产生PWM驱动脉冲,实现蓄电池对负载的放电。
光伏并网系统逆变器要求
并网光伏发电系统的核心是并网逆变器,而此系统中需要专用的逆变器,以保证输出的电力满足电网电力对电压、频率等电性能指标的要求。因此并网时,对逆变器提出了较高的要求,主要有:
(1)要求逆变器输出正弦波电流;
(2)要求逆变器在负载和日照变化幅度较大的情况下均能高效运行;
(3)要求逆变器能使光伏方阵工作在最大功率点;
(4)要求逆变器具有体积小、可靠性高的特点;
(5)在市电断电情况下,逆变器在日照时能够单独供电。
光伏并网系统的拓扑结构
光伏并网系统的拓扑结构可分为以下三类:
(1)单级式并网逆变器拓扑
(2)两级式并网逆变器拓扑
(3)多级式并网逆变器拓扑
5kw微网逆变器电路设计
系统的硬件总体图如图2所示。

图1 5kw微网逆变器系统结构图

图2 系统硬件图
主控制芯片的选择
控制芯片要实现的功能有:对检测信号进行A/D转换;产生PWM波形;完成MPPT;电能计量和反孤岛效应的计算过程。控制电路的核心器件采用美国TI公司的TMS320F2812DSP(简称2812)。
逆变器的设计
逆变器是光伏并网发电系统的核心部件,选择高可靠性的逆变模块是电路正常工作的必要条件。下面对IPM(智能功率模块)组成逆变器和分离元件组成逆变器进行分别阐述。
IPM逆变模块介绍
IPM是一种先进的功率开关器件,具有GTR(大功率晶体管)高电流密度、低饱和电压和耐高压的特点,并具有MOSFET(场效应晶体管)高输入阻抗高开关频率和低驱动功率等优点。IPM内部集成了逻辑、控制、检测和保护电路,不仅减小了系统的体积以及开发时间,也增强了系统的可靠性。
IPM逆变模块保护电路设计
IPM故障输出信号封锁IPM的控制信号通道,软件保护不需要增加硬件,简便易行,但可能受到软件设计和计算机故障的影响;硬件保护则反应迅速,工作可靠。应用中软件与硬件结合的方法能更好的弥补IPM自身保护的不足,提高系统的可靠性。
由IR2130组成逆变模块电路设计
IR2130是600V以下高压集成驱动器件,它具有六路输入信号和六路输出信号,且只需一个供电电源即可驱动三相桥式逆变电路的6个功率开关器件,一片IR2130可替代3片IR2110,使整个驱动电路更加简单可靠。
微网逆变器电源设计
微网逆变器电源系统直接影响逆变器输出的三相交流电和整个系统的稳定性,所以一个稳定的电压系统是逆变器稳定工作又一必要条件。为蓄电池供电的电源系统需要高效率、低纹波。下面分别阐述由外部220V供电和蓄电池供电的电源设计。实验时,可以先用外部220V供电的电源系统;实验完毕成为产品时,为了简化电路,需用内部只带蓄电池供电。
微网逆变器信号调理电路设计
由于DSP不能输入负电压,故逆变器的输出线电压和线电流,电网端的线电压和线电流总共12路信号要通过信号调理才能送入DSP。
电压互感器的选择
此系统输出是三相交流电,输出线电压为380V,故选择TV19E电压互感器,其输出负载电阻可以接0~500Ω,输出交流电压0~2.5V,此系统采用240欧的电阻,输出电压为-1.2V~1.2V。满足DSP的输入要求。电路如图3所示。
电流互感器的选择
此系统输出电流小于1A,故选择最大可以测量1A的电压型电流互感器TA1410,负载电阻用是200欧,输出电压为-1V~1V的交流电压。电路如图4所示。

电平提升电路的设计
由于DSP输入端不能输入负电平,故要对电压互感器和电流互感器的信号进行+1.25V的提升,使输入信号在0~3.3V之间。
微网逆变器开关驱动电路设计
为了实现微网逆变器、负载、电网间的连接,当电路出现故障,需要快速的切换,故电路中使用了静态开关(晶闸管)、交流接触器、空气开关。
微网逆变器电能计量电路设计
本系统采用两块ATT7022B分别对逆变器侧和电网侧进行电能计量。ATT7022B是一款高精度三相电能专用计量芯片,集成了6路差分输入二阶sigma-delta ADC,适用于三相三线和三相四线应用,在输入动态工作范围(1000:1)内非线性测量误差小于0.1%。主要功能包括:电能计量、参数测量、数字接口和数字校准。
微网逆变器DC-DC电路设计
为了输入实现MPPT,输入DC-DC采用BOOST电路。采用SG3525作为主控芯片。
微网逆变器蓄电池充放电电路设计
智能充放电器采用升降压拓扑结构,并用PIC单片机进行智能控制,电路既包括智能充电电路,也包括智能发电电路。
微网逆变器变压器设计
本系统逆变器输出三相交流电线电压为190V,结果三相升压变压器(变比1:2)升压到380V,并采用△-Y接法,功率5kw。此变压器起升压作用,另外起隔离作用。
软件设计和测试结果
根据前面分析讨论,研制一套基于TI公司的DSP芯片TMS320LF2812的5kw光伏并网发电装置。由于DSP强大的控制能力和数据处理能力,使整机硬件结构较为简单,除了主电路、取样检测电路和驱动电路外,所有的运算、数据处理均由DSP完成。因此合理有效的控制策略和简洁软件构架是该系统可靠运行的有力保证。根据前面的分析和光伏并网发电系统的基本要求,DSP应该完成最大功率点跟踪控制、独立供电运行控制、同步锁相与并网控制、孤岛检测保护控制及相应的其它保护。本章主要根据上述要求给出相应的软件架构及主要实验结果。
系统的整体软件构架
微网逆变光伏发电系统的目的是将光伏器件产生的电能优先供给本地负载使用,多余的电量回馈给电网,软件的设计不仅要准确可靠地体现控制思想,而且要保证系统稳定可靠,防止干扰信号对系统的影响。
同步锁相控制
光伏并网发电系统要实现并网,必须使逆变输出与电网电压的幅度、相位与频率达到一致,否则将会使电网谐波增加、电能质量下降,并产生并网环流,甚至造成光伏发电系统的损坏。因此在并网过程中必须进行同步锁相控制、输出电压幅度控制以满足并网的要求。根据IEEE Std 1547-2003规定最大相位误差为20度,瞬时电压误差不能超过电网电压的10%、最大频率误差不能超过0.3Hz。图5为独立工作模式时纯电阻负载两端的电压波形。
孤岛检测与保护
孤岛效应是包括光伏发电在内的分布式能源必须重视的一个重要问题。所谓孤岛效应是指在分布式能源系统逆变器并网工作过程中,当市电输入被人为断开或出现故障而停止供电时,逆变器仍持续向局部电网供电,从而使本地负载的供电电源继续处于工作状态。

图5 独立工作模式时纯电阻负载两端的电压波形
责任编辑:gt
NVIDIA RTX PRO 4500 Blackwell GPU测试分析