全球最实用的IT互联网信息网站!
AI人工智能P2P分享&下载搜索网页发布信息网站地图
英特尔CPU路线图曝光 移动平台14nm用到2020年
阅读全文2019-09-26
西部数据公司宣布推出新产品满足用户对于高耐
ARM:从未断供华为 与海思会保持长期合作
阅读全文2019-09-25
艾芯智能人脸识别门锁解决方案,助力智能门锁
阅读全文2019-09-18
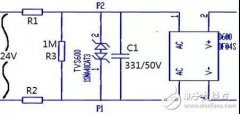
TVS-压敏电阻 等保护类器件的布局问题
5G通信调制解调器与高性能移动AP合二为一
阅读全文2019-09-16
高通骁龙865为三星代工,但875将由台积电代工,
阅读全文2019-09-15
Tractica:2030年量子计算市场将达到91亿美元
了解编码器输出信号有助于选择最佳设备
阅读全文2019-09-09
用于成像雷达的毫米波技术:一个传感器控制所有
阅读全文2019-09-04
数十年技术积淀,高通跃龙产品组合直击
英伟达官宣H20恢复中国供应,新款GPU震撼
RZ/A3M 1 GHz微处理器(MPU)数据手册和产品
Nordic 收购 Neuton.AI # Neuton ML 模型解锁 So
CPU | 内存 | 硬盘 | 显卡 | 显示器 | 主板 | 电源 | 键鼠 | 网站地图
Copyright © 2025-2035 诺佳网 版权所有 备案号:赣ICP备2025066733号 本站资料均来源互联网收集整理,作品版权归作者所有,如果侵犯了您的版权,请跟我们联系。