时间:2018-04-27 10:13
人气:
作者:admin
在选择变量控制下,从多路输入数据中选中某一路数据送至输出端。对于一个具有2n个输入和1个输出的多路选择器,有n个选择变量。
典型中规模多路选择器有双4路数据选择器74153,其引脚排列图和逻辑符号如图1(a)、(b)所示。

数据选择器74153芯片含两个4路数据选择器,每个选择器接收4路数据输入,产生一个输出,两个4路数据选择器共用两个选择变量。芯片有16条引线,其中1D0~1D3,2D0~2D3为8条数据输入线,A1和A0为选择输入线,1Y、2Y为2条输出线,1G、2G为使能控制端,另外有1条电源线和1条地线。
4路数据选择器的输出函数表达式为

式中,mi为选择变量构成的最小项。
多路选择器除完成对多路数据进行选择的基本功能外,还可用来实现数据的并-串转换、序列信号产生以及实现各种逻辑函数功能。
例如采用4路选择器74153实现如下逻辑函数的功能

解给定函数为一个3变量函数,由于4路选择器具有2个选择控制变量,所以用来实现3变量函数功能时,应该首先从函数的3个变量中任选2个作为选择控制变量,然后再确定选择器的数据输入。假定选A、B与选择控制端A1、A0相连,则可将函数F的表达式表示成如下形式:

显然,要使4路选择器的输出Y与函数F相等,只需:。据此,可画出逻辑电路如图2所示。类似地,也可以选择A、C或B、C作为选择控制变量,选择控制变量不同,数据输入也不同。

设计背景:
该设计是以数字电子技术为基础,实现数据从四位数据中按照输入的信号选中一个数,来实现所期望的逻辑功能。
设计方案:
用拨码开关作四位数据及两位控制端的输入,LED作输出,通过拨码开关组成控制输入端s1和s0不同组合,观察LED与数据输入端a,b,c,d的关系,验证四选一数据选择器设计的正确性。使用逻辑门电路与、或、非的组合来表达4选1数据选择器,通过控制输入的信号来控制输出的信号值。
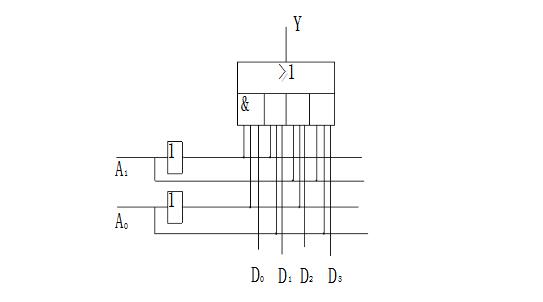
其逻辑电路如下图:

其示意框图如下:
其中输入数据端口为DO、D1、D2、D3,A、A为控制信号,Y为输出。
令AA‘=“OO”时,输出Y=D0;
令AA’=“01”时,输出Y=D1;
令AA‘=“10”时,输出Y=D2;
令AA’=“11”时,输出Y=D3;

真值表如下:


(1)设计思路

四选一多路选择器设计时,定义输入s为标准以内漏记为SIDLOGIC输出的信号Z的数据类型定义为2位标准逻辑矢量位STD_LOGIC_VECTOR(1DOWNTO0)。使用LBRATY语句和USE语句,来打开IEEE库的程序包STDLOGIC_1164.ALL。当输入信号时,程序按照输入的指令来选择输出,例如输入信号为“OO”时,将a的值给z,进而输出z的值,输入信号为“11”是,将a的值给z,进而输出z的值。若输入信号是已经定义的四个信号之外的值时(即当正条件语句不满足时),输出值为x,并将x的值给输出信号Z。这样即可实现四选一数据选择的功能。
程序
LIBRARY正EE:
USE
IEEE.STD_LOGIC_1164.ALL:
ENTITYmux41is
PORT(a,b.c.d:NSTD_LOGIC:
INSTD_LOGIC_VECTOR(1
DOWNTO0):
STD_LOGIC):
OUT
END
mux41:
IS
ARCHITECTUREoneOF
mux41
BEGIN
PROCESS(s,a.b.c.d)
BEGIN
IS
CASES
WHEN“00”=》z《=a:
WHEN“01”=》z《=b:
WHEN“10”=》z《=c:
WHEN“11”=》z《=d:
WHENOTHERS=》z《-=null:
END
CASE;
ENDPROCESS:
END
one;
运行结果
当输入信号“OO”时,输出信号z的值为‘a’:
当输入信号“01”时,输出信号z的值为‘b’;
当输入信号“10”时,输出信号z的值为‘c’:
当输入信号“11”时,输出信号z的值为‘d’:
波形仿真及描述
输入:
的波形周期为10ns,b的波形周期为5ns,c的波形周期为15ns,d的波形周期为8nsos[1]的波形周期为5ns.s的波形周期为10ns。

(2)设计思路

定义6个输入信号,一个输出信号,当控制信号A=‘1’时,muxval 的值加1,即muxval=muxva1+1当控制信号 B= ‘1’时muxval的值加2,即muxval-muxval+2。当输入值为‘i0’时,输出q的值为0,当输入的值为“i1’时,输出q的值为1,当输入值为‘i2’时,输出q的值为2,当输入值为‘i3’时,输出q的值为3。
程序
USE 正EE.STD LOGIC 1164.ALL;
ENTITY mus41
IS
(i0ji1,i2,i3,a,b :N STD_LOGIC;
PORT
:OUT
STD_LOGIC );
ENS mux4;
OF
mux4 IS
ARCH ITE CT URE b_mux4
BE G N
Process (i0,il,i2,i3,a,)
Variable
0;
downto
musval
:integer rang
Begin
m uxv al :=0;
if (a=‘l’)
musval:muxval+ l; end if;
then
if (b=‘I’) then
muxval :muxwal + 2; end
if;
is
muxval
case
w hen 0= 》 q 《= i0;
when l= 》 q 《= il;
when2=》q《=2;
when3=》q《=i3;
others= 》null;
When
end
ca se;
end process;
END b_mux4;
运行结果
当输入信号“OO”时,输出信号z的值为‘i0’:
当输入信号“01”时,输出信号z的值为‘i1’:
当输入信号“10”时,输出信号z的值为‘i2’:
当输入信号“11”时,输出信号z的值为‘i3’;
波形仿真及描述
a的波形周期为20ns,b 的波形周期为15ns,c 的波形周期为20ns,d 的波形周期为15ns,s的波形周期为8ns,s的波形周期为16ns。
输出
