时间:2006-03-24 13:33
人气:
作者:admin
当车轮以纯滚动方式与路面接触时,其中S=0,为纯滚动状态。当汽车车轮速度为汽车速度80%时,S=20%,为连滚带滑状态,此时车轮具有最大的纵向附着力和较高的侧向附着力; 当车轮抱死并转速为0时,S=100%时,其侧向附着力最小,只要很小的侧向力干扰,汽车便能产生侧滑。风力干扰、制动不均、路面倾斜等,都会使汽车产生侧滑。侧滑在行驶安全中最危险,最易产生交通事故,所以汽车行驶时,首先必需防止制动抱死。
研究表明:当滑移率8%≤S≤35%时,能传递最大制动力。制动防抱死的基本原理就是依据上述的研究结论,通过控制调节制动力,使制动过程中车轮滑移率在合适的范围内,以取得最佳的制动效果。

图 1 附着系数F与滑移率S的非线性关系曲线。

图 2 对角车轮独立调节控制的FKX-AC型ABS

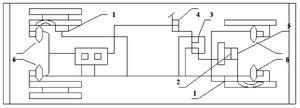
图3 全电子自动控制ABS的系统方框图
电子控制ABS的系统结构
ABS系统通常由传感器、控制器和调节器三部分组成,并通过线路连接成一个有机体,形成一个以滑移率为目标的自动控制系统。按照传感器、控制器和调节器的配置和控制方式不同可组成不同的ABS系统。而不同的系统具有各自的成本和性能。
如图2是对角车轮独立调节控制的ABS系统,它由两套传感器、一个两通道控制器和两个调节器组成,前轴传感器布置在右前轮,后轴传感器布置在左后轮,控制器布置在驾驶区仪表盘上,调节器分别连接到前、后制动管路中。
传感器:由一个永磁式传感器和激磁环组成,传感器一般固定在车轴或制动底板上,激磁环则固定在轮毂上,它们以非接触式将车轮传动的脉冲信号连续不断的传给控制器。
控制器:监测、处理传感器输送来的信号,将其信号处理成车轮的速度、减速度、加速度和滑移率,并按照预先设定的减速度、加速度和滑移率的门限值,将指令发给连接在制动管路上的调节器,从而实施加气、保持和放气功能,调节管路的压力,以满足多个车轮在不同路面状态下的最大制动的要求。
调节器:是ABS的执行部分,它负责调节压力,以满足多个车轮在不同路面状态下的最大制动力的要求。
电子控制ABS系统通道结构
ABS系统的通道是指连接压力调节器与制动器的独立液压回路,按其数量可分为双通道、三通道、四通道和六通道结构。双通道结构有两个传感器,可独立进行调整。两个后轮装有一个传感器,共用一个通道,其缺点是当其中一后轮要抱死时,另一个要一同调整。较为理想的是各个轮子都装有传感器,有自己的通道,都可以独立调整。如二轴四轮汽车使用四通道结构ABS系统,三轴六轮汽车使用六通道结构ABS系统,确保最短的制动距离和最佳的方向稳定性。
电子控制ABS系统的非线性分析
根据图1附着系数ф 与滑移率S的非线性关系可知:
纵向附着力系数
F纵=-K纵(S-0.2)2+0.825 (S≤20%)---------------------(1)
F纵=K纵(S—0.95)2+0.725 (S≥20%)----------------------(2)
K纵=0.17778
横向附着力系数
F横=—K横S+ 0.73 -----------------(3)
K横=0.73
从上述纵、横向附着力的表达式可以看出:纵向附着力系数为S的非线性函数,横向附着力系数为S的线性函数。研究上述两函数,找出S为何值时,F纵和F横的谐调值最大,从而利用S来控制F,以达到最佳制动效果。”
确定S的最佳数值:参考图1和上述表达式(1)、(2)、(3)分析,考虑到纵、横向附着力系数的比例关系。从图1中可以看出,在20%≤S≤30%的情况下,表达式(2)的部分可以用表达式(1)替代;以F纵为函数,S为自变量,可以确定F纵最大值的表达式,当
时,函数Φ纵有最大值,对表达式
进行求偏导,则有:
从该表达式可以看出:只有当s=0.2时,附着力系数最大,与k大小无关,并且越小越好,即当,制动效果最好。
根据,确定传递函数的性质和传感器类型:传递函数
可见:f(s)是连续的线性传递函数,但由于
F纵=-K纵(S-0.2)2+0.825 (20%≤S≤30%)是非线性,所以要采用的传感器依然要用非线性传感器。
电子控制ABS系统改进对策
目前,传统电子控制ABS的系统存在的问题:
(1) 采用共用通道时,当其中一轮要抱死时,另一个对称轮也要一同调整。
(2)由于通道内的液体压力受空气压缩泵的加气状态的影响,具有时变性和不确定性等特点,因此会出现有时防抱死系统效果不佳和系统失灵的情况。
(3)由于通道内的液体传递采用改变气压传递方法,在传递的过程中由于要进行加气、保持和放气等过程,反应速度较慢。
根据传统电子控制ABS系统存在的上述三个问题,采取相应的改进对策:
(1) 采用独立通道,当其中一轮要抱死时,另一个对称轮不受影响。同时,这样做可以减少通道长度,提高反应速度。
(2) 要解决由于通道内的液体压力(制动气室的气压)受空气压缩泵的加气状态的影响,导致其具有时变性和不确定性等特点;采用电路替换通道,以提高传递速度和可靠性,克服时变性和不确定性等因素造成的缺陷。
(3) 要彻底解决传统电子控制ABS系统存在的问题,就要采用全电子自动控制ABS系统。将气压制动改成电磁制动,以滑移率S为变量,经传感器将滑移率S变为电磁信号,经过单片机(可采用INTEL公司8798单片机)处理,传递给电磁制动刹车器件,这样不仅提高了传递速度,同时也提高了可靠性系数。可确保汽车有最短的制动距离和最佳的方向稳定性。图3为全电子自动控制ABS的系统方框图。
全电子自动控制ABS系统的工程原理:由于采用电磁制动系统,当紧急刹车时,自动进入全电子自动控制ABS的系统,这时S为自变量,传感器将此信号传递给单片机经处理后,控制电磁制动(电磁刹),如果电磁制动过急,则电磁刹将此信号反馈给传感器进行自动控制状态调整。