全球最实用的IT互联网站!
人工智能P2P分享搜索全网发布信息网站地图标签大全
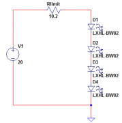
基于BUCK电路供电的LED发光二极管驱动电路设计
阅读全文2022-04-22
锡膏厂家:焊锡对人体有哪些危害?
阅读全文2022-04-21
雷曼LEDHUB为深圳人才宣传提供新窗口
CJJ/T 307-2019《城市照明建设规划标准》免费下载
三星LCD产线将转换为OLED产线,为其年增产18万块
基于线性电源供电的LED发光二极管驱动电路设计
LED显示屏的常见问题及维修技巧
阅读全文2022-04-20
陆芯精密切割机解说UVLED解胶机在晶圆芯片行业的
TCL C12E加速QD-MiniLED技术的全民普及
LED显示驱动芯片WT0033在电饭煲的应用
显示器低蓝光(ChinaMark)认证
友达光电的Micro LED生产线预计2025年启动量
艾迈斯欧司朗CIOE人气旺 众多新产品亮点
第二代全新升级LED全息屏:无龙骨设计引
CPU | 内存 | 硬盘 | 显卡 | 显示器 | 主板 | 电源 | 键鼠 | 网站地图
Copyright © 2025-2035 诺佳网 版权所有 备案号:赣ICP备2025066733号 本站资料均来源互联网收集整理,作品版权归作者所有,如果侵犯了您的版权,请跟我们联系。